Файлы  •  Ссылки  •  Прошивки  •  Правила  •  Архив  •   FAQ  •  Участники  •  Поиск
Регистрация  •  Вход

Пром СМА Вега В18 322 замена частотника INVT CHF100A 2R2G4

Список форумов» Бытовая техника» Стиральные и посудомоечные машины
АвторСообщение
dimaps
Предупреждений: 2
Предупреждений: 2 Предупреждений: 2 
Сообщения: 594




22-07-2018 13:30

Попросили из дома престарелых(специфического) отремонтить СМА промышленную Вега В18 322. Завод "Вязьма" Сгорел частотник INVT CHF100A 2R2G4. (частотник ссылка http://en-el.ru/files/File/invt/CHF100A_manual_rus.pdf)
Купил частотник (15т.р). Я им уже менял на пром центрифугу ЛЦ 25 этого же завода по этому и согласился http://monitor.net.ru/forum/viewtopic.php?t=531830&postdays=0& ...
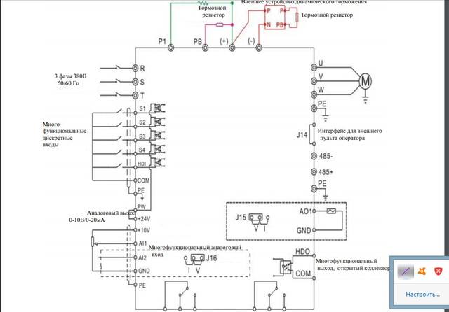
Только за 4 года забыл, сколько горя хапнул, чтоб параметры на частотнике настроить недовольство, огорчение А тут еще и СМА. Вот схема:

Задействовано 10 входов частотника. Рулит им как и по схеме контроллер управления СОМ315.4 (габариты как у CD - ROM ) с жк дисплейчиком.
Проблема в установке параметров частотника -вычислил только на 3
1)Р0.01 источник управления(1) - Входы было(0)- панель оператора (умолч)
2)Р5.01 функц клеммы S1- -1 вперед (так и было)
3)Р5.02 функц клеммы S2 - 2 назад (было 4- толчек вперед).

Остальные 6 (1 там масса) представляю очень примерно, наугад
боюсь, смущают очень
Скорость1 (S3) частотника (на схеме выводы универсального частотника, а не конкретного)
Скорость2 (S4)
Скорость3 (HD1)
Если движок 3х скоростной, зачем Скорость 3 на HD1(там S еще 3 штуки до s7)

Схема есть от такой Веги, но там другой контроллер, там то методом тыка частотник можно было выставить параметры, у меня больше проводов

А вот сервис мануал бы вообще круто было....??[/url]
dimaps
Предупреждений: 2
Предупреждений: 2 Предупреждений: 2 
Сообщения: 594




24-07-2018 16:47

Добрый человек параметры в личку кинул! Спасибо ему! Все крутится, греет, отжимает!
dimaps
Предупреждений: 2
Предупреждений: 2 Предупреждений: 2 
Сообщения: 594




04-08-2018 17:29

старую тему подымаю..Не знаю, может кому пригодиться.. Может кому пригодится по CHF частотникам? INVT CH - без А Многофункциональные входы S - только - 4шт, а у SHF100А - их- 7. В связи с этим производителям оборудования на 100 - без А приходится задействовать HD1 - высокочастотный импульсный вход,( впрочем и в бинарный перепрог), При замене на SHF100А http://en-el.ru/files/File/invt/CHF100A_manual_rus.pdf частотник (с родной программой они используют S4 или другие входы S4-S7. . В Итоге при замене 100 - безА на 100А - надо проводок цеплять на свободный S!

  Screenshot_20.jpg  76,96 КБ  Скачано: 60 раз(а)

Список форумов» Бытовая техника» Стиральные и посудомоечные машины» Пром СМА Вега В18 322 замена частотника INVT CHF100A 2R2G4
Перейти:  
Текущий раздел» Бытовая техника» Стиральные и посудомоечные машины (Ремонт и обслуживание стиральных и посудомоечных машин)


Похожая информация:
  • Замена BGA
  • Замена подшипников в СМА
  • Замена двигателя СМА
  • Замена EVO-2 на Arcadia
  • Замена материала в амортизаторах








  • Информация по ремонту для специалистов - справочники, инструкции, энциклопедия, советы и секреты ремонта,  настройка, сервисные режимы
    Powered by phpBB 2.0.18 © 2001, 2002 phpBB Group!