| Автор | Сообщение |
stits Участник Сообщения: 71
|
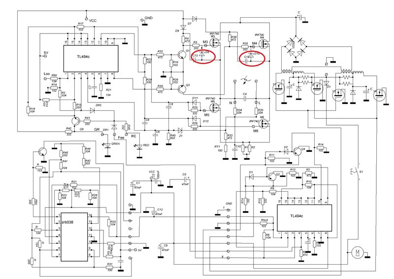
после неправильного подключения ( подано напряжение в сторону выхода 220в ) выгорели выходные транзисторы и стабилитроны ( или диод шотки это?) в цепи их. Имеется такой же преобразователь рабочий,при включении его и замере мультиметром ,на контактах стабилитрона ,показывает 4.2 в. Значит ли то ,что стабилитрон на 4.2 в ? Или какой номинал его должен быть? И стабилитрон ли это?
На других ресурсах, мне посоветовали поставить стабилитроны на 18-20 в. Не знаю, чем они руководствовались, утверждая , что нашли это в даташите, но при впайке стабилитронов на 18 в ,-прибор уходил в защиту и выгорали выходные транзисторы.
Попробовал поставить в одно плече стабилитрон на 4.3 в в другое 5.6 в ( два одинаковых увы не нашел в запасе ) -прибор запустился, тестер показал 220в. но при подключении нагрузки напряжение упало до 120в и больше не поднималось. выгоревших деталей больше не обнаружил..  |
|
Теоретик65 Участник Сообщения: 2212
|
stits, у тебя есть схема не в сжатом виде?
Добавлено 21-02-2015 16:37
кинь мне на почту. |
|
Sla70 Участник Сообщения: 738
|
Поставьте, 1N4148,и будет вам счастье. |
|
KRAB monitor.net.ru  Сообщения: 14353
|
| Sla70 писал: | | Поставьте, 1N4148 | - именно так |
|
yazovskikh-nikolay Предупреждений: 2 Сообщения: 447
|
Доброе утро страна. На схеме не понятно, какие полевики стоят на выходе. Если можно, кинь в личку схемку. Схема класическая, она применяется везде и всюду. Проверь напряжение Vcc. Оно не должно превышать напряжение стабилитронов. Напряжение стабилитронов выбирается из предельного напряжения полевиков по Vзатвор-исток. Обычно оно +-20 вольт. Поэтому стабилитроны обычно выбирают 18-20 вольт.
Добавлено 22-02-2015 07:44
Если у тебя Vcc в импульсе превышает предельное напряжение стабилитронов, они будут гореть. А если ты ставишь стабилитроны на 4-5 вольт (боле мощные по току) они ограничивают напряжение открытия полевика (обычно 10 вольт), и поэтому они не полностью открываются. По идее Vсс должно быть 12 вольт, с учетом допуска 14. Если есть рабочий блок, поднимаешь один конец стабилитрона, подключаешь резистор.
Добавлено 22-02-2015 07:51
Обычно беру 1ком, подпаиваю к нему от другого блока питания вольт 24, и замеряю напряжение стабилизации. И все вопросы отпадают. А диод 1N4148 может защитить только от переполюсовки.
Добавлено 22-02-2015 08:04
Обрати внимание на схему, М3-М5 это одно плечо, на заводе изготовителе полевики подбираются по характеристикам, они должны быть одинаковы. Ты конечно этого не делал. Поэтому, чтобы избежать сгорание полевиков нужно обязательно поставить минимальную нагрузку в виде резистора. Чтобы убрать токи утечки. Поставь резистор по 1 ком в каждой цепи с N на корпус и L на корпус. Либо подбирай полевики. |
|
stits Участник Сообщения: 71
|
Предидущий раз ,давали этот инвертор в ремонт, там выгорели полевики. и хозяин за неимением купил irf840 вместо irf 740 . - я поставил в каждое плече по одному irf 840 и блок работал.
В Этот раз когда мне дали его на ремонт в таком состоянии, все 4 транзистора я ставил IRF 840 и :
впаивая стабилитроны на 18 в. -транзисторы выгорали
впаивал диод 1448 - транзисторы выгорали
потом уже после, мне принесли IRF 740
я поставил стабилитроны на 4.3 и на 5,6 в и блок как бы заработал.. но упало напряжение.
То есть вы утверждаете что 4.3 в это очень мало и полевики полностью не открываются ?
Добавлено 22-02-2015 10:57
схему рисовал сам. есть в формате spl7 . Ваши емеилы я не вижу (
Добавлено 22-02-2015 11:26
в общем план моих действий : сначала поставлю 2 стабилитрона 4.3 в (так как хозяин их уже припер мне ) потом в рабочем блоке замерю напряжение VCC . потом в рабочем блоке выпаяю стабилитрон и в цепи его подключу 1 кОм резистор и подключу 24в ( 24 в возьму с БП компа,соединив последовательно +12 -12 в. так как лаболоторного БП не имею) |
|
Теоретик65 Участник Сообщения: 2212
|
stits, а почему гадаешь со стабилитронами, есть же второй исправный БП? Вот такой тип инвертора мостового не совсем правильная вещь с управлением от тл494, которая не предназначена управлять мостом. Посему все детальки моста до единой должны быть исправны. Для наладки включи последовательно с питанием моста лампочку 220в 40-60 вт, а в нагрузку 6-8 вт и все процессы смотреть осциллографом, тестером ты там ничего не увидишь. Это почему ты почту не видишь, она же рядом с профилем и личным сообщением ? |
|
stits Участник Сообщения: 71
|
| Теоретик65 писал: | | stits, а почему гадаешь со стабилитронами, есть же второй исправный БП? Вот такой тип инвертора мостового не совсем правильная вещь с управлением от тл494, которая не предназначена управлять мостом. Посему все детальки моста до единой должны быть исправны. Для наладки включи последовательно с питанием моста лампочку 220в 40-60 вт, а в нагрузку 6-8 вт и все процессы смотреть осциллографом, тестером ты там ничего не увидишь. Это почему ты почту не видишь, она же рядом с профилем и личным сообщением ? | просто хозяин подал напряжение сети в сторону блока, 220в и сразу же выгорели выходные транзисторы и 2 этих стабилитрона. остальное вроде в норме. тем более, говорю же, что впаивая стабилитроны на 4.3 и 5.6 он почти заработал (по крайней мере в защиту не уходил и даже напряжение на выходе появилось ) Емеил -"кнопка " есть, но нажимая на ее нече не происходит ) |
|
S965 Участник Сообщения: 75
|
stits, недавно ремонтировал инвертор с таким характером повреждения - итог сгорели транзисторы в первичке и вторичке включая обе ТЛки.Смотри осциллограмы на затворах у тебя инвертор работает на одном плече вероятнее всего во вторичке поэтому идет просадка под нагрузкой. |
|
yazovskikh-nikolay Предупреждений: 2 Сообщения: 447
|
Доброе утро страна. Просматривая характеристики на IRF740 и 840, указано минимальное напряжение затвор-исток 4,5 вольт, при этом ток в цепи дрейна будет около 1 А. Тебе этого мало, рекомендуемое напряжение 10 вольт. Поэтому и стабилитроны защитные должны быть больше 10 вольт. |
|
stits Участник Сообщения: 71
|
| yazovskikh-nikolay писал: | | Доброе утро страна. Просматривая характеристики на IRF740 и 840, указано минимальное напряжение затвор-исток 4,5 вольт, при этом ток в цепи дрейна будет около 1 А. Тебе этого мало, рекомендуемое напряжение 10 вольт. Поэтому и стабилитроны защитные должны быть больше 10 вольт. |
спасибо. попробуем. |
|
EvgeniS Участник Сообщения: 2953
|
| stits писал: | | спасибо. попробуем. |
не надо пробовать - это чушь. Стабилитроны должны быть действительно на 18В. Это допустимое напряжения затвора всех полевиков. Пытаться чинить как ты чинишь - методом тыка в горелые детали - пустая трата времени и денег. Отдай специалистам. |
|
KRAB monitor.net.ru  Сообщения: 14353
|
|
yazovskikh-nikolay Предупреждений: 2 Сообщения: 447
|
Для KRAB. Приведенная схема отличается от верхней схемы. С разделенными фронтами схема отличается, в ней практически нет сквозных токов. А верхняя схема от одного фронта работает. А во вторых; как человеку учиться, что все сразу же становятся спецами. Я за свою жизнь столько заполил дров пока что-то стал соображать. Главное это упорство, желание и как говорил Ленин: учиться и учиться. |
|
stits Участник Сообщения: 71
|
определил по годному прибору что это все таки диоды а не стабилитроны. Выпаял один с рабочего и проверил пробником от БП. напряжение на нем не падает. Так же и по обозначению на плате в то время как стабилитроны подписаны Z 1.. Z2 , эти подписаны D1 ..D 2 .
значит номинал диода 1N4148 должен нормально работать ? |
|
stits Участник Сообщения: 71
|
поставил диоды 1N4148 . еще выявил мёртвый резистор R3 на 2.2 кОм , а так же, по скольку по палил опять все IRF 740 , то пришлось поставить в каждое плече по одному IRF 840 . Прибор работает нормально =)
Всем спасибо )
ЗЫ : тему можно перенести в инверторы (если кому надо она ) |
|
KRAB monitor.net.ru  Сообщения: 14353
|
| stits писал: | | поставил диоды 1N4148 | - тебе ЭТО сразу было сказано!  |
|