LY9526 | DataSheet микросхем (PDF)

top
  • , DataSheet LY9526 - Current mode PWM controller with integrated high voltage power MOSFET

DataSheet LY9526​

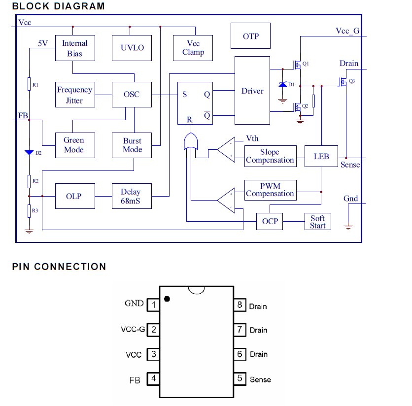
Current mode PWM controller with integrated high voltage power MOSFET

FEATURES
  • Integrated high voltage power MOSFET
  • Low Vcc Startup Current
  • No Y-CAP system design in sub 20W range
  • Frequency shuffling for EMI
  • Over current Protection(OCP), over voltage Protection(OVP)
  • UVLO and Auto Self- Recovery
  • Soft Start with 4mS
  • Burst Mode
  • Cycle-by-Cycle Over-current limiting
  • OTP
DataSheet LY9526 - Current mode PWM controller with integrated high voltage power MOSFET


Информация Аналоги Чем заменить Параметры Схема включения Как проверить Маркировка Где купить

  • Краткая информация по разделу


    DataSheet это техническая спецификация от производителей электронных компонентов, необходимая для разработки или ремонта электронных устройств. Учитывайте, что большая часть документов на английском, не имеет перевод, и только небольшая часть Datasheet на русском языке.

    Если Вам необходима дополнительная информация по применению, определению и проверке электронных компонентов (радиодеталей) - цоколевка, параметры и тд, создавайте свою тему в форуме. Вам ответят.
  • Какой аналог у LY9526?

    Списки аналогов находятся в разделе форума, в отдельных темах. Если Вы не нашли чем заменить LY9526, создайте свою тему с вопросом.

    Ответы размещаются в разделе Элементная база
    При создании вопроса обязательно указывайте в каком аппарате используется данный электронный компонент.
  • Чем заменить LY9526?

    Для одних компонентов существует множество вариантов замены, а для других их нет. При замене учитывайте схему включения, некоторые функции могут не использоваться. Если сомневаетесь в подборе аналога, обратитесь за помощью в форум.

    В зависимости от типа аппарата выберите подходящий раздел для вопроса.
    Ответы размещаются в разделе Элементная база
  • Какие параметры LY9526?

    Все основные парамеры находятся в даташите (мощность, ток, напряжение, частота).

    В случае дополнительных вопросов обращайтесь за помощью на форуме учитывая применение данного компонента.
  • Схема включения LY9526

    В зависимости от типа аппарата в котором используется электронный компонент возможны различные схемы включения LY9526.

    Обычно типовая схема включения находится в даташитах. В самом аппарете она может отличатся номиналами и схемой соединения.
  • Как проверить LY9526?

    Учитывайте, что далеко не все радиодетали можно проверить тестером (мультиметром). Многие компоненты необходимо проверять непосредственно в блоке или модуле аппарата замеряя напряжения или осцилограммы (осцилографом) в рабочем режиме.

    При возникновении вопроса о проверке выберите соответстующий раздел форума исходя из аппарата в котором используется данный компонент(телевизоры, мониторы, бытовая техника, и тд). Обязательно укажите результаты своих измерений.
  • Какая маркировка LY9526?

    Информация о возможных маркировках находится в DataSheet. Сама маркировка (мarking) - это обозначение на корпусе электронного компонента (радиодетали).

    Обратите внимание что она может быть полной, укороченной, SMD-кодом, цветовой, и тд.
  • Где купить LY9526?

    Купить электронные компоненты возможно в специализировааных магазинах либо коммерческих разделах сайта в частном порядке.

    Продавцы имеют возможность публиковать бесплатные объявления продажи радиодеталей, а покупатели делать запросы на требуемые запчасти.


 
Последние запросы схем и прошивок
  • PHILIPS 47PFL3605H/60 TPM5.1E LA прошивка NAND
  • Ищу даташит на микросхему VOGT E12301A
  • Ищу схему Высоковольтного блок питания HY-ES80
  • Hi, VHIX-43U169MSS шасси CV9632H-A50. Нужна прошивка USB
  • Dexp U55F8000H прошивка по usb
  • MD рекордер , Teac MD-H500i, service manual
  • Решено Нужна инструкция на станцию автоматической смазки Lincoln P40161801114

Автор
Evgen278
Скачивания
63
Посмотрено
680
Первый выпуск
Обновление
Рейтинг
Оценок: 0
Другие файлы Evgen278

  • HAIER LE46M600F
    Прошивка ЖК телевизора HAIER LE46M600F Main Board: MSTV2410-ZC01-01 LCD Panel: HV460WU2-200 SPI Flash: 25L3206E
  • SAMSUNG LE46A686M1F (Service Manual BN41-00974B)
    Схема телевизора SAMSUNG LE46A686M1F (Service Manual) Main Board: BN41-00974B BN94-02197E Chassis: N46A LCD Panel: LTF460HC01 T-CON: BN81-01697A FRCM_TCON_V0.1 Inverter (backlight): SSB460W22V01...
  • SAMSUNG UE32F6100 (Service Manual)
    Схема телевизора SAMSUNG UE32F6100 (Service Manual) Main Board: BN41-01954A - BN94-06532L; BN41-01954B Chassis: U88A LCD Panel: HF320CSA-B1 LED backlight: LUMENS D2GE-320SC0-R3 (12,12,27) T-CON...
  • SAMSUNG UE32F6400AK (Service Manual)
    Схема телевизора SAMSUNG UE32F6400AK (Service Manual) Main Board: BN41-01958A BN94-06704D Chassis: U85A LCD Panel: HF320CSA-B1 LED backlight: D2GE-320SC0-R3(12,12,27) Direct LED T-CON: 32T36-C06...
  • SAMSUNG UE32H5000AK (Service Manual)
    Схема телевизора SAMSUNG UE32H5000AK (Service Manual) Main Board: BN41-02098B BN94-07136F Chassis: U8AA; U8AB LCD Panel: CY-GH032BGLV1V T-CON: BN41-02111 / T320HVN05.0 (32T42-C02) LED driver...
  • ASUS PG329Q
    Сервис мануал и схема монитора ASUS PG329Q Файл в формате PDF, на английским языке: Revision Lists IMPORTANT SAFETY NOTICE Monitor Specifications Operation Instruction General Instructions...
  • ASUS VG249Q
    Сервис мануал и схема монитора ASUS VG249Q Файл в формате PDF, на английским языке: Revision Lists IMPORTANT SAFETY NOTICE Monitor Specifications Operation Instruction General Instructions...
  • BBK 19LEM-1006/T2C
    Прошивка телевизора BBK 19LEM-1006/T2C Main Board: CV9202L-T LCD Panel: V185BJ1-PE1 SPI Flash: 25Q64 Фото основной платы CV9202L-T
  • TDLex LE-32Z1T2
    Прошивка ЖК телевизора TDLex LE-32Z1T2 Main Board: TP.MS3663S.PB818 LCD Panel: CX315DLEDM CPU: MSD3663LSA-SW SPI Flash: 25Q64
  • AOC M2060SWD
    Сервис мануал и схема монитора AOC M2060SWD; M2060SWD2 Файл в формате PDF, на английским языке: Table of Contents Revision List Important Safety Notice Monitor Specification LCD Monitor...
Поделиться ссылкой на файл