Файлы
•
Ссылки
•
Прошивки
•
Правила
•
Архив
•
FAQ
•
Участники
•
Поиск
Регистрация
•
Вход
реле стеклоочистителя А11-3735025 подключение
Список форумов
»
Автомобильная электроника
Автор
Сообщение
Condorviys
Предупреждений: 1
Сообщения: 394
22-07-2016 17:33
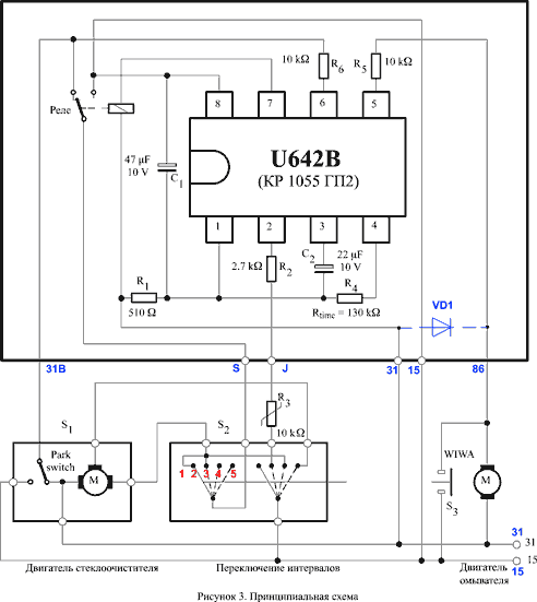
Подскажите схему подключения этой релюшки
Невский
Гость 185.3.*.*
23-07-2016 00:39
Тебе для какой цели? Ремонт?
Сначала сходил сюда
http://www.chinamobil.ru/bb/viewtopic.php?p=1683811
Цитата:
Устанавливается вместо реле стеклоочистителя 524.3747 ; 528.3747 ; РАЛД10.3747 ; 412.3777 ; 2110-37477
Это про ДДА-25 и чери-амулет.
Потом сюда
http://www.motortalk.ru/node/853
Нашлась схема аналога
Сравнивай по аналогам реле и схемам авто в которых они установлены.
Condorviys
Предупреждений: 1
Сообщения: 394
23-07-2016 12:20
Благодарю!
Список форумов
»
Автомобильная электроника
»
реле стеклоочистителя А11-3735025 подключение
Перейти:
Выберите форум
Телевизоры
-- ЖК (LCD)
-- Плазма (PDP)
-- Сервисное меню (Service mode)
-- Кинескопные телевизоры
-- Поиск прошивок и схем
-- Опознать элемент
Видеомагнитофоны
Видеокамеры и цифровые фотоаппараты
DVD
Мониторы
-- LCD-мониторы
Аудиоаппаратура
-- Раскодировка автомагнитол
-- MP3 проигрыватели
-- Автомагнитолы
Компьютерная и оргтехника
-- Ноутбуки и портативные компьютеры
-- Принтеры, сканеры и другая оргтехника
-- Планшетники
Телефоны
Сотовые телефоны
-- BENQ-Siemens
-- Fly BIRD
-- LG
-- Motorola
-- Nokia
-- Samsung
-- Sony Ericsson
-- Китайские модели
-- Программаторы и софт
Бытовая техника
-- Бытовые холодильные приборы
-- Стиральные и посудомоечные машины
-- Газовые котлы
-- Кухонная техника
Спутниковое TV
Автомобильная электроника
Промышленная электроника
Системы безопасности
Другая аппаратура
-- Сварочное оборудование
-- Медицинская аппаратура
-- Источники питания
-- Электропривод
-- Измерительная техника
-- Электроинструменты
-- Приёмо-передающая техника
Энциклопедия ремонта
-- Телевидение
-- Узлы и системы ТВ
-- ЖК и Плазма
-- Видеотехника
-- Аудиотехника
-- Оргтехника
-- Телефония и связь
-- Бытовая техника
-- Приборы, измерения
-- Источники питания
-- Элементная база
-- Технологии
-- Организация ремонта
-- Обсуждаем, идеи, разработки, мнения
Среда разработчика
Разработка цифровых устройств
Аналоговая техника
Силовая электроника
Оптоэлектроника
Печатные платы
Сборка и монтаж
Готовые решения и конструкции
Поиск схем, прошивок, Data Sheet-ов и др.
Элементная база бытовой радиоэлектроники
Программное обеспечение
-- Микроконтроллеры
Коммерческие обьявления
-- Покупка
-- Продажа
-- Ищу мастера
-- Ищу работу
-- Предлагаю работу
Флейм
-- Технофлейм
-- Природа, встречи
-- Закрытый Флейм
Корзина (Recycled)
Гостевая
Текущий раздел»
Автомобильная электроника
(
Ремонт, диагностика автомобильной электроники
)
Похожая информация:
Нужен донор для реле
Реле поворотников от Волги РС 950
реле центрального замка Тойоты
Реле включения вентилятора на 521СА3
Toyota Carina, 97, 7A-FE - реле бензонасоса
Powered by
phpBB
2.0.18 © 2001, 2002 phpBB Group!