Файлы  •  Ссылки  •  Прошивки  •  Правила  •  Архив  •   FAQ  •  Участники  •  Поиск
Регистрация  •  Вход

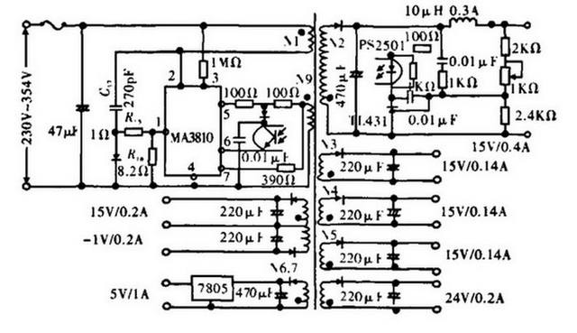
Замена ШИМ контроллера MA8910 на MA3810.

Список форумов» Элементная база бытовой радиоэлектроники
АвторСообщение
KENT
Предупреждений: 2
Предупреждений: 2 Предупреждений: 2 
Сообщения: 1489




20-05-2018 09:41

По внешнему виду MA8910 и MA3810 - абсолютно одинаковые, используются в разных блоках питания одинаковой мощности.
Обе - шим контроллер ИИП.
По напряжению и току, судя по даташит тоже похожи - 800V/3A.

MA8910 - Судя по даташит, в обвязке транзисторы не нужны, но в реальной схеме они есть - A1309 и C3311.
Пробит ключевой транзистор выв. 2,4,5.
Может быть поставить другой ключевой транзистор, по аналогии с STRS6707 - ?
Но там был биполярный, а тут какой, неизвестно.



https://masterxoloda.ru/files/datasheet/ma8910.pdf

MA3810 - Цоколевка не расписана, схемы обвязки нет. В реальной схеме в обвязке нет никаких транзисторов.
http://html.alldatasheet.com/html-pdf/43916/SHINDENGEN/MA3810/500/1/MA ...

Похожая, более мощная схема - MA2830.
http://pdf1.alldatasheet.com/datasheet-pdf/view/43913/SHINDENGEN/MA283 ...
http://files.remont-aud.net/baza/ic_power/sm_data/MA2830_sm.pdf

В чем отличие микросхем - ?
Допускается ли установка MA3810 вместо MA8910 без доработки схемы - ?
segor
monitor.net.ru
/
Сообщения: 4177




20-05-2018 17:59

KENT писал:
Может быть поставить другой ключевой транзистор, по аналогии с STRS6707 - ?
Но там был биполярный, а тут какой, неизвестно.

В смысле неизвестно? На структурной схеме серии MA8000 видно же - N-ch Mosfet.
KENT писал:
Допускается ли установка MA3810 вместо MA8910 без доработки схемы - ?

В MA3810 стоит биполярник, конкретно - 2SC4231. Если верить китайцам, то схема включения у него, отличается от MA8910....


KENT
Предупреждений: 2
Предупреждений: 2 Предупреждений: 2 
Сообщения: 1489




21-05-2018 22:44

segor, спасибо за подсказку.

Добавлено 21.05.2018 23:18

MA8910 = MA8920
TV Daewoo KR145E Шасси CP-185N
http://monitor.net.ru/forum/ma8920-info-285506.html

MA8920 - DAEWOO KR145E
http://www.datasheet26.com/circuit/645249/MA8920-%D0%B4%D0%B0%D1%82%D0 ...
Список форумов» Элементная база бытовой радиоэлектроники» Замена ШИМ контроллера MA8910 на MA3810.
Перейти:  
Текущий раздел» Элементная база бытовой радиоэлектроники (Элементная база - функциональные особенности, параметры, аналоги, взаимозаменяемость, качество )


Похожая информация:
  • LG шасси MC-994A замена контроллера.
  • Возможна ли замена контроллера WT6702F SOP-16 на SSOP-20
  • Помогите подобрать замену ШИМ-контроллера
  • помогите подобрать транзистор для контроллера
  • Помогите опознать м/с ШИМ-контроллера SOIC8








  • Информация по ремонту для специалистов - справочники, инструкции, энциклопедия, советы и секреты ремонта,  настройка, сервисные режимы
    Powered by phpBB 2.0.18 © 2001, 2002 phpBB Group!