| Автор | Сообщение |
Strike оболтус Сообщения: 1945
|
Всем привет.
Есть залитая матрица LC420EUN(SE)(M3).
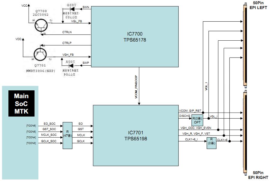
T-CON 32/37/42/47/55 FHD TM120 Ver 0.3 с этой 1:1
http://remont-aud.net/forum/78-12714-266489-16-1370519219
Восстановил шлейфы, разьем, дало белесое изо.
VCOM 1.5в, сопротивление на планках по этой точки сотня кОм..
Подал внешнее 7в от лаболаторника, отцепив все от ткона, картинка восстановилось, но потребление 150мА.
Напряжение формирует tps65178 даташита не нашел, поэтому не уверен, нормально ли 150мА по VCOM для этой панели или нет?
Не могу найти инфо.
Дополнено 04.08.2013
Main - TNP0993 2A
CPU - 2WS0250 224Q7T0C
RAM - K4B2G1646C-HQK0 - 2шт.
NAND - 29F4G08ABADA
EEPROM - 24C64F
TUNER - ENVS9302D5F
SOUND - D5452A
LAN - RTL8201F
DC-DC - RT7257 3шт, 106039 TI 25A -2шт, 5427 TI 23A,
прочее - AN34043A, TMDS361B, D2834ER.
POWER - TNPA5608 2P
APFC - 0133 D2D3 ?
FE - 5760 ?
INVERTOR - PCLF-D104 A REV 0.7 6917L-0084A
Шим -SW5516
T-CON - 32/37/42/47/55 FHD TM120 Ver 0.3 6870-0401C
TPS65198, TPS65178, TL2350EP |
|
Captain monitor.net.ru  Сообщения: 10703
|
Strike, выбирай, корзина или соблюдение правил? Ну или топай на технофлейм. |
|
Strike оболтус Сообщения: 1945
|
Captain, Давай в технофлейм, завтра будет время дополню тему, если потянет для тематики. |
|
Captain monitor.net.ru  Сообщения: 10703
|
| Strike писал: | | дополню тему |
ок, ожидаю. |
|
ALBERT02 Участник Сообщения: 2084
|
Может посмотреть внимательней?Не верю! |
|
ФАРТ monitor.net.ru  Сообщения: 8452
|
| Strike писал: | | Captain, Давай в технофлейм |
Strike, какой технофлейм? Или ремонт развивается в Разделе, или в Корзине умирает. Бесконтрольное, чтобы скинуть? А зачем?
Детали ищут в Технофлейме, ТВ ремонтирууют там же? Может один Раздел и оситавить, а остальные закрыть?  |
|
Vlad-1966 Предупреждений: 1 Сообщения: 12041
|
| ФАРТ писал: | | Или ремонт развивается в Разделе, или в Корзине умирает. |
-вот это правильно, особенно учитывая, что подход абы какой, внимания у ТС нет никакого - | ALBERT02 писал: |
Может посмотреть внимательней?Не верю! |
|
|
ALBERT02 Участник Сообщения: 2084
|
| Vlad-1966 писал: | | -вот это правильно, особенно учитывая, что подход абы какой, внимания у ТС нет никакого - |
Поражаюсь людям,которые,создавая тему,не удосуживаются внимательней посмотреть на свою проблему(прочитать название мсх)
Добавлено 04-08-2013 01:40
P.S. не в обиду  |
|
Strike оболтус Сообщения: 1945
|
Опечатка, прошу прощения.
TPS65178
Тут есть схемка с ее участием.
http://monitor.net.ru/forum/viewtopic.php?t=423436&start=64
Полдня с ней, с панелью, провозился, с микроскопом, устал..
Вопрос состоит лишь в том какой ток по VCOM в этои панели, или ищется даташит микросхемы, чтобы определить нагрузочную способность этого канала, чтобы определиться, искать проблему дальше на стекле, или оставить как есть.
Т.к. формирователи vcom, которые ранее мне встречались имеют МАХ по току 100мА. |
|
ALBERT02 Участник Сообщения: 2084
|
Для всех твои "тайные" ссылки недоступны Но при желании можно найти  |
|
Strike оболтус Сообщения: 1945
|
Ммм, ну вот , всё, спать-спать..  |
|
ALBERT02 Участник Сообщения: 2084
|
| Strike писал: | | Ммм, ну вот , всё, спать-спать.. |
Не-не Нормального даташита на эту мсх никто не видел Имхо. По току никто не скажет,пока не померяет.У меня с ней была проблема после залития,но было,что подставить и некогда было что-то измерять.Была умершая в хлам.Заменил.Сейчас есть с ней же другой аппарат,но нечего подкинуть :
Добавлено 04-08-2013 02:48
http://www.ti.com/product/TPS65178 посмотри. |
|
rammer monitor.net.ru  Сообщения: 7615
|
|
Kuzmi4 Скромный Ихтиофил Сообщения: 6031
|
| rammer писал: | | собственно говоря какой аппарат обсуждается ? |
Лыжа скорее всего. "Залётных" здесь мало. Но чёт я не припомню такую панель  |
|
ALBERT02 Участник Сообщения: 2084
|
| Kuzmi4 писал: | | Лыжа скорее всего. |
Василий не факт.Вроде бы по всем параметрам и да,но хрен его знает.Да и про Лыжные матрицы скажи-есть кто-то кто с ними не работает?
Добавлено 04-08-2013 04:27
| Kuzmi4 писал: | | Но чёт я не припомню такую панель |
Я тоже,но их как грязи,даже не заморачиваюсь на запоминание. |
|
Kuzmi4 Скромный Ихтиофил Сообщения: 6031
|
| ALBERT02 писал: | | Василий не факт |
Альберт, у нас лыжы и самцы рулят  |
|
ALBERT02 Участник Сообщения: 2084
|
| Kuzmi4 писал: | | Альберт, у нас лыжы и самцы рулят |
Значит два варианта у вас А ещё лыжные панели идут в ...........................++++++ |
|
Strike оболтус Сообщения: 1945
|
Дополнил тему, и разобрался.
Оказывается Vcom выдает TPS65198, нашел точку выхода из нее.пин 18., вчера не углядел, обе тпски сильно связаны между собой.
Отрезал, потребление стало менее 1 мА.
Видимо подбит этот выход шимки, слегка греется, буду колхозить а-ля кт315..
Всем спасибо. |
|
Vlad-1966 Предупреждений: 1 Сообщения: 12041
|
| Strike писал: | | Оказывается Vcom выдает TPS65198 |
| Vlad-1966 писал: | | внимания у ТС нет никакого |
-ну хоть не на третьи сутки дошло  |
|
Strike оболтус Сообщения: 1945
|
Vlad-1966 вот язва.
Поставил резистивный делитель с 16в - 1к и 820ом. 7.3в, проблем не обнаружено, на прогоне.
Решено. |
|
ALBERT02 Участник Сообщения: 2084
|
| Strike писал: | | Поставил резистивный делитель с 16в - 1к и 820ом. 7.3в |
Не самый плохой вариант Только отключи ненужное.... |
|
rammer monitor.net.ru  Сообщения: 7615
|
|
Vlad-1966 Предупреждений: 1 Сообщения: 12041
|
| ALBERT02 писал: | | Не самый плохой вариант |
-ничего хорошего не вижу, а где стабильность? Strike, или ты считаешь, что V-com не нужно быть стабильным? Таки ты ошибаешься. |
|
Strike оболтус Сообщения: 1945
|
Ток не превышал 1 мА ,контролировал минут 10 с поданой картинкой, делитель с общим током 5-7 мА обеспечит стабильность, 16в стабиллизированы шимом.
Никуда он не денется.
Напряжение подбирал лаболаторником, визуально, на темном растре с квадратом "нет сигнала".при пониженном или повышенном напряжении появлялась тянучка от квадрата в стороны, напряжение выставил и подобрал делитель чтобы бы тянучки не было видно вообще. |
|
ALBERT02 Участник Сообщения: 2084
|
| Vlad-1966 писал: | | -ничего хорошего не вижу, а где стабильность? |
А кто спорит?Ты же в авторитете,говори! По залитым ТВ никто ничего хорошего не видел  |
|
Vlad-1966 Предупреждений: 1 Сообщения: 12041
|
| Strike писал: | | Никуда он не денется. |
-вот производители тупые, ОУ применяют, где можно использовать делитель.
 |
|
Strike оболтус Сообщения: 1945
|
Vlad-1966, Ткон может применятся с другими матрицами, и вполне вероятно в некоторых потребление выше, естественно придется стабилизировать, я бы так и сделал , при токе 10-200мА.
Будут проблемы - отпишусь, не переживай..
rammer, Спасибо. |
|
asanik monitor.net.ru  Сообщения: 7030
|
| Strike писал: | | матрица LC42EUN(SE)(M3) |
Слава, как пить дать -
- ... чего-то в этом супе не хватает...?(с) - https://www.google.ru/search?q=LC42EUN(SE)(M3)&rlz=1C1CHMO_ruRU545 ...| Strike писал: | Есть залитая матрица LC42EUN(SE)(M3).
................
Напряжение формирует tps56178 даташита не нашел, поэтому не уверен, нормально... |
...вернись еще разок - https://www.google.ru/search?q=LC42EUN(SE)(M3)&rlz=1C1CHMO_ruRU545 ... нолик(и) проставь и циферки местами поменяй.
"А теперь, Федор, о главном..." (с)
| Strike писал: | | Вопрос состоит лишь в том какой ток по VCOM в этои панели |
| rammer писал: | | параметр V-com задаётся программно |
Аналогично будет -
- ... или 18pin OUT "в нулях" стоял и этим "подсаживал" на землю или по Digital не всё управление/сигналы доходили до TPS65198...
 |
|
Strike оболтус Сообщения: 1945
|
Поправил, Саша.
С управлением наврятли, матрас был залит, левая планка - шлейфы, коднеры и подгоревший разъем.
FB-VCOM не оборваны - не замкнуты, по половинке отцепленый матрас неизменял ничего.
Уже у хозяина трудится. |
|