| Автор | Сообщение |
Rahsh Новичок Сообщения: 5
|
Материнская плата K7kx-a Слот A. Рядом со слотом процессора была радиодеталь под обозначением RT. Там теперь только 2 ноги с останками тела деталюхи синего цвета. Подозреваю что был терморезюк. Но на обум лезть не хоца. Мо у кого валяется такая мамка. С нета фото не катит, не четкое при увеличении. |
|
JohnK Предупреждений: 1 Сообщения: 4488
|
Rahsh, Как насчет указать производителя или режим секретности имеет слишком высокий уровень? |
|
Stasjuk Участник Сообщения: 176
|
Это был терморезистор, но номинал я те не подскажу нет сейчас даже подобной мамки. |
|
Rahsh Новичок Сообщения: 5
|
В место производителя написано assemble in china )))) А есле серьезно кроме K7KX-A rev : 1.01 больше нет нечее. Проц АМД но атлон там или дюрон не скажу так как боксовский радиатор не вскрывал. Бо стремно. Машина моей девушки так что не книги на маку, не какой нить другой документаии найти не удалось . |
|
Michael666 анархист Сообщения: 2488
|
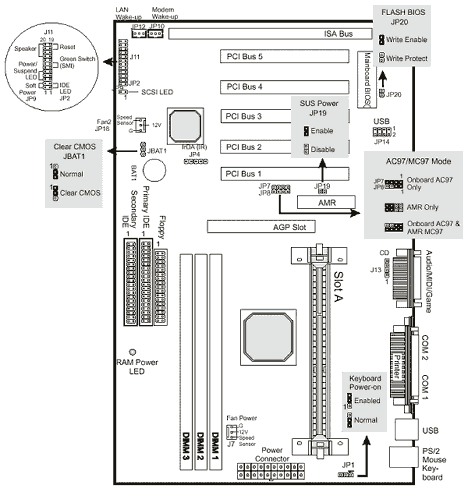
Tekram K7KX-A вероятно
|
|
Rahsh Новичок Сообщения: 5
|
Да это она. Спасибо за картинку. Только оч хотелось бы узнать что за сопротевление было или на какое моно заменить. |
|
JohnK Предупреждений: 1 Сообщения: 4488
|
Rahsh, Давай рассуждать логически, стоит возле слота процессора, значит скорее всего термопара там была. Но даже если и не термопара, то посмотри куда ведет это дело, уж не в мультик ли? А если в мультик заводится, то качаем датащит, курим, радуемся жизни. |
|
lexa.p Участник Сообщения: 288
|
| Rahsh писал: | | Машина моей девушки. |
Порадуй девушку, купи современную мамку она тебе спасибо скажет.  |
|
Rahsh Новичок Сообщения: 5
|
Всем спасибо за помощь. Материнка прибивается на стену и покупается новая. Так как ей полный кердык. Тему можно закрывать.  |
|
IIK Участник Сообщения: 122
|
Бедная мамка, эа одно термосопротивлению на стенку, а народ и посложнее ремонтирует. |
|
myth Предупреждений: 1 Сообщения: 5412
|
имхо,и без него бы работало...ну хотяб запускалось |
|
Rahsh Новичок Сообщения: 5
|
| Цитата: | | Бедная мамка, эа одно термосопротивлению на стенку, а народ и посложнее ремонтирует. |
Смысла нет. Там дело не только в сопротевлении. Мамка пойдет на деталюхи. Посмотрел на радиобалке там такого добра навалом по цене до 100 грн. купится кт 266 и бу все бенч
А с этой возится только время убивать. Она вообще не стартует и неначем ее проц проверить так как он под слот а не сокет.
Тему моно закрывать. |
|
JohnK Предупреждений: 1 Сообщения: 4488
|
| Rahsh писал: | | Тему моно закрывать | Ну так закрой, фсе в твоих руках  |
|