| Автор | Сообщение |
Макс Участник Сообщения: 958
|
Требуется вычислить или сбросить пароль в 24RF08 дампик прочитал с помощью I2C reader, правда не знаю насколько корректно.
Я уже подымал эту тему приблизительно пол года назад, и кто то мне предлагал помочь. Сейчас уже не помню кто.
Поэтому решил выложить дампик.
770X.rar 517 Байт Скачано: 1111 раз(а)
|
|
Макс Участник Сообщения: 958
|
Так, файл скачан уже два раза. Интересно для коллекции или кто то хочет помочь?  |
|
Mikkey Участник Сообщения: 1036
|
|
Макс Участник Сообщения: 958
|
Теперь понятно почему Pony показывал ошибку чтения этого файла. А I2C reader прочитал только открытую область. |
|
Mikkey Участник Сообщения: 1036
|
Закрытая область от 300 до 37F, с 380-3F8 опять открытая, чтобы всё прочесть сначала надо снять защиту. |
|
Макс Участник Сообщения: 958
|
| Mikkey писал: | | 380-3F8 опять открытая |
Может быть все таки 380-3FF
| Mikkey писал: | | чтобы всё прочесть сначала надо снять защиту | с помощью чего?
Mikkey, ты пользовался утилитами которые по твоей ссылке. Что то не могу разобраться. |
|
Mikkey Участник Сообщения: 1036
|
pdf читай, я с упрощённым интерфейсом делал |
|
Макс Участник Сообщения: 958
|
ты имеешь ввиду упрощенную схему?
У меня собрано по этой схеме.

|
|
Mikkey Участник Сообщения: 1036
|
Там же в архиве есть simple-i2cprog.pdf
В принципе она совпадает, только питание не с порта а внешнее. |
|
Макс Участник Сообщения: 958
|
Да я видел. И питание у меня тоже внешнее (пробовал и так и так).
Дело не в этом, если я с помощью утилиты I2C reader хоть что то прочитал, то в данном случае получается пустой файл.
Может я не правильно даю команду в командной строке (я в этом не силен)? Вобщем в командной строке я указываю r24rf08 TP770.bin в итоге
| Код: | Initializing timer ...5593 OK
ERROR!: Circuit not found or bus error! | Не видит микросхему
После этого запускаю I2C reader и читаю то что выложено в начале темы. Чую что "в трех соснах заблудлся", но не могу понять где.
I2C reader жестко привязана к COM1 по поводу этой непонятно.
Нашел на схеме simple-i2cprog.pdf тоже указан com1.
Наконец то прочитал.
Только нужные строки один хрен не читает. |
|
Mikkey Участник Сообщения: 1036
|
Я юзал под 98-ой - без проблем.
Читай внимательно до конца read.pdf  |
|
Макс Участник Сообщения: 958
|
Mikkey, Да вроде бы прочел.
Но полной ясности пока нет.
Если не сложно опиши последовательность действий.
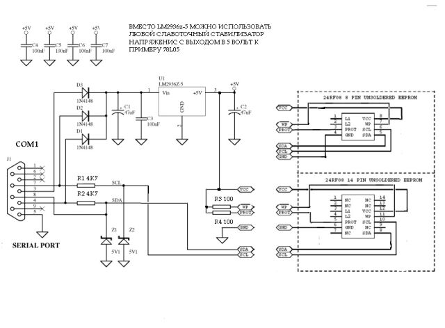
1.Подключаю выпаяную микросхему к COM1 по приведенной схеме.
2.Запускаю из командной строки файл r24rf08.exe (r24rf08 TP770.bin) и в той же директории получаю файл TP770.bin.
3.Открываю файл с помощью Pony или ibmpass2 и вижу что я лоханулся потому что вместо нужных строк FFFF
Где я допускаю ошибку или какие действия я пропустил?
Для чего предназначен patcher который находится в той же директории?
Как работать с ibmpass (в двух словах)?
Не думаю что проблемма в ситеме 98 или XP, мне кажется что тогда бы я вообще ни чего не прочитал.
Прилагаю файл прочитанный r24rf08
770.rar 274 Байт Скачано: 933 раз(а)
|
|
Макс Участник Сообщения: 958
|
Mikkey, спасибо ноутбукбук запустил.
Может кому понадобятся мои рекомендации.
Проблемма была в последовательности действий.
Надо так:
1.Соединить выпаяный чип 24RF08 с портом COM1 по схеме simple-i2cprog.pdf (оличается от приведенной выше только подключением вывода 11 WP его нужно подключить к массе) выпаяный чип 24RF08 с портом COM1.
2.Проверяем работу собранной схемы. Запускаем из командной строки файл r24rf08.exe для этого набираем в командной строке r24rf08 770.bin и в той же директории получаем файл 770.bin В этом файле область от 300 до 37F заполнена FFFF Это защищенная область в которой хранится пароль.
3. Снимаем защиту и читаем файл полностью. Для этого запускаем файл patcher.exe после чего сразу же запускаем r24rf08.exe вышеприведенным способом, на вопрос о перезаписи фала 770.bin отвечаем утвердительно и получаем полный файл.
4. Читаем пароль.
- Способ первый. Запускаем ibmpass.exe и запписываем вычисленный пароль. Для альтернативной раскладки запускаем то же файл следующим способом ibmpass.exe /a
- Второй способ. Открываем файл 770.bin с помощью ibmpass2.exe и в привычном графическом интерфейсе жмем кнопку scan code и по адресам 0x338 и 0x340 смотрим код в явном виде.
5. Запаиваем чип на свое место собираем ноутбук и на запрос при включении вводим вычисленный пароль, вводим дату и время.
ВСЁ! |
|
Andrej D. Гость 79.132.*.*
|
Макс, спасибо за оформленную инструкцию!
Пригодилась...
В моём случае, по адресам 0x338-0x340 находится 31 46 0f 36 eb 57 12 ba,
в среде ibmpass21.exe оттранслировать это во что-то напоминающее пароль не получается (1F 6ыW Њ)
я полагал, что это Hex значения по ASCII.
Не подскажите в чём моя ошибка?
doctor_open.zip 449 Байт Скачано: 438 раз(а)
|
|