| Автор | Сообщение |
omega-xxl Новичок Сообщения: 21
|
мейн TP .MS18VG.P83C
флеш- 25Q32
проц-под радеатором
панель TP315BT01-MA1
нет изображения. при включении загорается зеленый индикатор видна подсветка но нет питания на матрицу, схемы у меня нет но как понял питания приходит с AIC2857F на 2 лапе присутствует 19 вольт, на 3 лапе 0, на 7 команда 3,3 присутствует, заменил микруху на RT7257EN
подключил без матрицы на выходе 3 лапы появляется 18 вольт панель цеплять боюсь подскажите кто нибудь сколько должно приходить на матрицу? да менял прошивку ничего не изменилось |
|
rammer monitor.net.ru  Сообщения: 7661
|
| omega-xxl писал: | | панель TP315BT01-MA1 |
|
|
foxter-x Участник Сообщения: 184
|
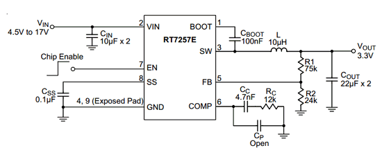
omega-xxl, судя по даташитам RT7257EN совсем не аналог AIC2857F. |
|
omega-xxl Новичок Сообщения: 21
|
foxter-x, я понемаю что не аналог схема включения похожа да мне и нужно было для проверки rammer, значит получается 12 вольт спасибо будем что нибудь думать |
|
rammer monitor.net.ru  Сообщения: 7661
|
| omega-xxl писал: | ак понял питания приходит с AIC2857F на 2 лапе присутствует 19 вольт, на 3 лапе 0, на 7 команда 3,3 присутствует, заменил микруху на RT7257EN
подключил без матрицы на выходе 3 лапы появляется 18 вольт |
omega-xxl, проверяй где оторвал резистор делителя задающего напряжение на выходе DC-DC .| foxter-x писал: | | RT7257EN совсем не аналог AIC2857F |
foxter-x, советую внимательней изучить DataSheet на обе микросхемы или хотя бы схемы включения ...
 |
|
foxter-x Участник Сообщения: 184
|
| rammer писал: |
foxter-x, советую внимательней изучить DataSheet на обе микросхемы или хотя бы схемы включения ...
|
Да вроде как внимательно изучил DataSheet на обе микросхемы. Да распиновка соответствует, а вот напряжение FeedBack 0,8В в одной, а в другой 0,925. Разве Vout не будут разные? |
|
rammer monitor.net.ru  Сообщения: 7661
|
| foxter-x писал: | | Да распиновка соответствует, а вот напряжение FeedBack 0,8В в одной, а в другой 0,925. Разве Vout не будут разные? | будут , поэтому
| rammer писал: | | mega-xxl, проверяй где оторвал резистор делителя задающего напряжение на выходе DC-DC . |
|
|
foxter-x Участник Сообщения: 184
|
rammer, ) хорошо восстановит он оборванный резистор и, что напряжение станет 12В?) |
|
rammer monitor.net.ru  Сообщения: 7661
|
| foxter-x писал: | rammer, ) хорошо восстановит он оборванный резистор и, что напряжение станет 12В?)
|
foxter-x, станет , но меньше чем 12 вольт , тем более никак не 18 вольт, так как опорное у установленной равно 0,8V .
| omega-xxl писал: | заменил микруху на RT7257EN
подключил без матрицы на выходе 3 лапы появляется 18 вольт | Отсюда вывод - "оборван" = увеличен номинал резистора верхнего плеча делителя . |
|
foxter-x Участник Сообщения: 184
|
rammer, да выводы верные. Только вот прежде, чем ставить микросхему взамен надо было ТС "внимательно изучить DataSheet", а я только написал, что не аналог. И без переделки обвеса не пойдет замена. |
|
rammer monitor.net.ru  Сообщения: 7661
|
foxter-x, да нет у меня к тебе претензий ... Пусть автор темы разберётся где он накосячил . |
|
foxter-x Участник Сообщения: 184
|
rammer,  |
|
omega-xxl Новичок Сообщения: 21
|
прошу прощения что так долго отсутствовал, был в отъезде. всем огромное спасибо кто принял участия проблемма решилась заменай AIC2857F и не пришлось менять резисторы напр, стало 12v подключил матрицу и офигел левое плечо матрицы вертикальные полосы ну думаю все хана. проверил шлейф соединяющий 2 плеча матрицы а он оказался перевернутым поставил как нужно изображение восстановилось |
|