| Автор | Сообщение |
AKTAU Участник Сообщения: 378
|
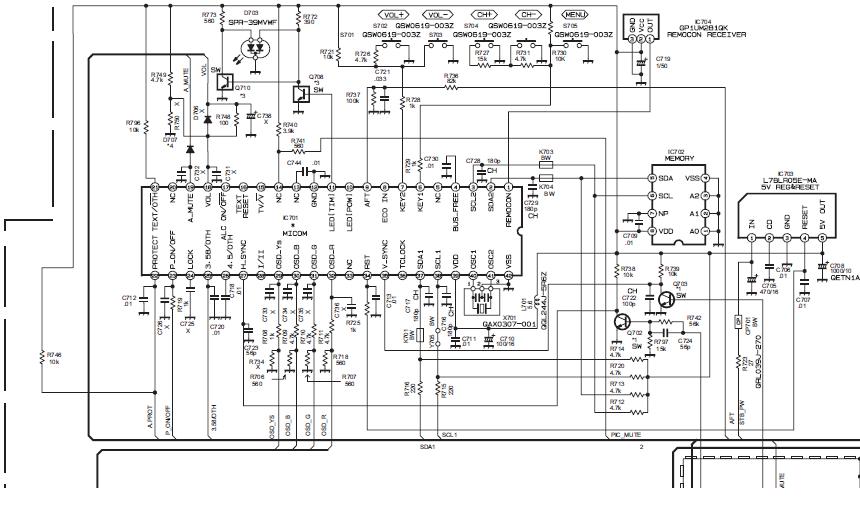
Состав : MN1873287JJ, NN5198K ,STRW5753A, LA78040.
Проблема следующая: восстанавливаю аппарат после "очумелых ручек". Всё сделал, аппарат работает, настраивается, управляется, но одна беда, нет обмена проца с EEPROM. На шине SDA2-SCL2 ни малейшего намёка на обмен. Проц рабочий, проверялся на другом аппарате. Не понимаю, что может блокировать порт. С видеопроцем и тюнером обмен нормальный, Reset в норме. Даташита на проц не нашёл.Рассыпуху подетально пробиваю, всё живое.
Схема тут, если что
http://monitor.net.ru/forum/jvc-av-14amg6-chcg4-download-25113.html |
|
T PRINC Гость 217.66.*.*
|
сколько v на sda и scl .фото приемник не пробит?
КЛАВИАТУРА НЕ ЗАМКНУТА |
|
AKTAU Участник Сообщения: 378
|
Кнопки выпаивались, с пульта управляется. |
|
MASTER+ monitor.net.ru  Сообщения: 11006
|
| AKTAU писал: | | нет обмена проца с EEPROM. На шине SDA2-SCL2 ни малейшего намёка на обмен. Проц рабочий, |
Питание-ёмкости памяти проверены?
Какая память стоит? Все ноги распиши. |
|
AKTAU Участник Сообщения: 378
|
Память ST 24C08W6, ставил и ATMEL 24C16, без эффекта, на шине висит напряжение подтяжки 4,95В. Не знаю, какая родная была память, но вроде как без разницы в этом включении. Сейчас ёмкости на шине заменой проверю.
Заменил, без толку. |
|
MASTER+ monitor.net.ru  Сообщения: 11006
|
AKTAU - в сервис заходил? |
|
AKTAU Участник Сообщения: 378
|
Заходил, всё нормально, геометрия тянется, только не запоминает при выключении. Да, вот ещё что: настраивается он криво, без цвета, картинку ломает. NN5198K греется сильно. Не может ли NN5198K запирать проц? Просто аппарат так перекопан, что всего чего угодно ожидать можно . |
|
MASTER+ monitor.net.ru  Сообщения: 11006
|
| AKTAU писал: | | NN5198K греется сильно. |
Уже просвет, шины общие.  |
|
AKTAU Участник Сообщения: 378
|
MASTER+, как общие? Они же в проце развязаны...правда, не знаю для чего .
У меня мелькнула крамольная мысль завесить память на другую шину ... Но это некошерно, нужно дефект искать. Плохо, что нет NN5198K на подкидку . |
|
MASTER+ monitor.net.ru  Сообщения: 11006
|
| AKTAU писал: | | Они же в проце развязаны. |
Посмотрел схему, твоей закачки. SDA/SCL 1 и 2 разные ветки, всё просто, не за что зацепиться. |
|
sancio Участник Сообщения: 506
|
Если проц на другом телике проверял, может, слить
с него прошивку и попробовать? |
|
AKTAU Участник Сообщения: 378
|
sancio, в данный момент, что с памятью, что без - никакой разницы. Обмена нет. Такое ощущение, что порт SDA2/SCL2 находится в высокоимпедансном состоянии. Неясно почему . |
|
AKTAU Участник Сообщения: 378
|
И инициализация не происходит. MENU+ Volume(+) и сеть. Не включается аппарат . |
|
Ratan Участник Сообщения: 45
|
Проверь вывод 4 BUS_FREE , в других схемах он идёт вместе с шинами на техн. разъём. Ещё 24-й LOCK.
Может где предыдущие наследили. |
|
AKTAU Участник Сообщения: 378
|
Пробивал,Ratan, норма там.  |
|
Ratan Участник Сообщения: 45
|
В момент включения в сеть хотя-бы происходит опрос памяти ?
Однажды, при переделке Samsung-а вывод на LED не давал работать процу. |
|
AKTAU Участник Сообщения: 378
|
Не происходит. Я уже и так делал - ставлю память чистую, врубаю телик, вырубаю, снимаю память, читаю. Нет изменений. Но есть что - если отключить первую шину( видеопроц и тюнер), то на второй появляется сигнал SCL. Шины развязанные, поэтому непонятно. |
|
sancio Участник Сообщения: 506
|
Вот! А теперь по очереди - сначала тюнер.
Его могли и не тот поставить. |
|
Ratan Участник Сообщения: 45
|
| AKTAU писал: | Не происходит. Я уже и так делал - ставлю память чистую, врубаю телик, вырубаю, снимаю память, читаю. Нет изменений. . |
Наверно о разных вещах говорим. Имел ввиду- сядешь на 5 или6 выв. -вилку в сеть и смотришь - должны короткие пачки проскочить
(не скачок питания). А у JVC проц вроде не прописывает память. Насчёт тюнера , врядли - он же пишет что настраивается.
Добавлено 26-09-2009 16:58
| Ratan писал: | | AKTAU писал: | Не происходит. Я уже и так делал - ставлю память чистую, врубаю телик, вырубаю, снимаю память, читаю. Нет изменений. . |
Наверно о разных вещах говорим. Имел ввиду- сядешь на 5 или6 выв. -вилку в сеть и смотришь - должны короткие пачки проскочить
(не скачок питания). А у JVC проц вроде не прописывает память. Насчёт тюнера , врядли - он же пишет что настраивается. |
На 21 выводе что-то с т/текстом связано - проверить бы R . |
|
AKTAU Участник Сообщения: 378
|
| Ratan писал: | Имел ввиду- сядешь на 5 или6 выв. -вилку в сеть и смотришь - должны короткие пачки проскочить
|
Будь корректен, пожалуйста ! SDA2/SCL2 на 2 и 3 ноге. Нет обмена на них. При отключении 2-ой шины, на которой висит видеопроц и тюнер, появляются импульсы SCL. Или Ты имеешь в виду что-то другое? |
|
Ratan Участник Сообщения: 45
|
Я всегда смотрю на памяти (5,6) .Проц CPU в первую очередь обращается к памяти , а потом - далее. Да и шину памяти искать не надо -чем у проца. |
|
AKTAU Участник Сообщения: 378
|
Ratan, Извини, от проца считал!  |
|
Ratan Участник Сообщения: 45
|
| AKTAU писал: | | появляется сигнал SCL., . |
а SDA есть в этот момент? вывод 7 памяти случайно не оторвали от корпуса.
NN5198 греется - увеличь R501 до 510 ом |
|
AKTAU Участник Сообщения: 378
|
Ratan, нет SDA. А то, что греется NN5198 так это, оказывается, штатно...  |
|
алеx3 Участник Сообщения: 3771
|
|
AKTAU Участник Сообщения: 378
|
алеx3, у меня несколько другая ситуация. Каналы не запоминаются. Вернее сказать, с NN5198 нет сигнала IDENT.На 9 выводе проца (AFT) - 0. Хотя на ручнике настраивается идеально.
Короче, не буду я с ним возиться.Нерентабельно.
Я собрал его, укомплектовал, поставлю на полку, пока не появится аналогичное шасси. И вопрос будет решён в течении 1-2 часов, методом сравнения
Тут проблема в том, что аппарат не "сломался", а "убит", "неквалифицированным вмешательством"
Тему не закрываю, до выяснения .
Всем Спасибо!  |
|
Alisaas Участник Сообщения: 39
|
JVC AV-14F3 chassis CG
Состав: MN1873287JJ1, NN5198K ,STRW5753A, LA78040
Ситуация абсолютно аналогичная, как у AKTAU
Очумелых ручек не было, было немного воды в районе процессора.
Проц ведет себя одинаково как без памяти, хоть с чистой, хоть с прошитой
В сервисе все меняет, все настраивает, до первого выключения из сети.
Может AKTAU уже выяснил, где собака порылась?
Буду рад любым идеям. |
|
KRAB monitor.net.ru  Сообщения: 14355
|
| Alisaas писал: | | В сервисе все меняет, все настраивает, до первого выключения из сети | - а как запоминаешь?  |
|
Alisaas Участник Сообщения: 39
|
Пробовал off timer, muting, display
Неужели где-то прокол? |
|
JUDI71 Хочу прозвище! Сообщения: 725
|
Alisaas, около сервисного разьема стабики по шине надо менять неглядя  |
|
Alisaas Участник Сообщения: 39
|
JUDI71, не установлены заводом, к сожалению.
Может этому процу какая-то "хитрая" микросхема памяти нужна ? |
|
Guk Участник Сообщения: 1052
|
| AKTAU писал: | | Проц рабочий, проверялся на другом аппарате. Не понимаю, что может блокировать порт | Значит-вынимался/вставлялся,как и память.Попробуй и полную и частичную(для 5198) инициализацию правильно сделать (и с валидной памятью). |
|