| Автор | Сообщение |
MainRooT Участник Сообщения: 1222
|
Здравствуйте.
Есть такой мон, 1998г.в.
На шасси надпись Sony6558-43N/U SCC-L04M-1
Трубка Sony trinitron M50LMD15X
На основной плате надпись Sony 1-667-246-15
схема тут: http://monitor.net.ru/forum/sony-gdm-500ps-download-2252.html
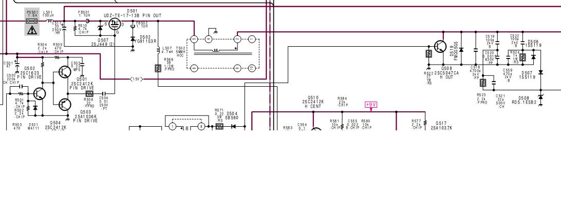
трабл в том, что на основной плате горят транзисторы Q507 (2sj449), Q508 (2sc5047) (стоят в линии 200в, коммутируют трансформатор T502), после их сгорания горит резистор-перемычка в БП по линии 200в.
я ключи уже менял вместо резюка защитного в БП поставил обычный одноваттник на 1 ом где-то, выдал мон клиенту... оно вернулось. говорит, совсем недолго поработал.
сейчас разобрал - резюк выгоревший, транзисторы опять пробитые..
кто сталкивался с дефектами подобными - подскажите, чего я не так делаю?
сабжевые транзисторы по схеме в середине листа 5-15
Заранее всем откликнувшимся спасибо, сам в ЭЛТ технике нифига не шарю (ЖКшками занимаюсь). тем более, в этом че-то понаворочено... куча трансформаторов зачем-то |
|
MICHAIL Monitor's Killer  Сообщения: 3756
|
C501
C511 заменить
и превентивно все емкости в БП |
|
MainRooT Участник Сообщения: 1222
|
ну да, логично. на 511 в первую очередь надо было посмотреть. в этих линиях обычно быстро кондеры уходят "в полный ноль".
высоковольтные С563, С517 вряд ли попортиться могли? там керамика или пленка высоковольтная - либо обрыв, либо КЗ. а мон запускался после замены ключей
Добавлено 24-05-2012 15:28
а можно для общего развития, чо такое Т502? по схеме отследить не могу..
а.. дак это вообще просто дроссель. обычный Step-UP инвертор, получается |
|
MainRooT Участник Сообщения: 1222
|
обмерил кондеры.
C511 по ESR-метру 35мкФ, 0.58ом
C501 43мкФ, 1.1ом.
я бы не сказал, что кондеры какие-то уставшие. по ESR даже лучше новых. платы снял (аппарат у клиента, ибо тяжеленный), лежат на столе. чего еще проверить? в БП ёмкости нормальные вроде
кусок схемы со злосчастными транзисторами прикладываю.
 |
|
Sasha M Участник Сообщения: 38
|
Посмотри соседнюю тему http://monitor.net.ru/forum/viewtopic.php?t=432391
Ситуация очень напоминает мою, грелся у меня полевик (до пробоя), ключевой транзистор не вылетал, по причине ухода монитора в защиту.
Особое внимание обрати на стабильность напряжения на С511 (смотри осциллографом). В моем случае незначительные пульсации приводили к искажению вершины прямоугольных импульсов и возможно не полному открыванию этого полевика, что и вело к сильному нагреву полевика, до пробоя. Не знаю как в твоем случае, но в моем на стоке полевика должны быть четкие прямоугольники, без каких либо искажений. |
|
MainRooT Участник Сообщения: 1222
|
да сомневаюсь я, что чего-то он там не вытягивает...
ить по параметрам-то он живой полностью (выпаянный).
замеры осциллографом сильно затруднены..
во-первых, к платам хрен подберешься... только если кожухи жестяные поснимать... тогда радиатора половина снимается с этой платы.. он из двух половинок слеплен. дурацкая конструкция, короче..
во-вторых, моник на объекте.. у меня платы тока на столе.
при предыдущем ремонте напруги с БП обследовал.
правда, вроде бы, просто мультиметром |
|
Sasha M Участник Сообщения: 38
|
| MainRooT писал: | при предыдущем ремонте напруги с БП обследовал.
правда, вроде бы, просто мультиметром |
Я на БП у своего моника то-же все проверил, там пульсаций по 190В точно не было. А вот у полевика уже они появились. Длинна дорожки порядка 30 см, пару перемычек по пути.
Жалко что нельзя моник притащить к себе на место, тяжко так ремонтировать. Если сборка и разборка не слишком трудоемка, то я обычно проводки вывожу для замеров, если нельзя добраться до нужных точек, но это только в стационаре. На месте ремонт, это полная задница
Еще раз повторюсь, дефект очень сильно напоминает мой (греется полевик, пробивается, уходит в защиту). У вас пробитый полевик, потом ключевой транзюк, потом шина по 200В начинает гореть. |
|
SanAlex Мастер Сообщения: 4333
|
MainRooT, | MainRooT писал: | | моник на объекте.. у меня платы тока на столе. |
MainRooT, Так ты ничего не починишь. Тем более, как я понял, горит не сразу. Надо моник в сборе. Если раскидать не можешь, выводи провода от интересующих точек, распаяй их на отдельной плате и после сборки смотри на них.
| MainRooT писал: | | в БП поставил обычный одноваттник на 1 ом где-то |
Этого делать не надо. Ставь пред на 2А. Кондеры, про которые MICHAIL писал, меняй а не меряй. Также превентивно можешь заменить С504, С518. D501 проверь. Ну и импульсы на стоке Q507 смотреть осциллографом, как писал Sasha M. |
|
MainRooT Участник Сообщения: 1222
|
SanAlex, о, кстати.а ведь Sasha M сильно прав...
только сейчас обратил внимание, как включен C504 и к чему это, в случае пульсаций по линии 200в, может приводить.
ладно, буду тащить аппарат на стол, а потом глядеть уже. тяжеленный, сцуко.
один тока высад останется - с установленной как положено платой к ней не подобраться ни с одного конца...
чтобы подобраться к ней со стороны монтажа - надо снимать жестяной кожух.. а на нем - основная часть радиатора (общего для этих всех транзюков). транзюки просто на алюминиевом основании...
ладно, чего-нибудь придумаем.
надо меньше трепаться и больше делать
удручает меня и стимулирует нежелание работать тот факт, что гарантийный аппарат (после пред. ремонта заново сдох)... еще трубка тяжеленная... и запчасти теперь за мой счет
нафиг брал... сам ЖК-шками занимаюсь обычно |
|
Sasha M Участник Сообщения: 38
|
Сегодня мой моник отработал 40 мин с сигналом 800*600 85 Гц. Полевик почти не греется, строчный транзюк горечеват (палец на радиаторе (в месте контакта с транзюком) могу держать не более 3 сек, но слюна не шипит )
Завтра планируем воткнуть его на рабочее место.
По поводу убранного радиатора. Если на элементах присутствует хоть немного алюминиевого основания, то транзюки не должны пробиться за 5-10 сек. А этого думаю вполне хватит для проверки формы сигналов. Включи на 5 сек, потрогай как нагрелись, если терпимо, включи на 10 и т.д. |
|
MainRooT Участник Сообщения: 1222
|
Sasha M, все равно твой греется слишком сильно, имхо
по поводу радиатора - не учи ученого
просто, хотелось бы прогнать полноценно... с прогревом... и измерениями после этого.
короче, просто несколько разных вариантов выхода из строя в голове крутится |
|
MainRooT Участник Сообщения: 1222
|
извиняюсь за задержку,не до того было.
заменил q507 на тот же, что положено, заменил Q508 на 2sc3998 (другого ничего нет в городе).
поменял литы C511, C501. также по линии 200в в бп выходной кондерчик 3.3мкФх250в.
включается. по линии 200в на плате намеряю 201в, заметны небольшие пульсации (хотя,может на провод осца они просто наводятся,хз). на линии 15в 14.6в по факту, пульсации незначительные.
на Q507 на затворе меандр, размахом еле дотягивающий до 10в, фронты импульсов ровные, сами "верхушки" наклонные, на спад до 9-8.5в.
не маловато мосфету напруги на затворе?
после полуминутного включения ощущение, будто радиатор уже чуть теплым становится
Добавлено 23-09-2012 14:12
заменил C504 на новый К73-17 на 22нФ (другого под рукой не было).
на затворе Q507 амплитуда импульсов поднялась вольт до 12.
дальнейшие действия? включать надолго че-то срашно |
|
SanAlex Мастер Сообщения: 4333
|
| MainRooT писал: | | включать надолго че-то срашно |
Значит включай ненадолго. На коллекторе HOTа что? Делителем смотри. И в свое время среди 2SC3998 было немало палева. |
|
MainRooT Участник Сообщения: 1222
|
SanAlex, погляжу ближе к вечеру.
а c504 пленочный под сомнение сразу подпал. обмерил - он 9нФ, но возможно еще и ЕСР повышенный. не знаю чем мерить ЕСР у таких мелких ёмкостей. потому поменял неглядя на новый 0.022мкФ. на затворе q507 напруга повыше стала. возможно, со старыми литами в питании ему и вовсе было мало напруги на затворе, оттого и шибало.. включение такое...  |
|
MainRooT Участник Сообщения: 1222
|
Осциллограмма с коллектора Q508.
амплитуда импульсов около 430-450в, частота импульсов 48кгц. в открытом положении падение напряжения на переходе коллектор-эмиттер транзистора 2-3в.
на всплеск в начале осциллограммы не обращайте внимание, софтина так сработала.
что скажете?
 |
|
SanAlex Мастер Сообщения: 4333
|
Чем смотрел? Делителем? 430 - 450V - очень мало, должно быть 1000 - 1200V. Затяжка заднего фронта тоже не есть хорошо. Выкладывай осциллограмы в базе HOT-а. |
|
MainRooT Участник Сообщения: 1222
|
| SanAlex писал: | | Чем смотрел? Делителем? 430 - 450V - очень мало, должно быть 1000 - 1200V. Затяжка заднего фронта тоже не есть хорошо. Выкладывай осциллограмы в базе HOT-а. |
делитель самопал. два резистора - 200кОм и 20кОм. не мог же я таким сопротивлением задавить амплитуду там?
как может быть 1000-1200в, если у транзистора максимальная напруга коллектор-эмиттер 800в?
http://www.audiolabga.com/pdf/2SC3998.pdf
у 2sc5707 аналогичные параметры
Добавлено 26-09-2012 14:33
база q508 относительно эмиттера.
на рисунках сетка чисто условная, софт её такую рисует. она не кратна вольтам.
отсчет от нуля.
положительная волна амплитудой около 1.2в, отрицательная: первая ступень около -3.8в, вторая (два "пика") около -8.5в. периодичность импульсов 20-22мкС
 |
|
SanAlex Мастер Сообщения: 4333
|
Выкинь свой самопал и работай нормальным оборудованием. Иначе говорить не о чем.
Там 1000 вольт, я знаю о чем говорю. Теорию транзисторов ищи сам, в каком режиме там не более 800 вольт.
Чего то главного в ремонте ты пока не понял. |
|
MainRooT Участник Сообщения: 1222
|
| SanAlex писал: | Выкинь свой самопал и работай нормальным оборудованием. Иначе говорить не о чем.
Там 1000 вольт, я знаю о чем говорю. Теорию транзисторов ищи сам, в каком режиме там не более 800 вольт.
Чего то главного в ремонте ты пока не понял. |
чем на столь невысокой частоте плох обычный резистивный делитель? |
|
SanAlex Мастер Сообщения: 4333
|
А как ты думаешь, почему эти два резистора в магазе стоят от 700 до 1200р? |
|
MainRooT Участник Сообщения: 1222
|
| SanAlex писал: | | А как ты думаешь, почему эти два резистора в магазе стоят от 700 до 1200р? |
технический склад ума подсказывает, что:
а) из-за бОльшей точности;
б) из-за возможности измерения более высоких частот.
и первый и второй пункты в данной задаче не особо необходимы, имхо.
сейчас возьму у друга потаскаться нормальный поверенный делитель, коли так необходим |
|
MainRooT Участник Сообщения: 1222
|
короче, делитель друга с моим осцем делит нифига не на 10... так что, с ним получаются еще большие "попугаи".
так что, либо отталкиваться от данных моих измерений, либо давайте перемеряю с бОльшим сопротивлением делителя
Добавлено 27-09-2012 12:32
перемерил 1:100. (2МОм:20кОм). картина аналогичная. |
|
SanAlex Мастер Сообщения: 4333
|
MainRooT, Вопрос вообще не в величине сопротивлений. Должно быть согласование с кабелем. Кабель там тоже не просто две проволочки. Для интереса, если подвернется случай, померяйте сопротивление его центральной жилы. Ваша лабуда плюс ко всему еще и фронты заваливает. О чем говорить? |
|
MainRooT Участник Сообщения: 1222
|
| SanAlex писал: | | MainRooT Кабель там тоже не просто две проволочки. Для интереса, если подвернется случай, померяйте сопротивление его центральной жилы. Ваша лабуда плюс ко всему еще и фронты заваливает. О чем говорить? |
да тут жеж всего 40кгц...
в общем, тут такое дело... клиент звонил...
либо еще что-то поглядеть... либо через 4 часа он забирает мон |
|
MainRooT Участник Сообщения: 1222
|
мон забрали.. что из этого выйдет - отпишусь, клиент на связи будет держать. |
|
MainRooT Участник Сообщения: 1222
|
все хорошо, мон еще жив
тема решена |
|