| Автор | Сообщение |
Amus Участник Сообщения: 924
|
Нужно сообразить трехканальный таймера до 60мин в одном корпусе.
Можно соединить 3шт с общим питанием и сиреной, но я решил выбрать вариант с одним МК.?
В нете готового решения не нашел, пришлось соображать с нуля.
Пока не влез в дебри, хотел услышать ваше мнение, и по ходу возникают вопросы. ?
Спасибо.!

|
|
Klop Участник Сообщения: 616
|
3 таймера с общим синхронным стартом подачей питания?
Ури, где кнопка? |
|
Amus Участник Сообщения: 924
|
При вкл питания таймеры отключены, каждый имеет по две пныпочки,
«+» запускает таймер, «-» выкл, при удержании +/- происходит изменения установленных минут.
За 30сек до истечения времени срабатывает пищалка, если вовремя не среагировали то вкл. сирена.  |
|
Klop Участник Сообщения: 616
|
| Amus писал: | | «+» запускает таймер, «-» выкл, при удержании +/- происходит изменения установленных минут. |
не удобно!
кнопка СТАРТ должна быть отдельно от установок, ну может быть многофункционал Старт->Пауза->Стоп. |
|
Amus Участник Сообщения: 924
|
Таймер нужно установить рядом с 3х камерной печкой для хлеба, родной был только один и совмещен с терморегулятором (совсем накрылся),
и управлялся всего одной кнопкой. Хозяин попросил установить по 4 кнопки (пуск, стоп, + и -), разве что +/- сделать общими,
а то работники постоянно путали...  |
|
Klop Участник Сообщения: 616
|
Логично, коррекция уставки выбранного канала возможна , например, только при удерживании кнопки "стоп-сброс до уставки" выбранного канала.
+\- общие.
Отпустил Стоп записал выдержку в ЕЕПРОМ -и она стала "по умолчанию" для этого канала. |
|
Amus Участник Сообщения: 924
|
| Amus писал: | | Можно соединить 3шт с общим питанием и сиреной... |
Такой вариант имеет и плюсы, а вот над управлением надо еще покумекать, как вариант – энкодер или скролл ( датчик перемещения от мышки).  |
|
Amus Участник Сообщения: 924
|
Энкодер с кнопкой - в протеусе, рабочий для демонстрации...
Taimer 1 encoder.rar 36,6 КБ Скачано: 459 раз(а)
|
|
Amus Участник Сообщения: 924
|
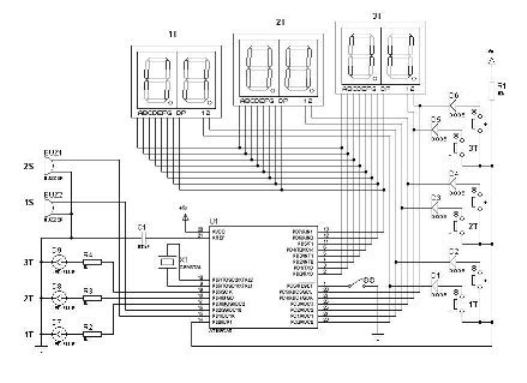
Зацените , правда это еще не окончательный вариант. Генератор – внутренний на 4мГц…
Для управления выбрал 2 кнопки (1- запутано, 3 -всего 9шт, многовато будет),
при удержании (+) или (-) более 3сек – установка времени…
Добавлено 28-12-2012 03:22
Скооперировался с Rusion, так как в программировании не силен, и вот что получилось:
- При включении загораться две черточки (--), если во время работы таймера пропала питание,
то при его появлении звучит сирена и дополнительно горит точка(-.-). При удержании (+) или (-) коррекция времени…
Последняя минута – секундный отчет с учащенным бипером, при (00) звучит сирена
и если не нажать (Stop) то начинается мигающий обратный отчет (-Х). |
|
Amus Участник Сообщения: 924
|
Опытный образец с тремя таймерами в одном корпусе уже месяц как пашут.
Заказчик доволен, и я в свою очередь хочу отблагодарить советчиков.  |
|
pavel-pervomaysk Your editor Сообщения: 8037
|
Amus, поздравляю, если будеш писать регулярно, а потом глянеш на свой код через годика 2, повеселишься  |
|
Jael.Dace Участник Сообщения: 510
|
Amus, общие аноды желательно через транзисторы включить, иначе, в зависимости от количества засвеченных сегментов, будет меняться яркость. Ну и на порт нагрузка будет меньше.
pavel-pervomaysk, а где вы код видите? В теме не нашёл. Или это так, предположение, основанное на своём опыте/опыте знакомых?) |
|
Klop Участник Сообщения: 616
|
Jael.Dace, использование транзисторов в запитке ОА индикаторов не избавит от необх. наличи токоогр. резистора.
По этой причине яркость будет меняться и в том случае.
Тинька вытягивает разряд.
НО нельзя исключить что Amus, выводит инфо посегментно а не скопом. или поставил резисторы в сегменты -
и мы оба сели в лужу.
| pavel-pervomaysk писал: | | повеселишся |
ага, особенно если код без коментов.
Работает - зак доволен, работа оплачена (и не обяз. деньгами) - значит все получилось! |
|
Amus Участник Сообщения: 924
|
pavel-pervomaysk,Бывает и на второй день не помнишь… особенно после вчерашнего.
Jael.Dace, Klop, Сразу видно, рубите! Схема с протеуса, а там и без резиков пашет.
А окончательно выбрал индикатор с ОК, на аноде 8 резистора, хотя так и не понял какой из 4 вариантов наилучший
(с ОА, ОК, с двумя транз. или без, тоже рулит), так как на практике пробнул все и "никакой разницы, тогда зачем платить больше"?
а на остальные выводы МК по транзистору, на всякий пожарный...  |
|
Amus Участник Сообщения: 924
|
|