DataSheet SPCA1528A
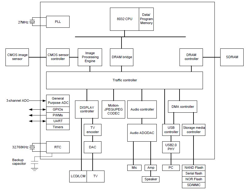
Digital Still Camera ControllerThe SPCA1528A is a low cost digital still camera SoC, which features with a full set of components required in a digital still camera system. The SoC has embedded with Sunplus high quality image processing engine, high- speed JPEG CODEC and a wide range of peripheral interfaces, making a low cost DSC easy to be realized.
Последние запросы схем и прошивок
-
Г.У BZ9831 MERS ML350 cpu R8A77701B datashitДаташит проца нужен для определения питания - по факту на проц приходит 3.3в 2.5в и 1.37в - ?????? вла, смотри серию SH7770 (Renesas SoC - R8A)segor
-
Philips 40PFL5527 nand шасси Q552.4E LAну вот с платы которая с часами висящими нанда Micron программатор около 2000 нашелARTHUR
-
-
Sharp LC-70LE835E прошивка T-CONУже думал. Это как призрачная надежда на простое решение проблемы..tom333
-
Sony KDL-40X2000 ищу прошивкуНе уж то ни у кого не валяется в закромах такая плата или панелька отсутствует у программатора ,по любому валяется эта плата у кого то под ногами? Отзовитесь! ((mars7.7
-
Fusion FLTV-42T25 v1n05 шасси 40-T31T0T-MAB2HG нужна прошивка W25Q64Fusion FLTV-42T25 v1n05 шасси 40-T31T0T-MAB2HG панель LFT420CMOT виснит на заставке. Пробовал три разных прошивки: на первой вообще не вкл. с клавиатуры(пульта нет); на второй вкл. - подсветка есть, а изображения нет; с третьей - вкл.,все функции работают, но при поиске...vialme
-
DEXP F32D7200C SPI FLASH 25Q64 прошивка телевизораСергей1959, капслок залип? Чо орёшь? Свою предъявляем.И90