DataSheet DDA014
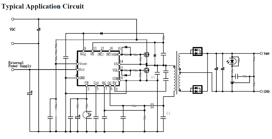
Controller IC for Current Resonant Type Switching Power Supply with Half-Bridge Resonance, High Efficiency and Low NoiseFeatures
- Soft-Switched Multi-Resonant Zero Current Switch (SMZ) The zero-current switching (ZSC) and zero-voltage switching (ZVS) of half-bridge type resonance achieve the high efficiency and low noise systems.
- Automatic Dead Time Adjustment Function for Wide Resonant Conditions
- Burst-Oscillation Function The function enables the stable output control at no load to light load conditions and improves the efficiency.
- Soft-Start Function
- Brown-In / Brown-Out Function The function enables the oscillation start /stop by externally rated input voltage and makes protections at low input voltage.
- External Latch Protection (ELP)
- The function enables the latch shutdown by external signal.
Информация Аналоги Чем заменить Параметры Схема включения Как проверить Маркировка Где купить
Последние запросы схем и прошивок
-
Решено Схема на Мультиметр ZOYI ZT300ABа второй это фотография платы Там Дополнительно на фото не отмечена авторская нумерация переключателя Режимов ?.............. Всё понял ...... Спасибо за дополнение !!MMMMAX
-
Решено Hyundai h-led50eu7008 Прошивка.Hardmaster, добрый день,такая же ситуация как у вас 1в1,подскажите в какую сторону копать?прошивку запросил у техподдрержки-но когда она ответит неизвестно,состав телевизора полностью соответствует вашемусергей 1263
-
Sony KE65A8, шасси GN6UR, ищу прошивку Tcon EMMC U3 KLM4G1FETE-B041Пока не смотрел, -так будешь смотреть? Ну или кинь оба дампа, посмотрят те, кто понимает (я не про себя) ).Vlad-1966
-
-
PHILLIPS 47PFS7309/60, шасси TPM14.2, дамп EMMC, лог (или настройки) EMMC, лог ТВСаша, спасибо! Этот давно скачал. Забыл указать. Мне хотя бы парочку нужно. Думаю догадываешься зачем?ua3qgx
-
-
Ищу схему телевизора Mystery MTV720Спасибо, но вроде как процессор другой. Требуется MST720-A-LF и звук TDA7052AйегреС