Файлы  •  Ссылки  •  Прошивки  •  Правила  •  Архив  •   FAQ  •  Участники  •  Поиск
Регистрация  •  Вход

Помогите опознать SMD диоды MELF

Список форумов» Элементная база бытовой радиоэлектроники
АвторСообщение
Encoder
Новичок
Сообщения: 6




18-08-2014 16:16

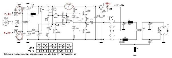
Предварительный усилитель AT8542 конденсаторного микрофона Audio-Technica ATM-350 с фантомным питанием 11-52v зашумел. Причины или в значительном превышении питающего напряжения , или в неправильной распайке кабеля (смена полярности).
Были выявлены диоды V1 , V5, V6 . V1 корпус вероятно SOD80 три полосы - чёрная(катод) и 2 жёлтых. V5,V6 какой-нибудь micromelf - квадратный в сечении с одной синей полосой у катода..


Схему нарисовал, могут быть неточности, но в принципе думаю понятно. Таблица снята с исправного преампа и по-моему говорит что V5,V6 стабилитроны..??
Пересмотрел цветные кодировки , но разобраться не смог.


Nobody
Nobody cares
Сообщения: 3270




24-08-2014 16:29

Что, три диода 1n4148 не решают проблему?
Да снимите с живого этот "стабилитрон" и постройте его ВАХ, сразу всё прояснится. улыбка
Список форумов» Элементная база бытовой радиоэлектроники» Помогите опознать SMD диоды MELF
Перейти:  
Текущий раздел» Элементная база бытовой радиоэлектроники (Элементная база - функциональные особенности, параметры, аналоги, взаимозаменяемость, качество )


Похожая информация:
  • Помогите опознать диод MELF (DO-213AB) по цвету
  • Помогите опознать СВЧ диоды
  • Помогите опознать smd диоды A3 и A1
  • Помогите опознать диоды
  • помогите опознать старые диоды








  • Информация по ремонту для специалистов - справочники, инструкции, энциклопедия, советы и секреты ремонта,  настройка, сервисные режимы
    Powered by phpBB 2.0.18 © 2001, 2002 phpBB Group!