Файлы  •  Ссылки  •  Прошивки  •  Правила  •  Архив  •   FAQ  •  Участники  •  Поиск
Регистрация  •  Вход

замена частотника INVT CHF100A 2R2G4 не наступите на грабли

Список форумов» Флейм» Технофлейм
АвторСообщение
dimaps
Предупреждений: 1
Предупреждений: 1 
Сообщения: 533




04-08-2018 17:50

http://monitor.net.ru/forum/viewtopic.php?t=634623

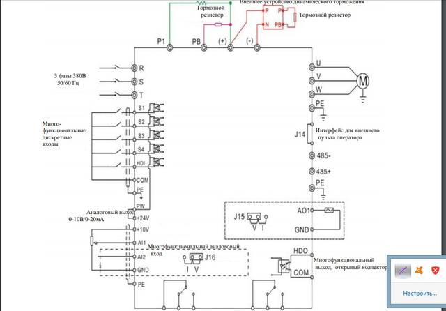
старую тему подымаю..Не знаю, может кому пригодиться.. Может кому пригодится по CHF частотникам? INVT CH - без А

Многофункциональные входы S - только - 4шт, а у SHF100А - их- 7. В связи с этим производителям оборудования на 100 - без А приходится задействовать HD1 - высокочастотный импульсный вход,( впрочем и в бинарный перепрог), При замене на SHF100А http://en-el.ru/files/File/invt/CHF100A_manual_rus.pdf частотник (с родной программой они используют S4 или другие входы S4-S7.

.
В Итоге при замене 100 - безА на 100А - надо проводок цеплять на свободный S!
Список форумов» Флейм» Технофлейм» замена частотника INVT CHF100A 2R2G4 не наступите на грабли
Перейти:  
Текущий раздел» Флейм» Технофлейм (Различные обсуждения на технические темы)








Информация по ремонту для специалистов - справочники, инструкции, энциклопедия, советы и секреты ремонта,  настройка, сервисные режимы
Powered by phpBB 2.0.18 © 2001, 2002 phpBB Group!