| Автор | Сообщение |
ALEXEY23 Новичок Сообщения: 8
|
Описание основных элементов:
Main board:5800-A8M26D-0020
PSU: MST6E181VS-LF-Z1
T-con: V320BJ2-XC01
Panel:V320BJ2-P01
Состав T-con:
LVDScontr CM2801B
DC-DC CM501
На T-con присутствует только 12 вольт.На 9н CM501 0 вольт.На VREF был пробитый кондёр. Выходных напряжений нет. Сам CM501 менял, но толку нет. Подскажите советом. |
|
rammer monitor.net.ru  Сообщения: 7202
|
| ALEXEY23 писал: | DC-DC CM501
На T-con присутствует только 12 вольт.На 9н CM501 0 вольт.На VREF был пробитый кондёр. Выходных напряжений нет. |
ALEXEY23, разбирайся откуда берётся логическая единица на 9-pin для включения CM501 => MAX17114 ...
Добавлено 27-04-2017 11:46
| ALEXEY23 писал: | | На VREF был пробитый кондёр. | так же советую более тщательно проверить все выходы с микросхемы на предмет К.З или не реально низкого сопротивления нагрузки , лучше всего это делать до установки новой микросхемы на плату T-con что бы не сжечь новую и ценную микросхему ... |
|
tipelo Забанен  Сообщения: 17
|
Хорошо смотрите,обычно прагар на планке. |
|
ALEXEY23 Новичок Сообщения: 8
|
логическая единица идет через 20 омный резистор с 20 pin CM1685A. К.З на выходах нет, проверил несколько раз. Прогаров невидно. Подавал 9пин CM501 3.3 вольта реакции ноль. |
|
ALEXEY23 Новичок Сообщения: 8
|
Запустил преобразователь. Поставил старую CM501, а новую пальнул по входу. Только на экране справа столбец с полосками а при нажатии на шлейф пропадает.Придется отдать так. |
|
ds2010 Участник Сообщения: 223
|
Бампну топик, бо есть вопрос по теме.
rammer, cm501 и MAX17114 - они ПОЛНЫЕ эквиваленты?
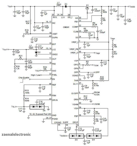
По даташиту выходит, что да, "но есть нюанс". Если ты посмотришь на свою первую картинку, которая zaenaelectronic, то увидишь, что там отсутствует 21-я нога. В MAX17114 она называется VL. Это 5-вольтовое внутреннее питание, из которого потом получается REF (не путать с VREF). Эта напруга (VL) используется только внутри микросхемы, а даташит на MAX17114 предписывает просто через кондюк соединить 21-ю ногу с землёй, и на ней должно быть 5В. Ну, может, забыли нарисовать для cm501-й, но...
Я это всё к чему? В теле, который щас у меня в ремонте, стоИт CM501, и его 21-я нога тоже через кондюк брошена на землю. Но! На ней - 0 вольт.
Это при том, что REF (1.25В) - живее всех живых!
Вот я и думаю - это просто в CM501 питание VL не выведено на 21-ю ногу, как это сделано в MAX17114, или мелкосхема убилась (но почему тогда есть REF на 46-й ноге?)
А неисправность - CM501 стартует, VOUT (3.3B) присутствует, а вот VAVDD чоппер (как и VGH) заводится буквально на 10 милисекунд, и потом затыкается.
В процессе замеров я и нашёл, что на 21 ноге (VL) ничего нет, а на 46й (REF) - нормальные 1.25В, хотя по логике, они образуются из VL, и их тоже быть не должно.
Как думаешь, это разница в дизайне м/схем или это моя cm501 дурит?
ALEXEY23, если ещё не закрыл и не отдал тел - если не в лом, померяй плз напругу на 21-й ноге рабочего cm501 - там 5В или ноль? |
|
rammer monitor.net.ru  Сообщения: 7202
|
Что бы не задавали больше вопросов сообщаю :
микросхемы CM501 = MAX17126A = MAX17126B (MAX17126BETM+) = AT6861AAQ = G5562A аналоги от разных производителей ! |
|
|