| Автор | Сообщение |
Here.he Гость 95.104.*.*
|
Нужно попытаться оживить, возможно и второй...
Тест печатаем вот так
Это как будто форматтеру трындец.
В каком направлении покопать?
Есть ли в природе схемы, возможно есть какие-то клоны, или почти, по "электроначинке"?
Что за процессор там, на что похож моторольного? Возможно, получится чуть допилить софт, если документация и IDA под него есть.
Что там за память дополнительная, разъём PCMCIA или похож?
В картиридже дополнительной памяти что есть - типа SPD или какая-то коммутация, чтобы процессор понял, что памяти добавили? DRAM пятивольтовой я допаяю и поверх, как заставить её увидеть?
Как тестовый девайс называется я думаю в сервисмануале найду - там автономный девайс или программно-аппаратный? Как программа тестово-настроечная называется, дабы погуглить?
Завтра ещё 6L заберу, мне два надо, условно рабочих.
Аналогичная тема есть в Технофлейме, Геннадий, давай чинить форматтер, если ты не против.
Пока почистил только, измерения и наблюдения в процессе... |
|
_Suhov_ Участник Сообщения: 927
|
проблема к форматтеру не имеет ни малейшего отношения. С картриджем разберитесь. Высокое шьет и шьет конкретно |
|
Here.he Гость 95.104.*.*
|
Чё вы все до картриджа доколупываетесь? Путаете белые полосы с черными. Проверка элементарна - посветить на барабан внешним источником света - если выйдет равномерно черный лист, значит картридж, высокие, тайминги высоких - работают.
В этом случает у форматтера действительно сносит крышу, потому что виноват полигон - крутится не в lock своей ФАПЧ и отсель BDI "не той системы".
Это просто лазер зажигается, поэтому и полоса чёрная, как положено. А бумага - белая.
Либо говнопанасовский AN8247 навернулся, либо глина какая потекла в его ФНЧ, буду посмотреть.
А пока, с форматтером - [РЕШЕНО], работает он. |
|
Владимир Анатольевич Участник Сообщения: 2011
|
Зарядник в картридже заменить на другой, исправный.
Не путать с магнитником.
Плата DC-контроллера совпадает с Canon LBP-460 один-в-один. Картридж кажется тоже. Про картридж на 100% не помню.
Разрешения разные. НР - 600,Сапоп - 300 дипиаев.
Также обратить внимание на контакты на плате и пружинки в корпусе(ответка). Спиртом поверхности
В электронику пока рано лезть. Угомонись. |
|
Here.he Гость 95.104.*.*
|
Его мать!
Но сейчас ещё ДХ для очистки совести проверю
Добавлено 11-12-2013 03:01
Владимир Анатольевич, нахер пшол. Именно ты. |
|
Владимир Анатольевич Участник Сообщения: 2011
|
| Here.he писал: | | Чё вы все до картриджа доколупываетесь? |
Зарядник поменять две минуты дела. По деньгам 1-2 бакса.
Притом, что можно временно подкинуть с другого картриджа, а потом вернуть взад.
А с лазером секас...
Зато всё четко станет понятно.
Добавлено 11-12-2013 02:05
Here.he, да нет вопросов. Мудохайся. |
|
Here.he Гость 95.104.*.*
|
|
_Suhov_ Участник Сообщения: 927
|
не может лазер давать черноту без полей. А проверяется работа лазера очень легко- положите бумажку между лазером и картриджем на пути луча. Если в этом месте будет белая полоса- то виноват лазер, а если все равно будет чернота- тогда к лазеру нет ни каких претензий. И еще- объясните мне тупому- как драйвер полигона может рисовать черные полосы? Он всего лишь крутит движок
В остальном согласен с Владимир Анатольевич, да нет вопросов. Мудохайся.
Если не можете определиться с чем боретесь - с полосами, или со смещением изображения в http://monitor.net.ru/forum/goto.php?url=http://4put.ru/view-max-pictu ... то помочь сложно. Вы картинки с проблемами выкладывайте сразу, а не через четыре часа |
|
Kozzy Участник Сообщения: 60
|
| _Suhov_ писал: | | не может лазер давать черноту без полей. |
Еще как может. Было подобное, как у автора, только с самсом 1615. Виноват был полигон. Чистка-смазка помогла.
Вы заведомо исправный картридж ставили?
А по поводу драйвера согласен с _Suhov_, он скорее всего не причем. |
|
Here.he Гость 95.104.*.*
|
| _Suhov_ писал: | | Вы картинки с проблемами выкладывайте сразу, а не через четыре часа |
Картинки фотографируются сразу, как появляется информация для поста.
| Kozzy писал: | | Еще как может. |
Этому ничего в схеме принтера ни по механике, ни по электронике не препятствует. Конкретно с 5L и теперь 6L - достаточно подать /LON и /VDOUT и лазер светится постоянно. Сомневаюсь, что в других принтерах устроено иначе.
В 8247 фаза одна отличалась от других осциллоскопно и драйвер подкорачивал двигатель даже без питания, что заметно по выбегу.
Доб. Всё забываю написать. Полигон крутился, по ощущению, быстрее(почему и проверил обвязку на утечки емкостей ФНЧ), чем надо и разгонялся к концу листа.
| _Suhov_ писал: | | ... как драйвер полигона может рисовать черные полосы? Он всего лишь крутит движок |
Вот смотри. Формирование изображения в лазерном принтере не первично - первична механика.
По строке - разгоняется полигон, встаёт в свой ФАПЧ, в определенное время в пределах оборота зеркала появляется сигнал BDI дающий форматтеру понятие о начале или конце активной строки.
Она, строка активная, находится между двумя сигналами BDI с фиксированными времянками, зависящими от конструктива. По BDI работает ФАПЧ форматтера, создающая частоту выборки изображения из памяти.
Если BDI будут хаотичны, то у ФАПЧ выбора изображения крышу сносит, и мы видим колебания как тут. Начало изо в разных местах по горизонтали циклично, растяжки разные, зависания во включенном и выключенном состоянии лазера и пр.
По таходатчику двигателя полигона синхронизировать ФАПЧ форматтера нельзя - движок очень кривой электромагнитно и на тахосигнале бешеный джиттер.
Поэтому синхрят от BDI - он "сглажен" маховиком зеркала и ротора.
Добавлено 11-12-2013 13:11
Это точно. Придётся городить городушки из подходящего драйвера pmsm-motor со встроенным ЧФД, что найдётся в хламе подходящего.
Добавлено 11-12-2013 13:28
| Kozzy писал: | | Вы заведомо исправный картридж ставили? |
Ребята, да не причём тут картридж Вот пару листов, надстольный свет забыл выключить...
Нормальный картридж средней убитости. Да и нету у меня другого 

|
|
myth Предупреждений: 1 Сообщения: 5313
|
Закрой бумагой лазер-получи белый лист... |
|
Here.he Гость 95.104.*.*
|
Нишмагла©
Драйвер отпаян, аппарат вываливается в ошибку то ли без бди, то ли без тахосигнала, то ли без всего вместе.
Как запущу полигон, сделаю. |
|
myth Предупреждений: 1 Сообщения: 5313
|
Впаяй драйвер на место... |
|
berdyanec Рыбный кок Сообщения: 1868
|
Here.he, ты еще не пробовал прошивку поменять? Щас это модно
| _Suhov_ писал: | | проблема к форматтеру не имеет ни малейшего отношения. С картриджем разберитесь. |
| Владимир Анатольевич писал: | Также обратить внимание на контакты пружинки в корпусе(ответка).
В электронику пока рано лезть. Угомонись. |
| myth писал: | | Закрой бумагой лазер-получи белый лист... |
|
|
Here.he Гость 95.104.*.*
|
| myth писал: | | Впаяй драйвер на место... |
Да ну его нафиг, дороги жечь лишний раз. Я с установки снял целиком на подкид, от 5л.
Белый лист слева - накрыл картридж сверху, промеж лсу, одной из чёрных бумажек и свет выключил
Достали вы мня своим катриджем 



|
|
berdyanec Рыбный кок Сообщения: 1868
|
Here.he, Судя по твоим постам, ты крутой электронщик! Ты зачем здесь задал вопрос? Чтобы аппарат отремонтировать, или свои познания выпереть?
Замена картриджа, на 90% решит проблему. Замени, потом отпиши.
и не гони на инженеров, тебе стараются помочь. |
|
Here.he Гость 95.104.*.*
|
Колхозить буду HA13441 чуть позже. Должна, мсм, 1:1 электрически подойти(коэфф деления).
Как в 6L счетчик листов отпечатанных посмотреть?
И на вопрос про картридж памяти, что ещё в животике кроме DRAM, ответьте, если под рукой есть.
И про настроечный разъём/софт.
Добавлено 11-12-2013 18:12
| berdyanec писал: | | Замена картриджа, на 90% решит проблему. Замени, потом отпиши. |
Я тебе в технофлейме матом отвечу, если настроение будет, меняльщик картриджЭв... |
|
berdyanec Рыбный кок Сообщения: 1868
|
Посмотрел твои картинки. НЕ ВЕРЮ!!! Если бы LSU так чудил, получили бы фатальную ошибку(три глаза). |
|
Here.he Гость 95.104.*.*
|
| berdyanec писал: | | НЕ ВЕРЮ!!! |
Мне что, ещё сплясать тебе, чтобы ты поверил?
Полигон крутился, но не в lock
Добавлено 11-12-2013 18:14
BDI были. Видать такая проверка на ошибку, поверхностная. Это мне хорошо, полезно что частоты ещё не мерит... |
|
berdyanec Рыбный кок Сообщения: 1868
|
Посмотрел твой профиль: Любимый раздел: Флейм [сообщений: 745]
Иди во флейм, пока дальше не послали.... |
|
Here.he Гость 95.104.*.*
|
Иди туда же, куда пошёл балабол. Балаболам вместе по пути.
И там вдвоём меняйте картриджЫ, ЫнжЫнерА  |
|
berdyanec Рыбный кок Сообщения: 1868
|
| Here.he писал: | | Владимир Анатольевич, нахер пшол. Именно ты. |
| Владимир Анатольевич писал: | | Here.he, да нет вопросов. Мудохайся. |
| _Suhov_ писал: | | В остальном согласен с Владимир Анатольевич, да нет вопросов. Мудохайся. |
Мудохайся, только свали отсюда в свой любимый "флейм".
Добавлено 11-12-2013 17:24
Дальше писать, нет смысла. Модератор почитает, тема в мусорку! |
|
Here.he Гость 95.104.*.*
|
Геннадий, зачисть пожалуйста этого этих воинствующих долбоёбов, и этот пост.
Случай интересный, как выяснилось.
Добавлено 11-12-2013 18:47
| berdyanec писал: | | Дальше писать, нет смысла. |
из-за таких педерастов, как ты и анатолич, всунувших вонючий пятак в тему, и тема разрастается "верю- не верю" на 15 страниц, и народ уже в тематику боится писать, дабы шума в ушах и ряби в глазах от вас, "инжЭнеров", не было... |
|
Генчик Гость 92.231.*.*
|
А ну тихо, горячие эстонские парни! Будете ругаться, достанется всем!
Пускай Here.he сделает как считает нужным, а дальше по результату тему почищу.
berdyanec, если рассуждать чисто логически, то получается интересная ситуация. Эти принтера были куплены, по словам Here.he, на Авито за небольшие бабки. Как ты думаешь, продавец не попытался сначала подкинуть картридж?
Эти аппараты действительно неубиваемые, в них редко летит что-то кроме роликов и картриджей. Даже форматтер редко летит. Видимо поэтому ты и не сталкивался до сих пор с подобной неисправностью. Может это действительно драйвер привода полигона, а может и нет, будем посмотреть. |
|
Here.he Гость 95.104.*.*
|
Я только по делу, Геннадий
С меня - замена дефицитной у нас AN8247 на дефицитную где-нибудь ещё HA13441(в древнем HDD стояла) и отчёт.
Частоту Fclk (SCNCLK) в принтере намерил 1,732.650 Мгц. По идее, с 13441(там референсный делитель 2048) частота ЧФД будет ~846 Гц, а частота вращения с учетом 6-х импульсов на оборот ротора должна получиться 846/6=141 об/сек или 8460 об/мин. Вроде бы по ощущениям - 8500 об/мин "в пределах нормы".
Кто-нибудь мерил/знает частоту вращения полигона в этом принтере?
Добавлено 11-12-2013 23:51
Спасибо, что снёс тот пост, он, э-эээ, резковат
Добавлено 11-12-2013 23:54
| Here.he писал: | | Кто-нибудь мерил/знает частоту вращения полигона в этом принтере? |
Да-аааа Тихо шифером шурша... Вот же аппарат стоит, печатает уже с другой моторной платкой, сам и померю щас  |
|
Владимир Анатольевич Участник Сообщения: 2011
|
Оффтоп.
| Генчик писал: | | как считает нужным |
Это называется "удаляет гланды через задний проход". Ну не п.....с?
| Генчик писал: | | продавец не попытался сначала подкинуть картридж? |
Эти принтеры не пользуются спросом, т.к. медленныееееееееееееееее, файл большой могут распечатать со сбоем(или это у меня такой?), память к ним стоит не дёшево, LPT.
Тот же HP LJ1010 не будет портить нервы, даже если куплен за $100 (б/у имеется в виду).
Поэтому продавец и избавился от него за символическую сумму.
| Генчик писал: | | в них редко летит что-то кроме роликов и картриджей |
Есть LSU с рабочим полигональным, но с битым лазером. Вот не помню, от 460-го или 5L/6L.
Или даже второй есть. Но там кажется и полигоналка, и лазер. Уж не "сборная солянка" была?.. |
|
Here.he Гость 95.104.*.*
|
Намерилось 12690 об/мин, если 6 импульсов на оборот. Частота тахосигнала 1269 Гц = 211,5 об/сек
При опорной 1732666 Гц.
Если частота тахосигнала равна частоте сравнения, то 1732666/1269=1365,3790.... получается слабоокругляемый дробный коэффициент. то же самое дробное число получается на частотомере в режиме А/Б. Fоп/тахо... Ничего не понимаю, где ошибка? Не может же быть в AN8247 поглощающего счетчика какого?
9 катушек, три фазы, два полюса, так?
Завтра на свежую голову померю ещё BDI, так надёжнее, четыре грани у зеркала.
У HA13441 в датащите на японском написана формула, согласно которой надо х4 имеющуюся опорную, чтобы получить требуемые 12690 об/мин (?? )полигона. Геморрой, но не смертельно. |
|
berdyanec Рыбный кок Сообщения: 1868
|
| Генчик писал: | | А ну тихо, горячие эстонские парни! Будете ругаться, достанется всем! |
| Here.he писал: | | Владимир Анатольевич, нахер пшол. Именно ты. |
Так кто ругаться начал???
Пытаешся помочь,- тебя посылают...
Добавлено 12-12-2013 15:32
Я понимаю, что бывают нестандартные дефекты. Но ругаться зачем? Проверь, что советуют и отпиши. Дальше еще посоветуют. А если посылают на ЙУХ, извините, сами мудохайтесь.
Добавлено 12-12-2013 15:45
Добавлено 12-12-2013 16:05
| Генчик писал: | | а дальше по результату тему почищу. |
Зачем чистить? Удалить сразу. ИМХО. |
|
Here.he Гость 95.104.*.*
|
Померил /BDI, 846 Гц, /4= 211,5 об/сек ->таки 12690 об/мин крутится полигон.
Fоп/Fbdi = 2048 или на один оборот 512. Уже лучше, но с ФАПЧ полигона всё равно не понятно. Вернее, понятно, что делят на 3 в том или ином виде...
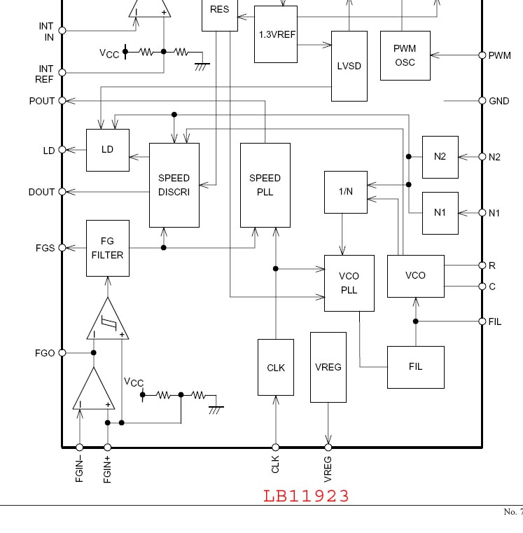
Почитал, попалась, про полигонмоторную LB11923 - взгруснулось... Там внутри VCO и целых два синтезатора частоты, могут быть хитрые коэфф. деления...
Кто их знает, что панасовцы там в 8247 наворотили, с них станется.
Походу, надо по сервисам местным пробежаться, сначала поискать AN8247, а то колхоз обещает быть несколько утомительным. |
|
Генчик Гость 92.231.*.*
|
berdyanec, поменьше обижайся и внимательнее читай. Замена модуля полигона от другого аппарата восстановила работоспособность. Нужно разбираться в людях, Here.he совсем не ламер, поэтому не надо ему давать советы как новичку. Я уверен, что контакты он проверил с самого начала.
Горчичник на 2 недели - это небольшое напоминание тебе, что не стоит указывать мне что я должен делать.
| Here.he писал: | | Походу, надо по сервисам местным пробежаться, сначала поискать AN8247, а то колхоз обещает быть несколько утомительным. |
Here.he, тебе уже говорили, что проще будет поискать подобный аппарат с другим дефектом на з/ч. Но если хочется потрахаться, почему бы и не поискать м/с.  |
|
Here.he Гость 95.104.*.*
|
| Генчик писал: | | что проще будет поискать подобный аппарат с другим дефектом на з/ч. |
Придётся скупить половину саратовских 5-6L, а их два-три на авито и за 30 баков он мне нафик не нужен .. Десятибаковые товары, продаваемые на авито или молотке, продаются as is на встрече "в переходе метро", где ничего не проверишь.
За этим я плутал по каким-то задворкам, подошёл к заводу, позвонил и мужик его вынес из проходной. Сказал "вроде работает". Ну ведь не наврал, действительно "вроде работает"
Добавлено 12-12-2013 20:40
В объяве, кстати, "плохо берёт бумагу, полосит" было написано, т.е. подразумевается стандартные болезни хлама - податчик и двадцать раз перезаправленный дома на кухне картридж. А тут, блин, драйвер. |
|
Генчик Гость 92.231.*.*
|
Here.he, покупка по объявлению всегда лотерея, может попасться в приличном состоянии с мелким дефектом, а может как у тебя. У нас на блошиных рынках то-же самое.
Но вероятность неисправности полигона действительно невелика, поломка реально редкая. |
|
|