| Автор | Сообщение |
Transformator Предупреждений: 1 Сообщения: 2895
|
Прямого попадания не было.
Прилетела наведенка по коаксиалу.
При включении изредка мигал светодиодом сети.
После диагностики выяснилось блок питания остался жив.
Напряжения у извлеченного и нагруженного блока +3,3V ,+5V, 12V.
При установке на штатное место напряжение гуляет в районе 0.3-0.8V по разным каналам.
Путем исключения выяснил садит блок по 12 вольтам.
Без подключенных 12 вольт рес стартует и становится в дежурку.
Демонтировал микросхему управления LNB поз обозначение DA2 наименование LNBP21PD.
Возвращено назад 12 вольт.
Рес весело стартанул и после 15-20 сек дымнул в районе DA2.
Рес опять ушел в коротыш по 12 вольтам.
Собственно ищется схема этого ресивера.
По дорогам не могу отследить что куда.
Монтаж сильно плотный.
За ранее спасибо.
В архиве не нашел схему. |
|
JeWell Гость 94.31.*.*
|
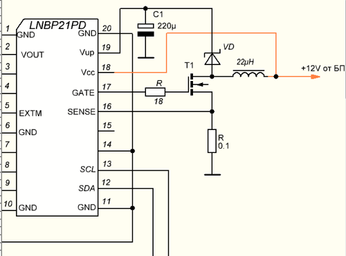
дак в даташите на LNBP21PD есть типовая схема её включения.
только сначала удостоверьтесь, что там осталось, что ремонтировать, ибо через ноги управления этой DA21 (она всё-таки не да2, а да21, во всяком случае, так она подписана на плате ревизии 0.02) может быть прибит проц.
& ... "за позднее пожалуйста" |
|
slav0n Участник Сообщения: 2505
|
| Transformator писал: | Демонтировал микросхему управления LNB поз обозначение DA2 наименование LNBP21PD.
Возвращено назад 12 вольт.
Рес весело стартанул и после 15-20 сек дымнул в районе DA2.
Рес опять ушел в коротыш по 12 вольтам. |
правильно, затвор полевика болтался в воздухе, нахватался открывающего заряда и канал пшикнул

|
|
Transformator Предупреждений: 1 Сообщения: 2895
|
slav0n, пасиб за кусочек схемки более чем понятно.
какой полевик под поз обозначением Т1 на вашей схеме
в смысле какой стоит в этом тюнере
ну а по сигналам управления это еще по GS первым аппаратам такого было полно.
удивлялся ну поставьте по стабилитрону защитному
пачками тюнера в дрова улетали с битым лнб и процом.
Все таки если есть схемка киньте для внутреннего потребления. |
|
slav0n Участник Сообщения: 2505
|
| Transformator писал: | | в смысле какой стоит в этом тюнере |
какой конкретно в этом тюнере не могу сказать.
А применить можно какой нибудь 30-вольтовый N-канальный MOSFET |
|
Transformator Предупреждений: 1 Сообщения: 2895
|
slav0n, ну также и я думал.
вероятнее всего поставлю с питальника проца майна ATX. |
|
manikogsm Участник Сообщения: 47
|
|
slav0n Участник Сообщения: 2505
|
| manikogsm писал: | | вот этот стоит |
хм... 4.6А... тогда и дроссель с токовым датчиком могли легко дымонуть |
|
Transformator Предупреждений: 1 Сообщения: 2895
|
поэтому и просил схемку
у меня ревизия MB_HD9300_R0.04
Сдох толи диод толи стабилитрон толи лавинный защитный диод поз обозначение VD4
JeWell, у меня микра LNBP21PD под поз обозначением DA21 недоглядел видимо под остатками флюса единица затесалась.....
токовый датчик R184 посредине дыра.
в начале видно единичку и в конце ноль.
Номинал непонятен.звонится как 0.25 ом
Думаю трупп.
Надо менять на что не знаю.Вероятнее всего 0.1 ом но та5ких никогда не встречал и не верится что такой может быть мелкий резюк такого номинала.
Пока некогда им заниматься урывками.
Дроссель думаю не успел.
Транзистор быстрее зажарился....
Сейчас самая загвоздка что ставить на месте R184 и VD4.
Потому как микруха LNBP21PD в единственном экземпляре и экспериментов может не перенести.А потом уже менять не на что будет.
Добавлено 02-08-2013 18:23
да транзистор сдох VT9
он раскачивается биполярником.
чуток не совсем включение согласно даташита
ну эт не страшно. |
|
manikogsm Участник Сообщения: 47
|
R184 15 1% 0805 тип VD4 ll43 BCP69 |
|
Transformator Предупреждений: 1 Сообщения: 2895
|
R184 странно
значит еще что то есть в коротыше.
ибо при пшаке резюков они стремятся в обрыв а не уменьшить сопротивление....
буду искать.....
Добавлено 03-08-2013 07:29
а это непонятно VD4 ll43 BCP69 --- вроде как гугль говорит что это транзистор.
в корпусе сот223.
Но никак не стекляха в корпусе как 1N4148
и непонятно все же если это токовый резистор то почему такое высокое сопротивление 15 ом.....
подтвердите или опровергните кто нить? |
|
manikogsm Участник Сообщения: 47
|
поторопился vd4 --ll43 vt9--bc69 r184 - 15, r185 - 0.1 |
|
Transformator Предупреждений: 1 Сообщения: 2895
|
manikogsm, ну вот теперь пасьянс сходится......
на днях займусь агрегатом. |
|
fisher33 Новичок Сообщения: 4
|
есть новая мама 9300 (бп нет -не включить) ежли есть вопросы что где стоит пиши |
|