| Автор | Сообщение |
MICHAIL Monitor's Killer  Сообщения: 3746
|
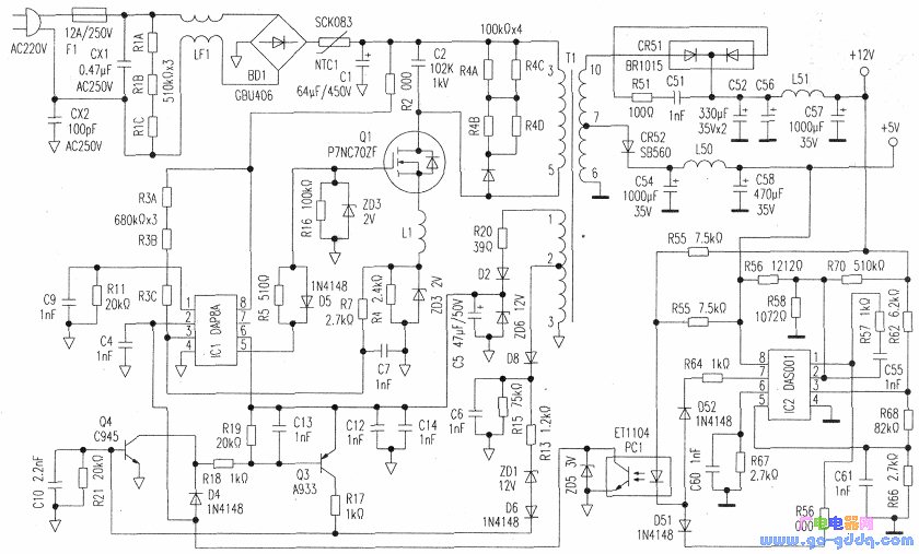
пипец тут какой-то,мало того,что про микру никто и ничего не знает, так еще и схемы секретные.Нужны типовые номиналы. |
|
Captain monitor.net.ru  Сообщения: 9965
|
MICHAIL, ну так дай шанс, скажи где их видел.  |
|
MICHAIL Monitor's Killer  Сообщения: 3746
|
БП монитора. ACER AL2021
это жопец... |
|
Here.he Гость 77.94.*.*
|
Дык в питальнике нотиковом поди Ищи, в цыклопедии есть, я что-то клал, какой-то цименцовский прототип у ней.
По фунционалу - гринмодь, аля тда 16848 или как её там инновационную 4501
Правда, я не уверен, что именно про 08 и ник не помню какой  |
|
MICHAIL Monitor's Killer  Сообщения: 3746
|
Была тема в Мониторах, о пищащем БП...потом я у клиента забрал моник.
Ну ситуация сама себя выдала. Накопление очень короткое, с нагрузкой растет частота. И трепыхается.
Причиной был почти короткий стабилитрон параллельно токовому резистору. Я и спросил про номиналы,что там за стабилитрон хоть, и без него работает.
Добавлено 21.11.2013 21:33
и еще менее понятно назначение npn транзистора в цепи от ШИМа до полевика. |
|
Captain monitor.net.ru  Сообщения: 9965
|
| MICHAIL писал: | | и еще менее понятно назначение npn транзистора в цепи от ШИМа до полевика. |
классичекое решение снять емкостную нагрузку от затвора на выход шима. Форсирование отключения, снятия напруги с затвора. |
|
MICHAIL Monitor's Killer  Сообщения: 3746
|
Нет. Так применяется PNP транзистор, коллектором вниз, эмиттером в затвор. Тут транзистор работает на открывание. |
|
rammer monitor.net.ru  Сообщения: 7044
|
| MICHAIL писал: | | Схемку типовую на DAP08 треба |
DAP08 = NCP1200AP40
DAP008A=NCP1200A БП.rar 82,02 КБ Скачано: 1818 раз(а)
|
|
MICHAIL Monitor's Killer  Сообщения: 3746
|
Увы.NCP именно такую я лепил,оно даже не подумало завестись. Я изучил материалы Пленума на этот предмет,прежде чем рыть... |
|
Tim_ Участник Сообщения: 1236
|
видывал DAP07 - в БП принтеров. Могу описать если надо, вдруг одинаковые. Китайцы кстати предлагают их как dap07/dap08 - один товар, должны быть одинаковые. |
|
Here.he Гость 77.94.*.*
|
| Captain писал: | | классичекое решение снять емкостную нагрузку от затвора на выход шима. |
только не на выход шима, а на землю, то есть с выхода шима
| MICHAIL писал: | | Тут транзистор работает на открывание. |
А как стоит, изобрАзить можешь?
Добавлено 21-11-2013 22:40
| MICHAIL писал: | | что там за стабилитрон | Да пох, на 2,7 - 3,3-5,1В. Типа защитит мс при вылете ключа и обрыве токоизмерилова. И защищает, огвоздившись. Хорошее решение с этим стабилитроном  |
|
rammer monitor.net.ru  Сообщения: 7044
|
|
Here.he Гость 77.94.*.*
|
DAS001 - ахуенно вдумчивая и всецело необходимая в своей исключительной полезности микросхема.
Напоминает панасовское, что ли, извращение в виде толстоплёночной резистивной гибридки и 431, которя в телеках по В+ стояла иногда
Добавлено 21-11-2013 22:59
Хм-мм, 08 не гринмодь. А какую ж я делал DAP с обратной связью по переменке с трансформатора? 012-ю, что ли... |
|
rammer monitor.net.ru  Сообщения: 7044
|
| Here.he писал: | | DAS001 - ахуенно вдумчивая и всецело необходимая в своей исключительной полезности микросхема. |
|
|
Here.he Гость 77.94.*.*
|
rammer, я в курсе, спасибо. 358и 431 вместо неё раскорячивал На втором экземпляре плюнул и поставил одну 431
tsm103_DAS001.pdf 93,06 КБ Скачано: 522 раз(а)
|
|
rammer monitor.net.ru  Сообщения: 7044
|
| Here.he писал: | | На втором экземпляре плюнул и поставил одну 431 | аналогично , чем искать оригинал , лучше за пол часа с чаепитием переделать . |
|
Here.he Гость 77.94.*.*
|
Оригинал - стм тсм103  |
|
rammer monitor.net.ru  Сообщения: 7044
|
| Here.he писал: | | Оригинал - стм тсм103 | и то и другое найти ещё постараться нужно ...
P/S: вот фото горячей части БП на DAP08 с читаемой маркировкой всех SMD элементов .
DAP08 IC1 + Q2 marking W2X.rar 337,26 КБ Скачано: 862 раз(а)
|
|
Here.he Гость 77.94.*.*
|
| rammer писал: | | и то и другое найти ещё постараться нужно ... |
та оно там нах не надь... Единственный плюс - отсеивает некоторое количество ламеров, да и в этом прок не особый - за 600 рублей в нашем сельпо можно купить новый китаепитальнег... |
|
MICHAIL Monitor's Killer  Сообщения: 3746
|
ыгы

|
|
Here.he Гость 77.94.*.*
|
WOW, мля. 08-я ключ открыть не тянет, костыль нать? |
|
MICHAIL Monitor's Killer  Сообщения: 3746
|
|
LB1290 Участник Сообщения: 222
|
Возился как-то с подобной пургой. И DAP ставил, и аналоги. Не запускалось. Трабл был в резисторе и параллельно ему стабилитроне в истоке транзистора. Низкоомный резистор оборвался, а стабилитрон пробился. Мультиметром показывало низкое сопротивление, думал, что там всё в норме. Оказалось - нет. |
|
rammer monitor.net.ru  Сообщения: 7044
|
|
Here.he Гость 77.94.*.*
|
| rammer писал: | | за пол часа с чаепитием |
Даёшь почасовую оплату не менее 20 баков в час! на руки...
Там вся пассивка для 431 есть, на любой вкус, ещё и "на чай" останется.
Добавлено 21-11-2013 23:52
| rammer писал: | | ещё одна ... |
Вызывает подозрение 7к5, пусть чуть в пополам, в аноде оптрона. Там CTR у оптрона крут безмерно?

|
|
rammer monitor.net.ru  Сообщения: 7044
|
| Here.he писал: | | Вызывает подозрение 7к5, пусть чуть в пополам, в аноде оптрона. |
Here.he, там в схеме явная оЧепятка , дважды R55 = 7,5 k указаны . |
|
Here.he Гость 77.94.*.*
|
|
rammer monitor.net.ru  Сообщения: 7044
|
MICHAIL, и последнее на закуску : ШИМ с маркировкой DAP08 не что иное как DAP008 = NCP1203


DAP008 marking DAP08.rar 242,27 КБ Скачано: 546 раз(а)
|
|
Here.he Гость 77.94.*.*
|
| Цитата: | | Customer Specific Device from ON Semiconductor | делать этим кустомерам нехрена... Поди DAP - инициалы любовницы шефа  |
|
MICHAIL Monitor's Killer  Сообщения: 3746
|
|
rammer monitor.net.ru  Сообщения: 7044
|
| MICHAIL писал: | | Эх, абанамат ... |
| MICHAIL писал: | | и еще менее понятно назначение npn транзистора в цепи от ШИМа до полевика. |

|
|
MICHAIL Monitor's Killer  Сообщения: 3746
|
Я включал , закоротив БЭ , осцилл разницы не выявил в стоке. Возможно по причине неродного полевика,каковой (родной) умер,не приходя в сознание,еще у клиента. |
|