Файлы  •  Ссылки  •  Прошивки  •  Правила  •  Архив  •   FAQ  •  Участники  •  Поиск
Регистрация  •  Вход

Помогите опознать D36W

Список форумов» Элементная база бытовой радиоэлектроники
АвторСообщение
elek_z
Участник
Сообщения: 71




18-07-2018 14:48

Всем привет!
Помогите опознать микруху от авторегистратора- зеркало
на плате U5 на микросхеме D36W (похоже на DC/DC)/
При включении белый экран

IMAG01021.jpg


IMAG01022221.JPG



segor
monitor.net.ru
/
Сообщения: 3562




18-07-2018 22:07

elek_z, и что можно увидеть на твоём фото?
ФАРТ
monitor.net.ru
/
Сообщения: 8169




19-07-2018 06:50

elek_z писал:
похоже на DC/DC)

И чем же оно похоже на???

2018-07-19_06-46-26.png



elek_z
Участник
Сообщения: 71




19-07-2018 11:56

Сори за фото.... мда...не похоже ... так что за микруха? Два дня уже по инету ищу..
segor
monitor.net.ru
/
Сообщения: 3562




19-07-2018 12:36

Сравни схему включения....


elek_z
Участник
Сообщения: 71




19-07-2018 12:36

segor,
спс...сравниваю...

Да! Это та самая схема включения. Спасибо!!!
Что за микросхема ? Похожа на стабилизатор?
segor
monitor.net.ru
/
Сообщения: 3562




19-07-2018 12:56

elek_z писал:
Похожа на стабилизатор?

Нет Нет
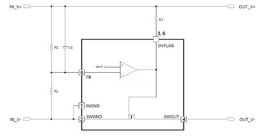
Это 36V Over-Voltage-Protector with 34mohm On Resistance - ETA7008 - http://www.sun-flytech.com/images/pdf/20160513aac71.pdf
elek_z
Участник
Сообщения: 71




19-07-2018 15:06

....мда....только по моей ...ничего нет в справочниках...интернета...
segor
monitor.net.ru
/
Сообщения: 3562




19-07-2018 15:08

elek_z писал:
мда....только по моей ...ничего нет в справочниках...интернета..

elek_z, чего нет?
elek_z
Участник
Сообщения: 71




19-07-2018 15:13

какие параметры моей?
segor, или это и есть ее маркировка? D36W=ETA7008
segor
monitor.net.ru
/
Сообщения: 3562




19-07-2018 15:27

elek_z писал:
какие параметры моей?

http://www.etasolution.com/w-en/index.aspx###

Распиновка, здесь - http://www.etasolution.com/w-cn/prod_det.html?id=79
elek_z писал:
это и есть ее маркировка? D36W=ETA7008

ETA7008 - Код = "D3"
6W - "6" = код года выпуска, "W" = код недели выпуска. См. даташит
Предвосхищая, следующий вопрос....
Заказать можно здесь - https://s.taobao.com/search?q=ETA7008&js=1&stats_click=search_ ...
elek_z
Участник
Сообщения: 71




19-07-2018 15:36

Огромнейшее спасибо!!! segor,
Я так понял аналогов нет и заменить тоже нечем....
segor
monitor.net.ru
/
Сообщения: 3562




19-07-2018 15:57

elek_z писал:
Я так понял аналогов нет и заменить тоже нечем....

Функциональных аналогов предостаточно, а вот полных, с учётом параметров и распиновки - большой вопрос.
Доктор
аналогопатолог
аналогопатолог
Сообщения: 6236




19-07-2018 16:22

elek_z, тему закрывать будем?
elek_z
Участник
Сообщения: 71




19-07-2018 18:03

Закрываем....
Еще раз огромное спасибо segor за помощь и создателям за отличный сайт!!!
Список форумов» Элементная база бытовой радиоэлектроники» Помогите опознать D36W
Перейти:  
Текущий раздел» Элементная база бытовой радиоэлектроники (Элементная база - функциональные особенности, параметры, аналоги, взаимозаменяемость, качество )


Похожая информация:
  • Помогите опознать DC-DC
  • Помогите опознать ШИМ SOT 23-6
  • Помогите опознать м/сх
  • Помогите опознать Z 24 8-L
  • Помогите опознать ШИМ








  • Информация по ремонту для специалистов - справочники, инструкции, энциклопедия, советы и секреты ремонта,  настройка, сервисные режимы
    Powered by phpBB 2.0.18 © 2001, 2002 phpBB Group!