| Автор | Сообщение |
KENT Предупреждений: 1 Сообщения: 1384
|
Фотосенсор Camelion LXP-01 имеет простейшую схему.
- фотодатчик,
-транзистор,
- реле, включающее освещение,
- источник питания (AC220V - DC24V) из гасящего конденсатора и пары диодов с фильтруюшим конденсатором.
http://www.elitonshop.ru/product/fotosensor-camelion-lxp-01-elektronny ...
Предлагаю доработку.
Фотдатчик спрятать в термоусадку, светить на него светодиодом, который подсвечивается сетевым напряжением AC220V. Нагрузка реле - газовый котел мощность электроники - 100W.
Если напряжение AC220V упало до 170V, то светодиод слабо будет светить, сопротивление фотодатчика увеличится, транзистор откроется, сработает реле, подключится доп обмотка автотрансформатора, напряжение на нагрузке увеличится до 220V.
Количество ступеней может быть 2 или 3 при использовании 2 или 3 сенсоров и обмоток автотрансформатора соответствующей мощности и напряжения. Для увеличения гистерезиса по ступеням можно использовать варисторы или стабилитроны.
Будет ли работать такой ступенчатый регулятор напряжения? |
|
uam Участник Сообщения: 1619
|
Какое-то время будет. Но изменится температура, постареет лампа, упадет пыль...
И все. |
|
KENT Предупреждений: 1 Сообщения: 1384
|
| uam писал: | Какое-то время будет. Но изменится температура, постареет лампа, упадет пыль...
И все. |
Фотосенсор это диск диаметром 5 мм толщиной 2 мм.
Он прячется в термоусадку, ему в морду на рассотянии 1 мм светит светодиод, засвечиваемый сетевым напряжением AC220V.
Условия эксплуатации - отапливаемое помещение +20С.
Пыль исключена. |
|
ЭФЭ Участник Сообщения: 716
|
Может проще напрямую включать реле без всяких опторазвязок? |
|
Васисуалий monitor.net.ru  Сообщения: 3830
|
Как вариант "изврата на досуге" могу предложить немного усложнить схему таким вот образом...
В качестве реле использовать пинцет! Разместить вблизи пинцета постоянный магнит и подобрать ток через пинцет так, что бы он реагировал на проходящий через него ток и мог замыкать и размыкать контакт! При необходимости можно использовать несколько пинцетов для регулирования напряжения многоступенчато!
Тут главное точно и заранее определиться с количеством ступеней регулирования а следовательно и с количеством пинцетов. Надо будет учесть, что разные пинцеты могут по разному реагировать на проходящий ток и иметь разную упругость.
В прочем и этот недостаток можно исправить, если использовать вместо пинцетов плоскогубцы, в ручки которых можно вставить пружинки....
Дальше продолжать?  |
|
andreyd Участник Сообщения: 871
|
KENT, простите за мою неосведомленность, что мешает использовать обычный UPS с AVR, если нет желания самому городить огородец? |
|
KENT Предупреждений: 1 Сообщения: 1384
|
|
uam Участник Сообщения: 1619
|
| KENT писал: | Фотосенсор это диск диаметром 5 мм толщиной 2 мм.
Он прячется в термоусадку, ему в морду на рассотянии 1 мм светит светодиод, |
Оптрон изобретаешь?
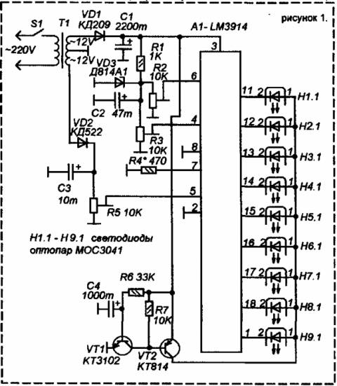
Меня когда-то схемка на LM3914 в "Радиоконструкторе" заинтересовала. Тиристоры. Никаких реле.
 |
|
KENT Предупреждений: 1 Сообщения: 1384
|
| Васисуалий писал: | Как вариант "изврата на досуге" могу предложить немного усложнить схему таким вот образом...
|
Уважаемый Васисуалий, не поверишь, но этот модифицированный фотосенсор я воткнул в кондиционер FGL для регистрации аварийного сигнала от светодиода таймера для последующей передачи диспетчеру.
Схема живет уже 3 года, без замечаний.
http://monitor.net.ru/forum/viewtopic.php?t=459527 |
|
Васисуалий monitor.net.ru  Сообщения: 3830
|
KENT, поверю! Но как то использовать фотосенсор для регулирования напруги кажется мне больше извращением. Может я конечно и не прав, но как то меня эта идея смущает...
А если серьезно, то я думаю, что разлет параметров будет огромным и вероятность не уберечь, а спалить нагрузку будет очень большой!
Не вижу никакой необходимости городить такой огород, если конечно у тебя нет в запасе лишнего кубометра этих сенсоров... |
|
KENT Предупреждений: 1 Сообщения: 1384
|
| uam писал: | | KENT писал: | Фотосенсор это диск диаметром 5 мм толщиной 2 мм.
Он прячется в термоусадку, ему в морду на рассотянии 1 мм светит светодиод, |
Оптрон изобретаешь?
Меня когда-то схемка на LM3914 в "Радиоконструкторе" заинтересовала. Тиристоры. Никаких реле.
 |
Спасибо, uam.
LM3914 - оптимальное решение поставленной задачи.
http://radio-uchebnik.ru/shem/17-audiotekhnika/95-indikator-signala-mi ... |
|
KENT Предупреждений: 1 Сообщения: 1384
|
|
uam Участник Сообщения: 1619
|
|
KENT Предупреждений: 1 Сообщения: 1384
|
Да, эта ссылка.
DC FANMOTOR внешнего блока кондиционера имеет микросхему и обвязку, которые часто выходят из строя. Найти такой движок в сборе или отдельно микросхему - проблема.
Штатная расключка DC FANMOTOR:
Управляющее напряжение: DC +1...+5V
Питание логики: DC+15V
Питание cиловое: DC+300V
Обратная связь: меандр 1...10 мс.
Поэтому появляется желание воткнуть что-нибудь аналогичное по мощности и оборотам.
В летнюю жару тема весьма актуальна.
Необходима иммитация импульсов обратной связи с помощью управляемого генератора прямогугольников. |
|