Файлы
•
Ссылки
•
Прошивки
•
Правила
•
Архив
•
FAQ
•
Участники
•
Поиск
Регистрация
•
Вход
Драйвер BA5888FP
Список форумов
»
DVD
Автор
Сообщение
slav0n
Забанен
Сообщения: 2252
11-06-2012 17:33
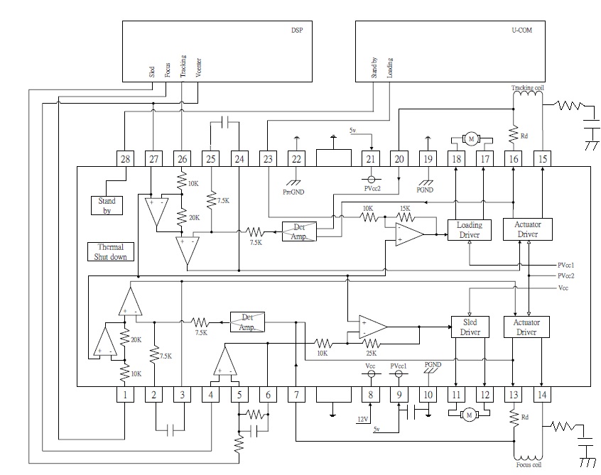
Плата разведена так, что замкнуты 4 (VINSL+) и 27 (BIAS).
При этом шпиндель висит на 11-12 ножках.
Такое может быть?
SerP1972
сказочный Оперативник
Сообщения: 1115
11-06-2012 17:44
BA588FP может 5888 ?!
Dj Vetaль
Участник
Сообщения: 269
11-06-2012 17:47
slav0n писал:
Плата разведена
Всех приветствую. А чё такой большой секрет в чём ?
terrarist
Предупреждений: 1
Сообщения: 228
11-06-2012 18:08
SerP1972 писал:
BA588FP может 5888 ?!
наверняка очепятка судя по мануалу =)
Добавлено 11-06-2012 22:18
slav0n
, а можно линк где найден сей мануал?
slav0n
Забанен
Сообщения: 2252
11-06-2012 19:38
опечатался, поправил.
картинка с этой темы
http://monitor.net.ru/forum/viewtopic.php?t=137405&highlight=ba588 ...
slav0n
Забанен
Сообщения: 2252
11-06-2012 23:11
Вобщем поразглядывал я картинки...
По картинкам драйвера моторов, катушек и управляющие ими ноги всегда на своих местах.
А у меня на плате загадочно соединили 4 и 27 ногу.. Или я совсем слепой стал?!!
lew22
Участник
Сообщения: 696
12-06-2012 10:57
Если мне память не изменяет, то BA5888FP и АМ 5888 аналогами не являются
Dj Vetaль
Участник
Сообщения: 269
12-06-2012 18:37
slav0n
, Вот собственно ответы на твои вопросы
1)
взято
сдесь
2)и
сдесь
Удачи!
slav0n
Забанен
Сообщения: 2252
12-06-2012 20:52
Dj Vetaль
, спасибо!
Вот и развеялся миф, что буквы не важны, если цифры совпадают.
Список форумов
»
DVD
»
Драйвер BA5888FP
Перейти:
Выберите форум
Телевизоры
-- ЖК (LCD)
-- Плазма (PDP)
-- Сервисное меню (Service mode)
-- Кинескопные телевизоры
-- Поиск прошивок и схем
-- Опознать элемент
Видеомагнитофоны
Видеокамеры и цифровые фотоаппараты
DVD
Мониторы
-- LCD-мониторы
Аудиоаппаратура
-- Раскодировка автомагнитол
-- MP3 проигрыватели
-- Автомагнитолы
Компьютерная и оргтехника
-- Ноутбуки и портативные компьютеры
-- Принтеры, сканеры и другая оргтехника
-- Планшетники
Телефоны
Сотовые телефоны
-- BENQ-Siemens
-- Fly BIRD
-- LG
-- Motorola
-- Nokia
-- Samsung
-- Sony Ericsson
-- Китайские модели
-- Программаторы и софт
Бытовая техника
-- Бытовые холодильные приборы
-- Стиральные и посудомоечные машины
-- Газовые котлы
-- Кухонная техника
Спутниковое TV
Автомобильная электроника
Промышленная электроника
Системы безопасности
Другая аппаратура
-- Сварочное оборудование
-- Медицинская аппаратура
-- Источники питания
-- Электропривод
-- Измерительная техника
-- Электроинструменты
-- Приёмо-передающая техника
-- Музыкальные инструменты
Энциклопедия ремонта
-- Телевидение
-- Узлы и системы ТВ
-- ЖК и Плазма
-- Видеотехника
-- Аудиотехника
-- Оргтехника
-- Телефония и связь
-- Бытовая техника
-- Приборы, измерения
-- Источники питания
-- Элементная база
-- Технологии
-- Организация ремонта
-- Обсуждаем, идеи, разработки, мнения
Среда разработчика
Разработка цифровых устройств
Аналоговая техника
Силовая электроника
Оптоэлектроника
Печатные платы
Сборка и монтаж
Готовые решения и конструкции
Поиск схем, прошивок, Data Sheet-ов и др.
Элементная база бытовой радиоэлектроники
Программное обеспечение
-- Микроконтроллеры
Коммерческие обьявления
-- Покупка
-- Продажа
-- Ищу мастера
-- Ищу работу
-- Предлагаю работу
Флейм
-- Технофлейм
-- Природа, встречи
-- Закрытый Флейм
Корзина (Recycled)
Гостевая
Текущий раздел»
DVD
(
Ремонт DVD плееров и домашних кинотеатров
)
Похожая информация:
Super SP-950D обвязка BA5888FP
Драйвер AM5668
Драйвер дв-лей DVD AT5669H-аналог?
LG DK477XB - драйвер двигателя?
DVD Rolsen RDV-890 греется драйвер
Powered by
phpBB
2.0.18 © 2001, 2002 phpBB Group!