Файлы  •  Ссылки  •  Прошивки  •  Правила  •  Архив  •   FAQ  •  Участники  •  Поиск
Регистрация  •  Вход

Источник питания СЭП615-24

Список форумов» Промышленная электроника
АвторСообщение
Петрович21
Новичок
Сообщения: 7




24-12-2013 15:32

Имеется источник питания СЭП615-24 на TDA4605, выгорел конденсатор C16, подскажите его номинал, пожалуйста.
cyberbob777
Участник
Сообщения: 231




25-12-2013 09:59

на ТДА4605 схем миллион,открывай любую и смотри...
Петрович21
Новичок
Сообщения: 7




25-12-2013 10:22

Ну у меня их, конечно меньше миллиона, но номинала конденсатора ни на одной не нашёл. Дело в том, что он стоит в RC цепи на вторую ногу шим TDA4605. И в datasheet на шимку, частоты на вторую ногу, я так и не нашёл (на тему рассчитать RC). А время идёт и кран работает без датчика перегруза. Методом подбора, я ни чего не добился - либо напряжение на выходе ниже +24в, либо плавает от+18в до 32в.
cyberbob777
Участник
Сообщения: 231




25-12-2013 10:48

4700пФ,R-270кОм.

Добавлено 25-12-2013 10:49

Либо дело не в этом..
Here.he
Гость 95.104.*.*





25-12-2013 10:54

Поставь другой БП, если срочно. Например, разгони 19 В китайский БП от ноутбука за 600 руб.

Петрович21 писал:
либо напряжение на выходе ниже +24в, либо плавает от+18в до 32в.

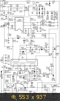
Возможно, ты его недоремонтировал по ОС. Для начала - с какой цифрой 4605? Есть 4605-2, 4605-3, чем-то отличаются, а чем - я забыл уже.

Вот такие пары есть



И в датащите на 4605-3 330кОм + 4,7нФ
Петрович21
Новичок
Сообщения: 7




26-12-2013 05:33

Спасибо, ciberbob777, действительно дело не в этом - резистор поменял сопротивление до 660к. Поставил конденсатор 4н7 400в и резистор 270к и всё заработало как нужно.
Список форумов» Промышленная электроника» Источник питания СЭП615-24
Перейти:  
Текущий раздел» Промышленная электроника (Ремонт различной промышленной электроники (ЧПУ, и тд))


Похожая информация:
  • Источник бесперебойного питания POWERWARE PRESTIGE 800
  • Бесперебойный источник пмтания
  • источник плазмы kellberg hifokus 130 нет связи с CNC
  • Преобразователь частоты Lenze 8221 источник 24В
  • блок питания S-145-24








  • Информация по ремонту для специалистов - справочники, инструкции, энциклопедия, советы и секреты ремонта,  настройка, сервисные режимы
    Powered by phpBB 2.0.18 © 2001, 2002 phpBB Group!