| Автор | Сообщение |
MICHAIL Monitor's Killer  Сообщения: 3745
|
в-общем,задача такова.Надо родить усил,как написано,ну пусть входной напряг будет 1 вольт на 50 ом.
Схем море,это понятно, но головоруками работать хоцца поменьше и в связи с этим вопрос
Встречалось-ли на просторах что-либо готовое, в виде коробки-платы, с двумя разьемами и входом питания?
Купить охота готовое.При этом мощность выходная по сути неважна,задавить до нужной можно, если входное напряжение порядка вольта.
Идеал - что-то вроде радиочастотных гибридок,которые применялись на заре сотовотелефоностроения.
Полоса - ну пару десятков килогерц, узкополосно.Ездить будет от кварца с небольшой подстройкой вокруг центральной частоты. |
|
Илья Николаич Гость 95.153.*.*
|
|
EvgeniS Участник Сообщения: 2930
|
MICHAIL, тебе 1 шт надо? где-то валялся усилок ватт на 10. |
|
MICHAIL Monitor's Killer  Сообщения: 3745
|
Уря! последнее вот самое то,что надо! Если интересно,расскажу потом,что да как .... |
|
pavel-pervomaysk Your editor Сообщения: 8037
|
| Илья Николаич писал: | | в гугле забанили? |
не повериш, в разное время суток, в разных местах, разное бывает гуглится. |
|
MICHAIL Monitor's Killer  Сообщения: 3745
|
Все,что продается, не катит.
Вопрос такой , придется делать ручками. Сколько может составить разумная цена изделия на монтажной плате,слепыше,, которое начинается с кварца и кончается BNC ,в котором сидит 2-3 ватта на согласованную нагрузку? |
|
above.he Забанен  Сообщения: 1545
|
| MICHAIL писал: | | которое начинается с кварца и кончается BNC ,в котором сидит 2-3 ватта на согласованную нагрузку? |
Ты коагулятор, что ли, мастеришь?
Возьми тупую си-би китаерацийко о 5-10 китайских ватт, прикрути к АТХ, настрой/убавь мощщ, залочь морду и пусть пользуются... так не? Возьмёшь за инсталляцио баков 150-200, нормочас твой неизвестен.
Главное - сертификат ССС у них, пользователей, будет - проверят веть. От регистрации РС отбазарятся отсутствием антенны...
Нада мастерить из говна и палок(тм), по условию задачи? |
|
MICHAIL Monitor's Killer  Сообщения: 3745
|
Нет,там история другая,не поверите,граждане...
ФИзтех занимается побочными делами, в частности возбудом плазмы для народнохозяйственных нужд. Так уж получилось,что нечто,сделанное ранее на коленках,сдохло и квалификации не хватило,чтобы сремонтить генератор на кварце.
Имеется купленный СБ усилитель,корпус большой,вот внутрь и надо примочить платку с генератором и приличным возбудом для него.А далее уже пара ламп и мне даже думать не хочется,что у них на выходе,меня такие напряжения с мощностями угнетают
Сдаецца мне,что сотки презиков,наверное,хватит.
Там еще ГОИ страдает отсутствием некривых рук...блин.
Куда все мозги в стране подевались? Народ не знает,как трехточка работает...
Кста,мысль про рацию была вчера, какой-то гроб уже в авто валяется,руи дойдут,ковырну |
|
above.he Забанен  Сообщения: 1545
|
С рацийкой тебе, мсм, проще всего будет.
А фспомнить фсё про переменный ток....
Можно рст ЛЁН где-нить купить и платко павер амплифайер оттедь отковырнуть со LC-фильтрами. КТ920 или 922 там, вроде. и ещё три-пять каскадов, а в синтезнутом Льне даже ГУН, кажется, с УМ вместе на одной плате, кварец навесить на него и вуаля...
На 27 МГц модулей, что-то, не припоминается.
Еси только найти старую автомоторолу НМТ-450 и кастрато возженные/толстоплённые катушки на проволочные?
Или вот те на первый взгляд идиотская идея.
Раз ты , у тебя найдётся одиночный видеоусилитель, с которого на катод, в каком-нить пентаватте. Полоса там ого-го, мегагерц до 150.
Ну и в классе АВ тупо усилишь свои/их 27 МГц влёхкую. От малого питания, думаю, вполне заведётся нормально, зауми там внутри особой нет. АРМ/APC приделаешь...
Нагрузишь на П-контур или просто резистор 50 Ом через подстроечный конденсатор, обвес - родной, к возбудам и особым нелинейным искажениям эта байда не склонна, вроде.
Добавлено 14-03-2013 13:30
Ну если будет особенно грустно и одиноко, делать катастрофически некуй или погода непитерски сыра - стучись, платка вот такая есть, частот пейджинговых - отпочтирую, классом нумбер ван.
 |
|
MICHAIL Monitor's Killer  Сообщения: 3745
|
О,какая классная феня на платке,мостовой? Частота ? |
|
above.he Забанен  Сообщения: 1545
|
Единая Пейджинговая. 159,025, что ли, середина.
Панда-100 это. На вход 10-20. Видно же, что две полупары...
Нада? Даже дня рождения не спрошу - аддресс в личко или в сакаип, чрез Кирилла - и она твоя.
Кстати, мотороллер нуклеус есть в запасниках. С ФЦВ на выходе, неупалимый, 300 Вт. Вход что-то с ватт.
Но нуклеуса я готов пгодать за 1000 $ или иэвро, или паундов. Пусть лежит, короче, нуклеус. Есть желание напылять что-нить в вакууме - как раз пригодиццо, аля "магнетрон".
Плазму зажигать для народного хоз-ва, ФИзтех, плятт  |
|
MICHAIL Monitor's Killer  Сообщения: 3745
|
Чо я не вьеду, кто-то знакомый зело .А Кира какой ? Совсем скилероз замучил,поганый...  |
|
above.he Забанен  Сообщения: 1545
|
| MICHAIL писал: | | А Кира какой ? |
Кира с яврейской отчествой, разумеется.
А.Т.Т.
Добавлено 14-03-2013 17:50
| MICHAIL писал: | | Чо я не вьеду, кто-то знакомый зело |
Зиновьев, блять, я. Палило ты, СПб  |
|
MICHAIL Monitor's Killer  Сообщения: 3745
|
Дык он в хуйзнает недосягаемости 300 км от меня и мимо тех краев я хз когда поеду. Придется ваять на коленьях. Справимсо,Вспомнить-блин-Фсе. Транзюков из магистральных самодельных ТВ усилителей надергаю.Хорошо,не выкинул когда-то, а сложил в дальний угол. |
|
above.he Забанен  Сообщения: 1545
|
| MICHAIL писал: | | магистральных самодельных ТВ усилителей надергаю |
Ага. 2Т/КТ939А - сказка. Самый линейный транзистор, во веки веков. Вполне, мсм, двух хватит на твою поделку - первый на ГУН/КГ, второй амплификацьоне.
Первый просто в микротоках трёхточечность - не дело кварец греть.
Про Кирилла - я тебе просто сказал, как меня, при случае можно найти, если потеряюсь, через скайп.
Плата нравится - отдам почтой. Она на репитер 144-145 самое -то.
На удивление - надёжная поделко  |
|
MICHAIL Monitor's Killer  Сообщения: 3745
|
Гун нафиг.Будет кварц,без гуна. Тема получает продолжение, ибо заказчик самолично приезжал,чайку попить.Хошь,не хошь,а чота навесом на текстолит лепить придется.Блеад... |
|
above.he Забанен  Сообщения: 1545
|
А что, ничо для переделки не нашлося?
Мож КГ сделать на логике и пару контуров? |
|
MICHAIL Monitor's Killer  Сообщения: 3745
|
а я завтра в сусеки полезу. Поковыряю чего. Может, и всплывет нечто.
а что еще противнее,придется включить 75-ку после нескольких лет простоя и наблюдать вывихи советских емкостей...пока не прогреется. |
|
Mishael4444 Участник Сообщения: 341
|
MICHAIL, а какая у них конечная моща будет? А то без нормального П контура, да с гармошками от Fраб до 5GHz, да 2МЕГАвата ЯйцО Отваляцо.
Да и частота-то какая всё-таки нужна 27 или 150 проканает?
И, кстати, усил на 27 с одного вольта на 5Вт можно сллепить на одном выходном транзисторе от СиБишки 2SC2078, и никаких золотых 920-922.
Или ещё проще, найди в своём городе ТАИС ВТ-31Б за стакан семечек. Она как раз начинается с кварца (одноканалка) и заканчивается разъёмом BNC
А то работники ФИзтеха будут куйню про тебя думать при работающем "приборе"
 |
|
MICHAIL Monitor's Killer  Сообщения: 3745
|
В работе от 500 до кило,говорят,но на максимуме не работают.
Сибишка в выданный корпус с оконечником до 50 ватт не влезет походу
Самый больной вопрос сейчас - характерные размеры катух резонансных контуров и фильтров.На 150 мгц я представляю,как это выглядит, а с 27 мгц такого опыта не было.
И 92х я зажаблю,обойдутся. Чтонить попроще ,904,907,хз. То,чего есть в избытке.Что,пока не знаю,коробки рыть надо. |
|
above.he Забанен  Сообщения: 1545
|
| MICHAIL писал: | | а с 27 мгц такого опыта не было |
38 МГц представляешь телек, без ПАВ? Вот это примерно то же самое.
Кстати, контурьё можно оттуда, в смысле, от дискриминаторов, надёргать и довесить ёмкость. |
|
Илья Николаич Гость 95.153.*.*
|
| MICHAIL писал: | | Самый больной вопрос сейчас - характерные размеры катух резонансных контуров и фильтров.На 150 мгц я представляю,как это выглядит, а с 27 мгц такого опыта не было. | Вот так выглядит на 36, а ниже на 70


|
|
MICHAIL Monitor's Killer  Сообщения: 3745
|
Аха
заглянул в Алан какой-то,ужаснулся...есть еще какой-то Мосома 7400, для обозрения.Я пока морально готовлюсь. |
|
MICHAIL Monitor's Killer  Сообщения: 3745
|
Вспомнил.В гараже валяется блок совдеповской сигнашки, ватт на 5,в 27 мгц. Размеры потрясают,особенно носимого приемника. Однако, кусок передатчика выгрызть оттуда можно вполне. |
|
Илья Николаич Гость 95.153.*.*
|
Так сделай фото, посмотрим чё за зверь.Тот что на верхней картинке, на 10ватт. |
|
MICHAIL Monitor's Killer  Сообщения: 3745
|
В сусеках и амбарах нашел передатчик,ватт на 5,на КП901.
Вот только убей ,не помню,что на выходе.Включение покажет.Кварц на 18 с копейками,что подозрительно. В коллекторном контуре какая гармоника имеет право присутствовать - четная или нечетная? Нифига не помню,блджд.
Добавлено 03.04.2013 02:38
А еще....накопал супернанотехнологичную сигнализацию для Запорожца.
Уже откусил лишние провода,завтра отпилю ненужные мозги.
Выход на 920, обещали до 2 ватт,кварц в 26 с хвостом.
Осцилл видит от низа до верха 35 вольт на нагрузке 75 ом,что точно вранье,тк явно завышает из-за длинной земли.




|
|
LH Участник Сообщения: 1487
|
| MICHAIL писал: | | четная или нечетная? | НЕ чётная !
MICHAIL, на деле самая мощная гармоника будет та , на которую выходной LC контур настроен! По уму должна быть третья. Но а на дурака могли и на чётную настроить. То что не выше 3-й 99%дам. (думаю толком вообще ниначто не настроено судя по изготовлению.) Так как КП901 до 100мгц. А реально и того гораздо меньше. Не применяли его на высоких частотах.
Если контур всетки на 2-ю ктото настроил , то по спектру третья не намного меньше будет.
PS кстати пластиковые транзисторы в плате - это помоему КТ368.
Добавлено 03-04-2013 01:51
MICHAIL, а вообще, этот усилок по первой твоей фотке , будет "звинеть" по диапазонам бутте нате в том виде как он есть))) FM метрах в 50 слышно не будет )))
Добавлено 03-04-2013 01:55
MICHAIL, А для чего ты сей мегадевайс изобрести хочеш кста? Если для того чтобы сигналку для дачи или гаража забабахать - бесполезно. С нашими законами жулики теперь больше прав имеют чем те кого обнесли У меня гараж бахнули в конце лета , хотел камеру у китайцев прикупить, с ИК подсветкой итд. Так теперь всё что скрытого видеонаблюдения - против тебяже и обернется. (утрирую) Проще забить Х , на рыбалку ходить пешком , ловить рыбу с берега, а удочку делать из ветки в лесу . Ито это пока закон о рыбалке не приняли. Потом вообще безопасней дома сидеть будет. Не страна а куча говна... |
|
MICHAIL Monitor's Killer  Сообщения: 3745
|
LH, на первой фотке все настроено,но куда - хз. Видно плохо. Но явно не выще 50 мгц.
Ты посмотри первую страницу,для чего все это. Плазмопушка,блин. Уж чем будет разряд звенеть - вааще мрак,так что о тех гармониках,которые отсюда вылезут,можно забыть и расслабиться.На выходе,кста,полноценный П-контур,да еще и посчитанный,как щас помню, цифирь складывал. То есть процесс помню, а результат нет.И катуха удлиняюшая торчит вбок,ибо все это свиристело в спиральную антенну.А делалось для передачи десятка команд.
А гаражные всякие сигнашки давно уж канал GSM пользуют, тут изобретать ничего не нужно.
А закон временно похоронен,как я понимай. Крайнего сделали крайним. И если еще не,то вскоре и крайней плоти лишат
160х175х53 |
|
LH Участник Сообщения: 1487
|
| MICHAIL писал: | | П-контур,да еще и посчитанный,как щас помню, цифирь складывал |
Малоэффективно поверь. Я сам в своё время долго мучал 5 ватт , с трехступенчатым выходным фильтром (LC) , секции были разделены экраном. Всеравно гармоники были значительные.
| MICHAIL писал: | | А закон временно похоронен,как я понимай. |
Кстати внутри меня такоеже мнение сидит. Помоему хотят решить какието дела любыми способами , а потом уже может будут думать о исполнении законов на практике.
Добавлено 03-04-2013 02:44
Щас всё время удивляюсь почему радейки китайские не звенят. Хотя причина очевидна - там основная частота сформирована ещё при минимальной мощности. А не в выходном каскаде за счёт контура умножение частоты происходит ))) Да и вообще в радейках PLL . |
|
above.he Забанен  Сообщения: 1545
|
MICHAIL, на первой фотке самопалево какое-то, проще выкинуть. Второй девайс требует долгого опиливания... И тоже... Не вижу земляного контура, по которому передатчик можно было бы отпилить.
Чё, придётся, видимо, тебе качать какую-нить книгу "В помощь радиолюбителю-коротковолновику" и заниматься лепниной, типа http://microcopied.ru/content/view/467/25/
Каскада четыре закладывай(КГ и 3), на выходе можно тот буржуинский в to220. Единичным усилением не увлекайся и всё получится.
Прежде чем плату делать, выкладывай трассировку на здоровое и весёлое обсирание, а то итераций будет дофига
Из приборов понадобится хотя бы индикатор поля вместо ВЧ-вольтметра. В идеале - осциллоскоп с фет-пробником, чтобы прямо в каскады тыкать без внесения паразитных параметров.
LH, все умножения д.б. закончены за два, лучше три, каскада до выхода. Все "выходные" каскады резонансные и в правильном режиме. П-контуром основную селекцию не вытянуть или его надо делать звеньев 5.
Добавлено 03-04-2013 08:53
Вот это с АМ допилить до APC. Или просто модулятором задавать выходную мощность, круть-верть подстроешником, если апконтролировать влом.
Усиления прибрать отводами и режимами.
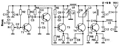
И прикрутить каскад от этого
 |
|
LH Участник Сообщения: 1487
|
| Цитата: | | LH, все умножения д.б. закончены за два, лучше три, каскада до выхода. Все "выходные" каскады резонансные и в правильном режиме. П-контуром основную селекцию не вытянуть или его надо делать звеньев 5. |
не учи отца и БАСТА . Эту тему я проходил. |
|
above.he Забанен  Сообщения: 1545
|
| LH писал: | | не учи отца и БАСТА . Эту тему я проходил. |
Своими руками - завсегда лучше для понимания
Так до чего дошёл? В смысле остановился на скольки каскадах, чтобы 5 Вт на выходе и хотя бы -40 дБ внеполосных получить. |
|
|