Файлы
•
Ссылки
•
Прошивки
•
Правила
•
Архив
•
FAQ
•
Участники
•
Поиск
Регистрация
•
Вход
Опознать мсх ШИМ БП
Список форумов
»
Элементная база бытовой радиоэлектроники
Автор
Сообщение
KVI
Участник
Сообщения: 1682
02-11-2017 12:58
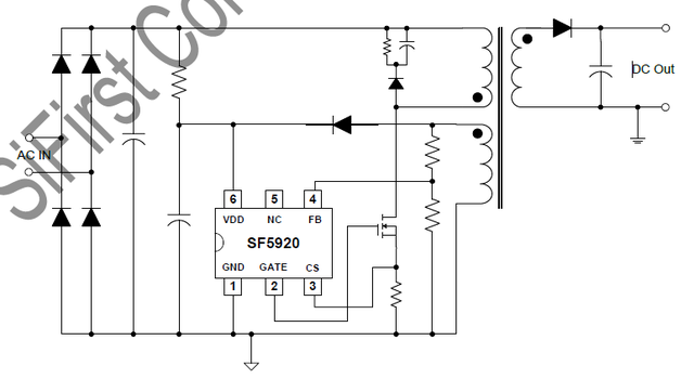
Блок питания увлажнителя воздуха.
Корпус микросхемы SOT23-6
Надпись: 12F32
Распиновка (по плате):
1-GND
2-DRV
3-CS
4-FB
5-NC
6-VDD
На сайте ремонт аудио в табличке ничего похожего не нашел.
segor
Участник
Сообщения: 3263
03-11-2017 22:16
KVI писал:
Распиновка (по плате):
1-GND
2-DRV
3-CS
4-FB
5-NC
6-VDD
KVI
, варианты замены....
KVI
Участник
Сообщения: 1682
04-11-2017 21:50
segor
, Очень похоже. Спасибо!
Список форумов
»
Элементная база бытовой радиоэлектроники
»
Опознать мсх ШИМ БП
Перейти:
Выберите форум
Телевизоры
-- ЖК (LCD)
-- Плазма (PDP)
-- Сервисное меню (Service mode)
-- Кинескопные телевизоры
-- Поиск прошивок и схем
-- Опознать элемент
Видеомагнитофоны
Видеокамеры и цифровые фотоаппараты
DVD
Мониторы
-- LCD-мониторы
Аудиоаппаратура
-- Раскодировка автомагнитол
-- MP3 проигрыватели
-- Автомагнитолы
Компьютерная и оргтехника
-- Ноутбуки и портативные компьютеры
-- Принтеры, сканеры и другая оргтехника
-- Планшетники
Телефоны
Сотовые телефоны
-- BENQ-Siemens
-- Fly BIRD
-- LG
-- Motorola
-- Nokia
-- Samsung
-- Sony Ericsson
-- Китайские модели
-- Программаторы и софт
Бытовая техника
-- Бытовые холодильные приборы
-- Стиральные и посудомоечные машины
-- Газовые котлы
-- Кухонная техника
Спутниковое TV
Автомобильная электроника
Промышленная электроника
Системы безопасности
Другая аппаратура
-- Сварочное оборудование
-- Медицинская аппаратура
-- Источники питания
-- Электропривод
-- Измерительная техника
-- Электроинструменты
-- Приёмо-передающая техника
Энциклопедия ремонта
-- Телевидение
-- Узлы и системы ТВ
-- ЖК и Плазма
-- Видеотехника
-- Аудиотехника
-- Оргтехника
-- Телефония и связь
-- Бытовая техника
-- Приборы, измерения
-- Источники питания
-- Элементная база
-- Технологии
-- Организация ремонта
-- Обсуждаем, идеи, разработки, мнения
Среда разработчика
Разработка цифровых устройств
Аналоговая техника
Силовая электроника
Оптоэлектроника
Печатные платы
Сборка и монтаж
Готовые решения и конструкции
Поиск схем, прошивок, Data Sheet-ов и др.
Элементная база бытовой радиоэлектроники
Программное обеспечение
-- Микроконтроллеры
Коммерческие обьявления
-- Покупка
-- Продажа
-- Ищу мастера
-- Ищу работу
-- Предлагаю работу
Флейм
-- Технофлейм
-- Природа, встречи
-- Закрытый Флейм
Корзина (Recycled)
Гостевая
Текущий раздел»
Элементная база бытовой радиоэлектроники
(
Элементная база - функциональные особенности, параметры, аналоги, взаимозаменяемость, качество
)
Похожая информация:
Опознать ШИМ
Опознать м/сх OLA T26
опознать ШИМ-ку
Опознать м-сх. БП для ДВД
Опознать ШИМ
Powered by
phpBB
2.0.18 © 2001, 2002 phpBB Group!