Файлы  •  Ссылки  •  Прошивки  •  Правила  •  Архив  •   FAQ  •  Участники  •  Поиск
Регистрация  •  Вход

Определить наименование ШИМ контроллера по элементам ИИП.

Список форумов» Элементная база бытовой радиоэлектроники
АвторСообщение
KENT
Предупреждений: 2
Предупреждений: 2 Предупреждений: 2 
Сообщения: 1496




20-10-2017 00:06

Попала в ремонт плата управления от кондиционера Mitsubishi Heavy SRC25ZMA-S с неисправным ИИП.



Дефект - от перенапряжения взорвался варистор и шим контроллер ИИП, разлетелось наименование микросхемы.



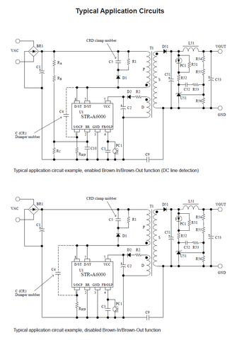
Схема обвязки шим контроллера ИИП.



На осколке корпуса шим контроллера сохранилась половина буквы А.
Поэтому, с учетом состояния вывода 2 ШИМ контроллера, возможны варианты:
1 - STR-A60xx (51,52,53,59,61,62,69,79)
2 - STR-A6069H - 100КHz/10W/700V
3 - STR-A6062H - 100КHz/15W/700V:
4 - STR-A6059H - 100КHz/10W/650V:



http://remont-aud.net/ic_power/
http://www.semicon.sanken-ele.co.jp/common/pdf/catalog/h1-o03eh0.pdf

Наиболее подходящий шим контроллер - STR-A6069H. На корпусе (DIP-7) надпись: A6069H.



https://www.techpowerup.com/reviews/CoolerMaster/V550S/images/STR-A606 ...
http://pdf1.alldatasheet.com/datasheet-pdf/view/403751/SANKEN/STR-A605 ...
http://html.alldatasheet.com/html-pdf/403756/SANKEN/STR-A6069H/219/1/S ...

Правильно ли выбран ШИМ контроллер STR-A6069H - 100КHz/10W/700V - ?

-- Правильно.
Проверил коллега с Украины, отчитался на другом форуме.

Почему стерли мою решенную тему - ? злость
http://monitor.net.ru/forum/siemens-kg2603E/gree-info-620370.html

Неисправна плата инвертора.
Взорван ШИМ контроллер - STR-A6061H (на корпусе надпись - A6061H), сгорели резисторы 2.2 Ом - 2 шт.
В продаже STR-A6061H отсутствует.

Допускается ли замена STR-A6061H на популярную STR-A6259H - ?

Подобная ситуация ИИП LCD TV.

krugen:
М\сх STR-A6069 стоит в дежурке БП ЖК ТВ Toshiba 32AV607PR,
http://monitor.net.ru/forum/download.php?id=173396,
заменил на STR A6259
http://monitor.net.ru/forum/download.php?id=174124 ,
единственная доработка:
отрезал дорожку ,идущую на 2 ножку через резисторы на + диодного моста ,
работает без проблем
http://monitor.net.ru/forum/viewtopic.php?t=52357&postdays=0&p ...

crendel
Меняй на STR-A6062H без переделок,работает отлично

KENT
Аналоги STR-A6069H - 100КHz/10W/700V :
-- STR-A60xx (51,52,53,59,61,62,69,79)
-- STR-A6062H - 100КHz/15W/700V:
-- STR-A6059H - 100КHz/10W/650V:
https://www.techpowerup.com/reviews/CoolerMaster/V550S/images/STR-A606 ...
http://monitor.net.ru/forum/viewtopic.php?t=52357&postdays=0&p ...

STR-A6259H работает с переделкой уже месяца 3.

Отремонтировано с доработкой 2 платы.
Причина выхода из строя ИИП - кратковременная просадка по питанию 220В.
http://monitor.net.ru/forum/siemens-kg2603E/gree-info-620370.html
Список форумов» Элементная база бытовой радиоэлектроники» Определить наименование ШИМ контроллера по элементам ИИП.
Перейти:  
Текущий раздел» Элементная база бытовой радиоэлектроники (Элементная база - функциональные особенности, параметры, аналоги, взаимозаменяемость, качество )


Похожая информация:
  • Не могу определить наименование Sot-23-5
  • Помогите определить наименование микросхемы!!!
  • Определить точное наименование p-MOSFET в SOT-23
  • RAINFORD TV 3778RC ищу наименование ТДКСа.
  • Нужно полное наименование оптопары с маркировкой A 316J








  • Информация по ремонту для специалистов - справочники, инструкции, энциклопедия, советы и секреты ремонта,  настройка, сервисные режимы
    Powered by phpBB 2.0.18 © 2001, 2002 phpBB Group!