| Автор | Сообщение |
Невский Гость 185.3.*.*
|
Трансформатор, максимальная мощность 4.5 Квт.
В принципе работает, но хотелось бы снизить бросок тока при включении.
Во первых, поменьше раздражать соседей.
Во вторых, немного продлить жизнь контактам реле.
Неоднократно советовали параллельно кнтактам подключать лампочку 100 ватт 220 вольт.
Прошлый век, внутри ПА места нет, снаружи она будет разбиваться при каждом удобном случае (то есть постоянно).
Можно попробовать заменить керамическим резистором, по типу того, как софт-старт сделан в инверторах.
Как его расчитывать или подбирать по мощности/сопротивлению.
И вообще, как правильно "раскачивать" транс перед полным запуском.
На плате управления стоит релюшка с группой на 30 китайских ампер. |
|
MainRooT Участник Сообщения: 1233
|
дак он стартует нахолостую или с нагрузкой уже какой-то?
о каком устройстве речь вообще?
гирлянда из NTC тут не пойдет? |
|
Невский Гость 185.3.*.*
|
В данном случае сварочный полуавтомат.
Хотя, думаю, не сильно прицнипиально. Мощной индуктивной нагрузки хватает.
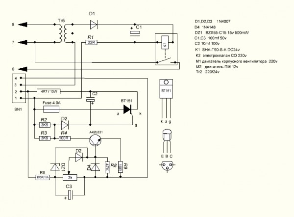
Полная схема.
Нормальный старт без нагрузки, но бывает, что и в КЗ запускать приходиться ( привар проволки к детали, например).
25 амперный симистор на 600в прожил недолго, просто в момент включения и выключения в КЗ он умер.
Сейчас стоит реле РС-527 (автомобильное) контакты 20 ампер.
Но у контактов площадь большая. Просто иногда зачищаю при обслуживании. |
|
sidor1 Участник Сообщения: 219
|
Подключить тиристор поле VDS. |
|
Невский Гость 185.3.*.*
|
И что он мне даст?
У меня без нагрузки при включении транса иногда автомат на 6 ампер выбивает.
Это для опытов такой ставлю.
| Цитата: | Из графика на рис. 2 видно, что трансформатор с первичной обмоткой в 275 витков имеет пусковой ток около 100 А. На этом же рисунке можно проследить, как влияет изменение количества витков первичной обмотки на пусковой ток.
Рис. 2. Пусковой ток силового трансформатора для различного числа витков первичной обмотки
Увеличение числа витков и сечения керна магнитопровода приводит к снижению пускового тока трансформатора. Увеличение числа витков вдвое уменьшает пусковой ток до величины, не превышающий номинальное значение тока холостого хода. Однако указанные меры приводят к увеличению потерь в проводах обмоток и стали сердечника, а также к увеличению массогабаритных показателей силового трансформатора и его стоимости. |
Витков мало, железа много, провод в первичке толстый.
По моему 2.5 по жиле.
Хожу вокруг такого
С задуманым порядком работы.
При ХХ.
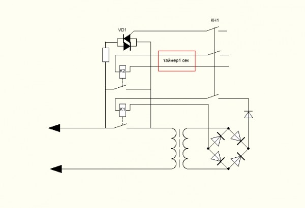
1) при запуске открывается симистор
2) появляется напряжение на диодном мосту и срабатывает реле К1
Транс переходит в полную мощность
3) по таймеру срабатывает реле К2 и дублирует первое реле.
При отключении сначала отбрасываются реле, а потом закрывается симистор
При запуске в КЗ реле К1 не срабатывает. Через время по таймеру включается реле К2 .
Исключается вариант сгорания балластника.
В данном варианте реле К1 штатное в блоке управления, К2 дополнительное.
В принципе, можно и на одно реле все функции переложить. Но мне проще день доработать, а ночью поменять реле, чем днём лазить с паяльником меняя единственное реле или полупроводник. |
|
sidor1 Участник Сообщения: 219
|
| Невский писал: | | И что он мне даст? |
Один раз включится трансформатор. Потом, включение сварочного тока тиристором.
| Невский писал: | | 3) по таймеру срабатывает реле К2 и дублирует первое реле. |
Задержка не будет нервировать? |
|
Невский Гость 185.3.*.*
|
| Цитата: | | Один раз включится трансформатор. |
Он через 3 минуты превращается в электрообогреватель.
Задержка... К примеру существуют функции "предгаз" и "постгаз"
Первая для того, чтоб к началу сварки вытеснить кислород. Вторая, чтоб исключить доступ кислорода к раскалённому металлу.
Не нервирует же.
Кроме того, К2 дублирущее. При появлении напряжения должно сработать К1( если горелка не в КЗ).
Задержка ровно на "раскачку" трансформатора.
А вот если "привар" проволоки, то тут задежка роли уже не играет. За бокорезами ходить дольше.  |
|
mr.vai Забанен  Сообщения: 4156
|
|
Владимир Анатольевич Участник Сообщения: 4625
|
Невский, ты бы хоть ток ХХ озвучил.
Тиристор(симистор) в первичке будет всегда гореть по включению при приваре проволоки.
Даже если сделаешь задержку.
Сделал бы плавную подачу напряжения на 1182ПМ1, контроль тока при этом и шунтирование симистора потом контактами реле. |
|
Илья Николаич Участник Сообщения: 3553
|
| Невский писал: | | Он через 3 минуты превращается в электрообогреватель. |
Выкинуть транс на помойку и намотать нормальный. больше вариантов нету. какой у него ток холостого хода? |
|
pantelei4 албанец Сообщения: 572
|
| Невский писал: | | Можно попробовать заменить керамическим резистором, по типу того, как софт-старт сделан в инверторах. |
А ты попробуй позистор размагничивания параллельно контактам реле приладить, только релюху надо будет включить пока он ещё не разогрелся, скажем через 0.1 сек. Оно так и выйдет без всяких схем, через механическую задержку.
| mr.vai писал: | | может задействовать МОС3061 с схемой обнаружения нуля ? |
Минимальный бросок тока будет если включать транс в максимуме напряжения. |
|
o_l_e_g Предупреждений: 1 Сообщения: 4494
|
Бросок, имхо, вызван остаточной намагниченностью железа. (гипотеза, проверяется прикладыванием отвертки к сердечнику)
Когда включаешь против потока, возникает сумасшедший ток на перемагничивание.
Из практики, лечится включением заряженного конденсатора на отключенную обмотку для размагничивания. После этого пуски проходят нормально. Для твоей мощности, С приб. 50-100 мкФ. |
|
pantelei4 албанец Сообщения: 572
|
| o_l_e_g писал: | | Бросок, имхо, вызван остаточной намагниченностью железа. |
Может быть и так, но основная причина - изначальная несимметрия в момент включения, постоянная составляющая устаканивается в ноль через время, за которое транс залетает в насыщение.
Если включать в максимуме, асимметрия меньше. |
|
Невский Гость 185.3.*.*
|
| Илья Николаич писал: | | Выкинуть транс на помойку и намотать нормальный. |
Нормальный транс, жёсткий.
У меня Циклон с постоянно подключной первичкой и тиристорами во вторичке на домашней сети толком не работает.
(чёт радикал глючит)
Вот такое Циклоном дома я хрен сделаю.
ХХ вечером после работы посмотрю. |
|
Владимир Анатольевич Участник Сообщения: 4625
|
o_l_e_g, тонкий троллинг, респект.
Бомжарик, у тебя после закона Ампера закон Лоренца в голове не умещался.
Куда ты лезешь?
Тебя с какого курса выгнали?
Или ты даже не поступил? |
|
ЭФЭ Участник Сообщения: 716
|
Контактор на вторичку. Нехрен первичкой баловаться. |
|
SERGE Участник Сообщения: 2414
|
o_l_e_g, а если банально подключить С параллельно контактам реле ? Постоянно текущий "малый" переменный ток будет препятствовать остаточному намагничиванию сердечника |
|
pantelei4 албанец Сообщения: 572
|
Хуйловец съебни со сцены и не отсвечивай своей тупой башкой.  |
|
o_l_e_g Предупреждений: 1 Сообщения: 4494
|
| Владимир Анатольевич писал: | o_l_e_g, тонкий троллинг, респект.  | Я на полном серьезе...
Был на памяти поршневой компрессор 160 ква, ЕМНИП. При пусках с регулярной периодичностью гасил ячейку на ТП. Долго мучились, потом поставили конденсаторы компенсирующие, и они выполняли две функции, собственно компенсировали реактивку, и перед пуском размагничивали железо через нехитрую автоматику. Больше, автомат не выбивало.
Добавлено 24-04-2016 10:50
| SERGE писал: | | o_l_e_g, а если банально подключить С параллельно контактам реле ? Постоянно текущий "малый" переменный ток будет препятствовать остаточному намагничиванию сердечника | Не хватит тока. |
|
Владимир Анатольевич Участник Сообщения: 4625
|
Невский, в полной схеме дорисуй второй провод с моста.
А то тебя за@бут ламеры намагничиванием сердечника при мостовой схеме включения. |
|
MainRooT Участник Сообщения: 1233
|
| o_l_e_g писал: | | и перед пуском размагничивали железо |
стесняюсь спросить, а от чего оно могло намагнититься?
какой двиг-то был? |
|
Невский Гость 185.3.*.*
|
Я ХЕЗ, как оказалось, для меня это китайская грамота.
Просматривая источники в тырнете обратил внимание на один момент, после подключения токовый перегруз идёт несколько периодов. Не обязательно, что это бросок в одном полупериоде.
электромагнитный резонанс?
ЭФЭ,
Что будет с контактором при запуске в КЗ?
При этом считается, что это его неаварийное включение. Нежелательное, но штатное.
Кстати, при пуске в КЗ по вторичке мосты вылетают чаще. Видимо, транс играет роль демпфера, давая сначала нагреться проволоке. |
|
Владимир Анатольевич Участник Сообщения: 4625
|
| Цитата: | | Кстати, при пуске в КЗ по вторичке мосты вылетают чаще. |
Чаще ЧЕГО вылетают? |
|
Невский Гость 185.3.*.*
|
Владимир Анатольевич,
Ага. Там ещё два переключателя мощности есть по виткам первички. Их тоже надо?
Пилять, оказывается, я сам ламер.
Добавлено 24-04-2016 11:03
| Владимир Анатольевич писал: | | Чаще ЧЕГО вылетают? |
Чем при запуске по первичке. |
|
o_l_e_g Предупреждений: 1 Сообщения: 4494
|
| MainRooT писал: | | o_l_e_g писал: | | и перед пуском размагничивали железо |
стесняюсь спросить, а от чего оно могло намагнититься?
какой двиг-то был? |
| Цитата: | | ...Результаты измерений сильно зависят от величины остаточного намагничивания сердечника трансформатора являющегося следствием внезапного обрыва тока при отключении трансформатора. Величина намагничивания является случайной величиной и зависит только от фазы тока в момент отключения трансформатора. Поэтому для получения достоверных результатов потерь в стали, магнитопровод трансформатора необходимо размагнитить.... | Из книжек.
Добавлено 24-04-2016 11:07
| Невский писал: | Я ХЕЗ, как оказалось, для меня это китайская грамота.
Просматривая источники в тырнете обратил внимание на один момент, после подключения токовый перегруз идёт несколько периодов. Не обязательно, что это бросок в одном полупериоде.
электромагнитный резонанс? .... | Это, о чем писал пантелеич.
http://releyschik.ru/62-namognichivanie.html Там же и про остаточное намагничивание. |
|
ЭФЭ Участник Сообщения: 716
|
| Невский писал: | | Что будет с контактором при запуске в КЗ? |
Не совсем понял вопрос.
Ты имеешь ввиду, когда проволка прилипшая до, а затем нажимаешь кнопку? |
|
o_l_e_g Предупреждений: 1 Сообщения: 4494
|
| MainRooT писал: |
какой двиг-то был? | ТАД, по сути тот же трансформатор. |
|
Владимир Анатольевич Участник Сообщения: 4625
|
| Невский писал: | | Чем при запуске по первичке. |
Это как?
Один раз включил, но сгорел и тот мост, который рядом в кулёчке лежал не подключенный?
Это из разряда "один раз нырнул, два вынырнул" или наоборот - "два раза нырнул, один вынырнул"?
Ты ЧО там сегодня употребляешь? |
|
Невский Гость 185.3.*.*
|
ЭФЭ, Да именно.
Был ПДГ-120 с тиристорами по вторичке, чуть шарик на горелке прохлопал, один тиристор отваливался.
После установки пускателя в первичку и дежурного транса стало нормально.
В физические процессы не вдавался, сделано было по совету местного электрика. |
|
ЭФЭ Участник Сообщения: 716
|
| Невский писал: | | ЭФЭ, Да именно. |
А что мешает организовать контроль залипшей проволки? |
|
SERGE Участник Сообщения: 2414
|
| o_l_e_g писал: | | Не хватит тока. |
это вопрос времени... больше ток -- меньше времени.... меньше ток -- больше времени... Если не стоит задача многкратного перезапуска , то можно попробовать... тем более что это самое простое из предложенного |
|
Невский Гость 185.3.*.*
|
| SERGE писал: | | Если не стоит задача многкратного перезапуска , то можно попробовать... |
Режим работы повторно-кратковременный. от точки к точке.
Средняя точка вариться 1.5-3 сек. Возможна варка шва точками по мере остывания. там получается примерно 2/2, зависит от толщины железа. |
|