Файлы  •  Ссылки  •  Прошивки  •  Правила  •  Архив  •   FAQ  •  Участники  •  Поиск
Регистрация  •  Вход

Опознать головку лазерную автомагнитолы.

Список форумов» Элементная база бытовой радиоэлектроники
АвторСообщение
СТАР
Новичок
Сообщения: 12




04-07-2014 17:47

Стоит в автомагнитоле PROLOGY MDD-745.

03072014115.jpg
 Описание: 03072014115.jpg
 Размер файла: 97,76 КБ
 Просмотрено: 160 раз(а)

03072014115.jpg


  03072014114.jpg  65,87 КБ  Скачано: 199 раз(а)

rmc
Участник
Сообщения: 640




04-07-2014 18:57

На KHM-310 похожа.
segor
monitor.net.ru
/
Сообщения: 3706




04-07-2014 18:58

СТАР, похожа на китайский вариант SONY KHM-313AAA
Здесь, случайно, стикер не приклеен?

2014-07-04_195354.jpg



СТАР
Новичок
Сообщения: 12




04-07-2014 21:09

C23110 6037D1

  04072014122.JPG  53,89 КБ  Скачано: 221 раз(а)

segor
monitor.net.ru
/
Сообщения: 3706




05-07-2014 15:05

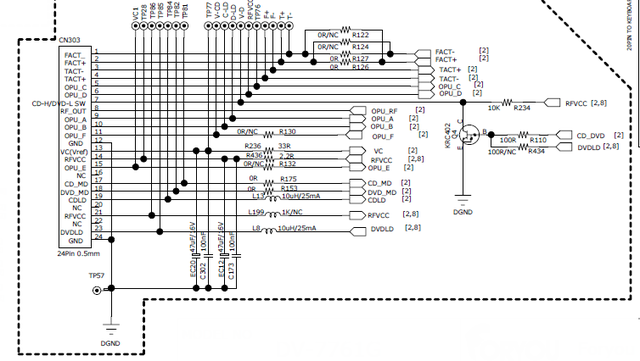
СТАР, вот распиновка коннектора лазерной головки, установленной в PROLOGY MDD-745



А это, коннектор KHM-313 (KHM-310)



Смотри, что у тебя в реале. Сравнивай, делай выводы.
СТАР
Новичок
Сообщения: 12




07-07-2014 19:42

Спасибо, будем работать.
Список форумов» Элементная база бытовой радиоэлектроники» Опознать головку лазерную автомагнитолы.
Перейти:  
Текущий раздел» Элементная база бытовой радиоэлектроники (Элементная база - функциональные особенности, параметры, аналоги, взаимозаменяемость, качество )


Похожая информация:
  • Опознать Лазерную головку от автомагнитолы
  • Как опознать марку лазерную головку ?
  • Помогите опознать лазерную головку
  • Помогите опознать лазерную головку
  • Помогите опознать лазерную головку.








  • Информация по ремонту для специалистов - справочники, инструкции, энциклопедия, советы и секреты ремонта,  настройка, сервисные режимы
    Powered by phpBB 2.0.18 © 2001, 2002 phpBB Group!