| Автор | Сообщение |
DSGhost Участник Сообщения: 103
|
Добрый день.
Есть конденсаторный микрофон, который подключен к микшеру к балансному (симметричному) входу с фантомным питанием 48В. Микрофон озвучивает маленький хор. Микшер в удалении, сам микрофон тоже на стойке, поэтому очень нужно иметь возможность включения/отключения микрофона под рукой у исполнителей, чтобы не сильно "щелкало" в динамиках.
Пока работает вариант в виде кнопки, которая через резистор 10 ом замыкает "холодную" и "горячую" линии. В колонках щелчок есть. Небольшой, но есть.
Вопрос следующий - а если поставить переменный резистор, скажем в 100 кОм между линиями и получится плавное выключение (с 100 кОм до 0 ом, грубо говоря).
Чем плох такой вариант? Или 100 кОм может сильно "посадить" уровень?
Ну и другие варианты приветствуются.
П.С. Интересует именно опыт общения с конденсаторными микрофонами. С динамическими все гораздо проще  |
|
Брам Гость 85.26.*.*
|
Пробуй

|
|
Vohra Участник Сообщения: 211
|
Брам,
Щас топикстартер потребует номиналы деталей. |
|
DSGhost Участник Сообщения: 103
|
| Vohra писал: | Брам,
Щас топикстартер потребует номиналы деталей. |
Подкололи?
Успокойтесь.
Спасибо, идея ясна.
Мне не совсем понятно, каким образом этот ключ будет работать, учитывая, что разница потенциалов между истоком и стоком = 0. Нет? |
|
Porter Участник Сообщения: 5932
|
DSGhost, Откуда ноль? А где фантомные 48 вольт поделись? |
|
AndrisZ Участник Сообщения: 179
|
| Porter писал: | | А где фантомные 48 вольт поделись? |
Так это между жилами и экраном. |
|
ZORRO Забанен  Сообщения: 3328
|
так не щёлкай громко... плаааавненько так, медленно  |
|
DSGhost Участник Сообщения: 103
|
| AndrisZ писал: | | Porter писал: | | А где фантомные 48 вольт поделись? |
Так это между жилами и экраном. |
Так вот именно - на "холодной" линии относительно земли +48 и на "горячей" линии относительно земли +48.
 |
|
pantelei4 албанец Сообщения: 572
|
DSGhost, так ты этим переключателем не питаловку, а mic+ mic- меж собой замыкай, ну чтоб перед коммутацией потенциалы были одинаковыми мегаомник меж ними приладить. |
|
Брам Гость 85.26.*.*
|
DSGhost, нарисуй схему соединения твоего микрофона до входа XLR |
|
culibin Участник Сообщения: 2744
|
А вот так, или так -

|
|
DSGhost Участник Сообщения: 103
|
| pantelei4 писал: | | DSGhost, так ты этим переключателем не питаловку, а mic+ mic- меж собой замыкай, ну чтоб перед коммутацией потенциалы были одинаковыми мегаомник меж ними приладить. |
pantelei4, ясен пень, что я не питаловку замыкаю, а mic+ и mic-
Есть щелчок.
Брам, по глупости забыл добавить: Микрофон активный. То есть там внутри еще стоит усилитель и различные отключаемые фильтры.
culibin, ну это более сложные варианты. Если ничего проще не найдем, буду паять. Спасибо.

|
|
pantelei4 албанец Сообщения: 572
|
DSGhost, так а чего ты нарисовал диффусил, и где там холодная и горячая если он симметричный.
Говорю тебе параллельно кнопке 1МОм для выравнивания потенциалов, а могет быть и 100кил. |
|
AndrisZ Участник Сообщения: 179
|
| culibin писал: | | А вот так, или так - |
Первая схемка понятна. А вторая как работать должна ? |
|
DSGhost Участник Сообщения: 103
|
| pantelei4 писал: | DSGhost, так а чего ты нарисовал диффусил, и где там холодная и горячая если он симметричный.
Говорю тебе параллельно кнопке 1МОм для выравнивания потенциалов, а могет быть и 100кил. |
Да, не совсем удачный рисунок.
Делал на базе готового.
Ну давайте представим, что слева микрофон, справа микшер
Симметричный=балансный, имеющий холодную и горячую части, а так же общую землю. Противоречий не вижу.
http://muzbar.ru/popup_glossary/79/
Так 100 кил или 1 мОм ?  |
|
goga_tv Участник Сообщения: 694
|
| DSGhost писал: | | Микрофон активный. | А питание отключить не судьба? Или наводка появляется? |
|
DSGhost Участник Сообщения: 103
|
| goga_tv писал: | | DSGhost писал: | | Микрофон активный. | А питание отключить не судьба? Или наводка появляется? |
При отключении\включении питания, то есть при отключении микрофона от +48V появляется щелчок. Еще больший, чем при соединении сигнальных линий между собой. Да и технологически неправильно это. |
|
uam Участник Сообщения: 1616
|
2 экземпляра. Между экраном и дифсистемой. Только в стоках транзисторов поставить кондеры, чтобы шунтировали по переменке.
Или оптрон. |
|
goga_tv Участник Сообщения: 694
|
| DSGhost писал: | | Да и технологически неправильно это. |
Технологически правильно - оператор должен выводить плавно микшер на пульте, все остальное от лукавого. (канает дист. управление звуковым пультом по заданной программе). Разберись почему щелчек при включении. Его не должно быть. Потребление микрофонного усилителя единицы миллиампер , фантом подается через высокоомный резистор. У тебя проблема с фильтрацией, или китайское говно для озвучки используешь.  |
|
DSGhost Участник Сообщения: 103
|
| goga_tv писал: | | DSGhost писал: | | Да и технологически неправильно это. |
Технологически правильно - оператор должен выводить плавно микшер на пульте, все остальное от лукавого. (канает дист. управление звуковым пультом по заданной программе). Разберись почему щелчек при включении. Его не должно быть. Потребление микрофонного усилителя единицы миллиампер , фантом подается через высокоомный резистор. У тебя проблема с фильтрацией, или китайское говно для озвучки используешь.  |
То есть вы утверждаете, что на нормальной (не китайской) аппаратуре можно вот так вот смело при включенной в рабочий режим системе выдернуть XLR из конденсаторного микрофона (сиречь "снять питание"), вставить назад, и никаких звуков в колонке быть не должно?
Значит мы живем в разных мирах. |
|
goga_tv Участник Сообщения: 694
|
| DSGhost писал: | | Значит мы живем в разных мирах. |
Это точно!
| DSGhost писал: | | на нормальной (не китайской) аппаратуре можно вот так вот смело при включенной в рабочий режим системе выдернуть XLR из конденсаторного микрофона |
Я ведь этого не говорил. На микрофонах , которые последние время пользовал я , уже был встроен выключатель питания.
Поэтому я и говорю об отключении питания, а не выдергивания разъема с микрофона.
ЗЫ: На пульте есть кнопочка отключения питания фантома. Попробуй выключить питание фантома. Послушай есть щелчки или нет . Если есть, - читай пост выше  |
|
DSGhost Участник Сообщения: 103
|
goga_tv,
хорошо.
Тогда напомню задачу из первого поста темы.
Нужно каким-либо образом с минимальным щелчком отключить микрофон без доступа к микрофону\пульту, есть лишь доступ к кабелю. В таком случае отключить питание микрофона можно только методом, аналогичным выдергиванию XLR из разъема.
Я думаю, что в ваших микрофонах выключатель питания не рубил принудительно питание всей системы активного микрофона. |
|
goga_tv Участник Сообщения: 694
|
| DSGhost писал: | | есть лишь доступ к кабелю. |
Вот это и есть
| DSGhost писал: | | технологически неправильно. |
Схема с полевиками не проканает (ИМХО). Переменный резистор - наверное выход, если он не будет источником наводок. 10КОм за глаза, засаживать ничего не должен (тем более , что микрофон активный). Экспериментируй |
|
DSGhost Участник Сообщения: 103
|
| goga_tv писал: | | DSGhost писал: | | есть лишь доступ к кабелю. |
Вот это и есть
| DSGhost писал: | | технологически неправильно. |
Схема с полевиками не проканает (ИМХО). Переменный резистор - наверное выход, если он не будет источником наводок. 10КОм за глаза, засаживать ничего не должен (тем более , что микрофон активный). Экспериментируй |
Тем не менее, существуют готовые решение для моего случая, правда не у нас:
http://whirlwindusa.com/catalog/black-boxes-effects-and-dis/miclineins ...
Жалко не понятно, что там - то ли тупо замыкание балансной линии, то ли активный фейдер на ОУ.
Тоже склоняюсь к переменному резистору, как наиболее простому пассивному варианту. Наводок быть не должно - корпус резистора можно соединить с экраном кабеля.
Вот только за номинал надо подумать.
Сопротивление в балансной линии уже 13.6 кОм, за счет балластных резисоторов фантомного питания (6.8К+6,8К), что видно на схеме из 8го сообщения: http://monitor.net.ru/forum/viewtopic.php?t=453380#3653019
Если повесить переменник в 10кОм, фактически сопротивление в балансной линии будет уже примерно 5,8 кОм... |
|
mr.vai Забанен  Сообщения: 4156
|
|
DSGhost Участник Сообщения: 103
|
| mr.vai писал: | | http://gtlab.net/ggear/schematics/boss_sd1.gif вот как коммутируют сигнал в гитарных эффектах... |
Спасибо.
Но в гитарных эффектах нет ни фантомного питания, ни балансной линии.
Добавлено 05-02-2013 13:56
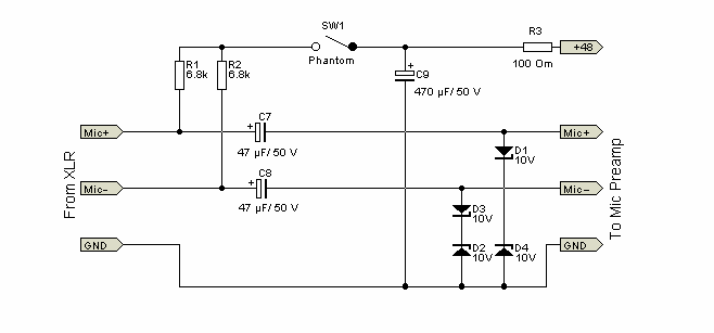
В общем решил этот вопрос так.
Щелчков нет вообще.

|
|
Sander Гость 188.195.*.*
|
Тогда и так наверное пойдёт.
Unbenannt.jpg 18,61 КБ Скачано: 676 раз(а)
|
|
DSGhost Участник Сообщения: 103
|
| Sander писал: | | Тогда и так наверное пойдёт. |
Пойдет.
Только вот С7 и С8 установлены в микшере, поэтому из возможных вариантов схемы, висящей на кабеле - такой. |
|