| Автор | Сообщение |
киев Прислонившийся Сообщения: 697
|
Типа этих
хтонить разбирал? Заявлено, шо солнечная батарея, аккумулятор, не считая схемы управления и собссна светильника. Хотя ИМХО цена от 2$ предполагает только недорогой солевой элемент питания безо всяких солнечных панелей и акамулек. |
|
Konstantin_18 Участник Сообщения: 3541
|
Я разбирал - есть все, что заявлено. Акб - 1 банка Ni-Cd. |
|
Илья Николаич Гость 95.153.*.*
|
Солнечные элементы в них действительно имеются, типа тех что в калькуляторы тыкали раньше. Какие аккумы стоят не в курсе, да и тема была недавно про схему их зарядки. |
|
EvgeniS Участник Сообщения: 2953
|
| Илья Николаич писал: | | Солнечные элементы в них действительно имеются, типа тех что в калькуляторы тыкали раньше. |
были калки с имитацией солнечной батареи. Так что вопрос автора не праздный. |
|
ADS Участник Сообщения: 1859
|
Работают уже третий сезон. Зарядки в течении солнечного дня, хватает на всю ночь и более. Банка одна - Ni-Cd. Светодиод один. Светимости в ночное время более чем достаточно.
Фонарь сад. HJ-P303 5х30.
Покупались в 2010 году за 210 р.(в коробке 4 шт) Т.е. по 52,5 р. один. Сейчас в продаже - пара за 90 р.. |
|
sergeisam Участник Сообщения: 178
|
Вчера такие ремонтировал . Стоит один светодиод, два аккумулятора Ni-Cd по 600 мА/ч в параллель, солнечная батарея. При освещении светодиод гаснет и включается зарядка аккумуляторов. |
|
Sander Гость 188.195.*.*
|
| sergeisam писал: | | Стоит один светодиод, два аккумулятора Ni-Cd по 600 мА/ч в параллель, солнечная батарея. При освещении светодиод гаснет и включается зарядка аккумуляторов. |
Я тут быстренько схему нарисовал.С твоих слов.
Подскажи как- каким образом, при наличии тобой описаных (колличествах) деталях,происходят чудеса - чтоб при "освещении"
светодиод погас и включилась зарядка аккумуляторов?
Может что-то местами переставить надо?

|
|
NO ® Философ Сообщения: 3407
|
Sander, фонарик на солнечных батареях это мое изобретение еще в 10-летнем фозрасте, по дефецитности батареек в совке.
Явный прогресс на лицо, ты модернизировал идею китайскими АКБ. Вот только нарисовал как всегда небркжно. Cейчас могут начаться международные дебаты между подписаным 1.2V и напряжением зажигания LED. Твой соратник куйню написал, а ты не смог по написанному немного паралельную схему нарисовать.
PS. Никель металлогидриды, никель-кадмий давно не в моде. Нужно в ногу со временем на литий-ионных, где 3.7V.
Как здоровье? |
|
CYB monitor.net.ru  Сообщения: 7831
|
киев, А там все что угодно встречается, даже безкорпусные элементы Китай одним словом. |
|
Captain monitor.net.ru  Сообщения: 10703
|
Sander, явно не ходил в кружок детского творчества. Ток заряда АКБ и разряда АКБ имеет разное направление. Там на самом деле никакой более электроники нет, ну + кроме обычных диодов и резистора. Будет под рукой - сфотаю потроха, но там и в самом деле смотреть не на что. |
|
Sander Гость 188.195.*.*
|
| Captain писал: | | Sander, явно не ходил в кружок детского творчества. Ток заряда АКБ и разряда АКБ имеет разное направление. |
Всё,ухожу в монастырь.Слов нет.
Со слов автора я выложил схему.По его утверждению там больше ничего нет......как же светодиод отключится при зарядке аккумулятора. Ток зарядки аккумулятора перебъёт ток свечения светодиода ?
То что там смотреть не на что и я знаю. Но в данном случае в описании опущен главный элемент регулирующий работу.
Тем более что-| NO ® писал: | | Cейчас могут начаться международные дебаты между подписаным 1.2V и напряжением зажигания LED. |
есть устройства с одним аккумулятором на 1.2В.
Завтра расскажу. Пока нормальное.Голова не болит. |
|
киев Прислонившийся Сообщения: 697
|
Не спорьте. Сам не разбирал пока, но микс прислал фотку с микрой, которая там вроде разруливает заряд с разрядом.
Шот фотка не грузица - попробую попаздя. |
|
Sander Гость 188.195.*.*
|
киев, А кто спорит?
Не факт что в твоей то же что и "микс" прислал.
Если микра,то схема такая.

|
|
Angei Предупреждений: 1 Сообщения: 608
|
Добавлено 14-05-2012 00:13
кнопка называется - светить при свете / можно и в темноте (но не долго) |
|
Sander Гость 188.195.*.*
|
Angei, Всё правильно включено.
Только дроссель надо на 150µH.
Логика.
Кнопка -выключатель. Отключает полностью устройство . ON-OFF.
Положение ON-Свет есть-светодиод не светит,идёт зарядка.Света нет- светодиод светит от акку.
OFF всё отключено.Нет зарядки не светит светодиод.
При свете не горит совсем.В темноте- до утра,от одного акку на 1.2В. Если весь день зарядка шла. |
|
Angei Предупреждений: 1 Сообщения: 608
|
понял, когда въехал где он применяется |
|
Captain monitor.net.ru  Сообщения: 10703
|
| Sander писал: | | Ток зарядки аккумулятора перебъёт ток свечения светодиода ? |
Именно что так.
| Sander писал: | | Отключает полностью устройство . ON-OFF. |
в моих вариантах даже этого небыло.  |
|
sergeisam Участник Сообщения: 178
|
| Sander писал: | | Если микра,то схема такая. |
В моём случае стояла микросхема с затёртым названием ( в корпусе dip-8 ) и не большая обвеска. А также | Цитата: | | Кнопка -выключатель. Отключает полностью устройство . ON-OFF. |
|
|
ADS Участник Сообщения: 1859
|
|
Sander Гость 188.195.*.*
|
| Captain писал: | Sander писал:
Ток зарядки аккумулятора перебъёт ток свечения светодиода ?
-Именно что так. |
| Captain писал: | | Цитата: | | Там на самом деле никакой более электроники нет |
, ну + кроме обычных диодов и резистора. |
| Captain писал: | | Sander, явно не ходил в кружок детского творчества. |
Схему в студию.А то я и вправда не ходил в кружок.Отсюда и отсталость,не понимание ,некоторых утверждений.
Самое главное я выделю, остальное ты рисуешь.
Значит так- ОДИН аккумулятор на 1.2В.
От него пляшем ,а дальше твоя схема ,с учётом -"Там на самом деле никакой более электроники нет". |
|
Captain monitor.net.ru  Сообщения: 10703
|
| Sander писал: | | Схему в студию |
да и вот ее подобие. Сопротивления светодиода не рисовал, влом. светильнику 3й год пошел.
Конструкция: перевернутый конус диаметром 8см сверху (там фотоэлемент). Низ конуса соединен с пластмассовой палкой 50см - чтоб воткнуть в землю. Внутри конуса светодиод. По ходу выключатель все таки есть, буду через 2 недели на даче друга - посмотрю и все сфоткаю в потрохах. Когда смотрел байду в разборе мы уже шашлыки осилили. Ну не помню чтоб он был. Гвоздем паяли, еслив бы был, я его бы проверил. Номиналов или надписей там не видел.

|
|
Sander Гость 188.195.*.*
|
Captain, В дневное время зарядка аккумулятора будет идти.....есть цепь.
А дальше не догоняю.
В ночное время аккумулятор будет разряжаться через...... Солнечную батареЮ.... и светодиод?
Сопротивление солнечного элемента в темноте.....куда стремится? в бесконечность или наоборот?
1) Первое что не понятно.
Аккумулятор на 1.2В. как будет светиться светодиод от такого напряжения без DC преобразователя?Да ещё и большим сопротивлением солнечной батареи.
2)Второе. |
|
NO ® Философ Сообщения: 3407
|
Sander, надуманное тобой фотосопротивление - кусок полупроводника с зависимым от освещения сопротивлением
и
фотодиод (солнечная батарея пусть из страрых как ты диодов Д226 ) - с p-n переходом при фотовольтическом эффекте
круто различаются по свойствам и назначению так же как ПТ c p-n и ОПТ.
Что касаемо напряжения АКБ и напряжения при котором нормально светится светодиод. Минимальные напряжения эти для ИК, потом красный (АЛ102 ~1,5V)...заканчивается синим, ультафиолэтовым и белым до 4 вольт. Связано с потенциальным барьером p-n перехода светодиода и излучаетельной рекомбинацией, как чем больше напряжение тем выше частота или короче длина волны излучения.
Добавлено 14.05.2012 21:02
Sander, так что не надо на эту схему гнать, когда светло напряжение солнечной батареи превышает напряжение АКБ и через и через встречно обратный диод заряжает АКБ. Когда темно напряжение АКБ превышает напряжение батареи и светодиод становится прямосмещенным. Вот только там АКБ последовательно 2-3 шт должно быть или какая одна хитрая банка. |
|
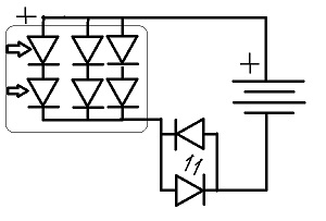
o_l_e_g Предупреждений: 1 Сообщения: 4480
|
У китайцев все проще!
Одна из базовых схем.
 |
|
NO ® Философ Сообщения: 3407
|
|
Sander Гость 188.195.*.*
|
| NO ® писал: | | Вот только там АКБ последовательно 2-3 шт должно быть или какая одна хитрая банка. |
Так не интересно. Тогда и солнечный элемент должен быть с большой площадью.
Короче не катит эта схема. С одним акку.на 1.2В.
o_l_e_g, А что с твоей картинкой? Иконка висит и всё. Китайцы за пиратство блокировали? |
|
o_l_e_g Предупреждений: 1 Сообщения: 4480
|
| Sander писал: | Вот только там АКБ
o_l_e_g, А что с твоей картинкой? Иконка висит и всё. |
Делаю Прямую выкладку.

|
|
KENT Предупреждений: 2 Сообщения: 1489
|
| o_l_e_g писал: | | Sander писал: | Вот только там АКБ
o_l_e_g, А что с твоей картинкой? Иконка висит и всё. |
Делаю Прямую выкладку. |
Из наушника - фонарик можно сделать!
Схема напоминает генератор, выполненный из наушника на одном транзисторе и двух резисторах.
В детстве делал такой, пищала громко, около 1 КГц.
Наушник расковыривал (там обмотка из двух половин), одну половинку обмотки - возбуждение, вторая половинка в качестве нагрузки.
Транзистор - МП40.
Питание - 1.5В . |
|
_rainmaker_ Новичок Сообщения: 5
|
Купил себе вот такой (http://www.ebay.com/itm/Dynamo-Solar-Power-Flash-RED-Warning-Signal-Alert-Light-4LED-FlashLight-Torch-/150904931325?pt=LH_DefaultDomain_0&hash=item2322a283fd) фонарик. Зарядки - от ручки, солнечных батарей и прикуривателя авто. Фонарик поработал около месяца и помер. Вернее не помер, а тускло начал светить. Я думал аккумулятры изначально дохлые были - разобрал его чтоб поменять.....Внутри стоит таблетка!!! на 3.6v наподобие тех, что в материнских платах БИОС питают....Посоветуйте, можно ли в него нормальную батарею на 3.7v поставить - от тех же телефонов или радио? Солнечный элемент при наличии освещения выдает ~1.5v. Могу сфотографировать кишки. Выбрасывать жалко, т.к. фонарик реально универсальный. Нужно как можно более долгая продолжительность свечения и яркость. |
|
EvgeniS Участник Сообщения: 2953
|
| _rainmaker_ писал: | | Солнечный элемент при наличии освещения выдает ~1.5v. |
померь ток КЗ от солнечного элемента. А то может это просто 3 фотодиода мелких. ФД тоже выдает 0.7В, только ток мизерный. |
|
lexa9131 Предупреждений: 1 Сообщения: 4595
|
_rainmaker_, а схемка там есть? Если солнечный элемент выдаёт меньше чем нужно батарейке без нагрузки, то не обойтись без повышающего преобразователя. Скорее всего солнца мало, в китае его гораздо больше сила света.
EvgeniS, там же панелька с полосками, это и есть солнечная батарея, скорее всего коричневого цвета - соответственно и качества (КПД).
_rainmaker_, если есть фотодиодик заряда типа от солнца, то выкинь его нафиг с его обвязкой. Когда разрисуешь схемку, сам поймёшь. |
|
Sander Гость 188.195.*.*
|
Таблетка не аккумулятор.
Фонарик работал пока таблетка живая была.
А так как она изначально НЕ заряжается, то и кирдык пришёл скорый.
Только постоянно маслая ручку можно светить, и всё, полная на Е баловка.
Солнечный элемент, тоже не вытягивает. |
|