| Автор | Сообщение |
MCC83 Новичок Сообщения: 7
|
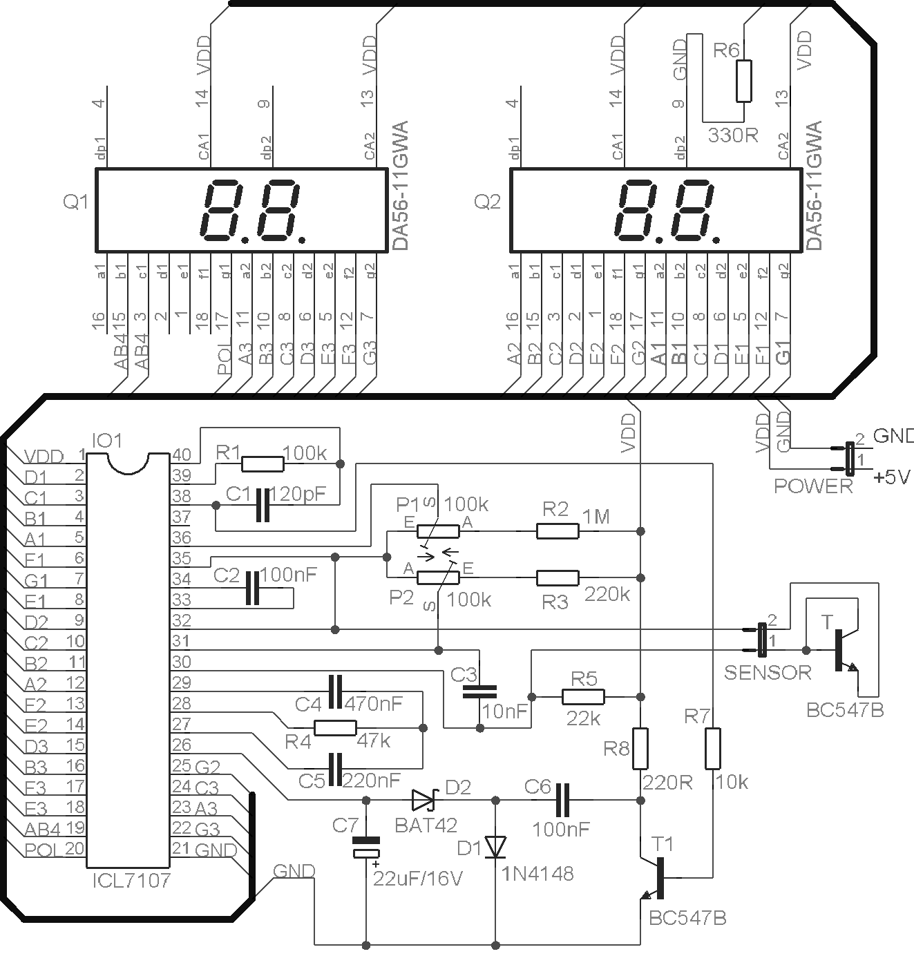
Народ. собрал я схемку электронного термометр на основе ICL7107 . Но она не хочет нормально работать. Питание осуществляется от двуполярного ИП. Настраивал при погружении датчика в воду со льдом. но ноль не выставляется. максимум -4 показывает. В кипятке 100 градусов выставляется. Вчем беда?
 |
|
Анатолий66 Коллега Сообщения: 144
|
Подобрать резисторы в обвязке. |
|
dramaturg Гость 46.203.*.*
|
MCC83 даласовский градусник вместо транзюка в датчик присобач... |
|
pavel-pervomaysk Your editor Сообщения: 8052
|
Вот это народ извращается ...
Возьми 8 мегу и даллас, будет тебе нормальный термометр. |
|
MCC83 Новичок Сообщения: 7
|
Я уже с микроконтроллерами сталкивался. Неинтересно. Даже не предлагайте их. Аналог лучше. Но блин не работает эта схема и все тут. |
|
Алекс191011_ Забанен  Сообщения: 205
|
| MCC83 писал: | | Аналог лучше. Но блин не работает эта схема и все тут. |
Чем лучше, не работает?! Потрахаться хочется? |
|
Цлесарь Гость 87.117.*.*
|
|
MCC83 Новичок Сообщения: 7
|
термометр знатный а схемку можно посмотреть? |
|
Цлесарь Гость 87.117.*.*
|
На сайте. ССылка под фоткой. |
|
MCC83 Новичок Сообщения: 7
|
опять мокроконтроллелер. А я просил помощи по АЦП 572 ПВ2 (ICL7107). неужели никто ни чего не подскажет? |
|
SERG Участник Сообщения: 842
|
а на 26пине минус 5вольт есть? |
|
MCC83 Новичок Сообщения: 7
|
есть. все напряжения в норме. 1нога +5, 21-я общий, 26-я _5в |
|
slav0n Забанен  Сообщения: 2252
|
|
SERG Участник Сообщения: 842
|
R2 тут не при делах , а R3 мало повлияет, для него главное быть не в кз или не в обрыве. Какой потенциал на 31пине? Именно он определяет положение ноля на шкале, могу ошибаться но имхо там должна быть половина от vdd. |
|
Rаmil Гость 85.233.*.*
|
| SERG писал: | | R3 мало повлияет, для него главное быть не в кз или не в обрыве. Какой потенциал на 31пине? Именно он определяет положение ноля на шкале, могу ошибаться но имхо там должна быть половина от vdd. |
Сам же пишешь что R3 мало влияет и тут же пишешь про 31 пин. напряжение на котором зависит от R3.
Да не половина Vdd - в схеме common(32н) вывод висит в воздухе.
И напряжение там(31н) при нуле должно получится равным напряжению на common плюс падение на транзисторе.
пост поправил.
| MCC83 писал: | | есть. все напряжения в норме. 1нога +5, 21-я общий, 26-я _5в |
Попробуй поставить резистор R3 с меньшим сопротивлением. Или проверь тот что поставил. А описание этой схемы где можно почитать?
PS. Про описание спрашиваю потому что не совсем понятно как калибруется в двух точках. Мне почему то кажется что настройка в нуле будет уводить настройку при 100 градусах(и наоборот). |
|
rommy Участник Сообщения: 5394
|
В качестве датчика применять транз. ВС547 похоже не самая лучшая идея.
| dramaturg писал: | | MCC83 даласовский градусник вместо транзюка в датчик присобач... |
И чё это даст?
7107 не понимает этого протокола. |
|
Брам Гость 85.26.*.*
|
Р1- диапазон, Р2- смещение.
1) Сначала крутим диапазон.
Например, пусть талый лед -4 (пока не обращай внимания), а кипяток должен быть (крути Р1) +96. Потом опять в лед.Показание изменится в большую, или в меньшую сторону. И так несколько раз подстраивай, до значения в разнице точно в 100гр, ну например, лед-8...кипяток+92. Все, диапазон настроен.
2) Далее в лед и смещением Р2 подведи к 0.
Все. |
|
MCC83 Новичок Сообщения: 7
|
Пробовал ставить R2 и R3 в два раза меньше. картина мало меняется. пытаюсь выставить на 100 градусов но уходит ноль. а 32 ногу я пробовал цеплять на общий провод 21нога. схемка после этого начинает измерять температуру от плюс 4 до 600 градусов. и причем даже правильно показывает. проверял по термостату. а вот ниже плюс 4 градусов не измеряет. |
|
dramaturg Гость 46.202.*.*
|
| rommy писал: | И чё это даст?
7107 не понимает этого протокола. |
зато как красиво висеть будет  |
|